快速链接到星空(中国)一站式服务官网其他国家/地区的网站。close

星空(中国)一站式服务官网全球

首页  >  产品资讯  >  产品共通信息  >  常见问题一览表  >  技术指南  >  安全产品

连接电路例

连接电路例

连接例索引

这里介绍的是使用G9SA(安全继电器单元)及F3SP-B1P、D9M-CD1(控制单元)连接输入部和输出部的电气式互锁装置的基本事例。

 

安全检测设备

输入
ch

安全等级

停止等级

使用设备形号

页码

1

紧急停止按钮开关

2

4

0

A22E/A165E

G9SA-301/G9SA-501、S82K

紧急停止按钮开关

2

紧急停止按钮开关×2个

2

4

0

A22E/A165E

G9SA-301/G9SA-501、S82K

529

3

安全门开关

2

4

0

D4GS-N/D4NS/D4BS

G9SA-301/G9SA-501、S82K

安全门开关

4

安全门开关×2个

2

3

0

D4GS-N/D4NS/D4BS

G9SA-301/G9SA-501、S82K

安全门开关×2个

5

安全门开关×2个

1

2

0

D4GS-N/D4NS/D4BS

G9SA-301/G9SA-501、S82K

532

6

安全限位开关×2个

2

4

0

D4B-N/D4N/D4F

G9SA-301/G9SA-501、S82K

安全限位开关×2个

7

电磁锁定安全门开关

(螺线管锁定)

安全限位开关

2

4

0

D4GL/D4NL/D4BL

D4B-N/D4N/D4F

G9SA-301、S82K

电磁锁・安全门开关

8

电磁锁定安全门开关

(机械锁定)

安全限位开关

2

3

0

D4NL/D4BL/D4GL
D4B-N/D4N/D4F

G9SA-321-T□
G7S/G7SA、S82K

电磁锁定・安全门开关

9

电磁锁定安全门开关

(机械锁定)

安全限位开关

2

3

1

D4NL/D4BL/D4GL
D4B-N/D4N/D4F

G9SA-321-T□、S82K

536

10

安全垫开关

2

3

0

D9M-M□

D9M-CD1、S82K

537

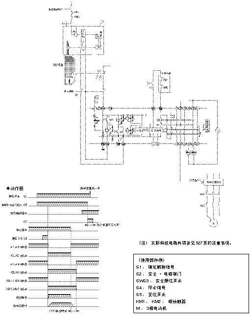
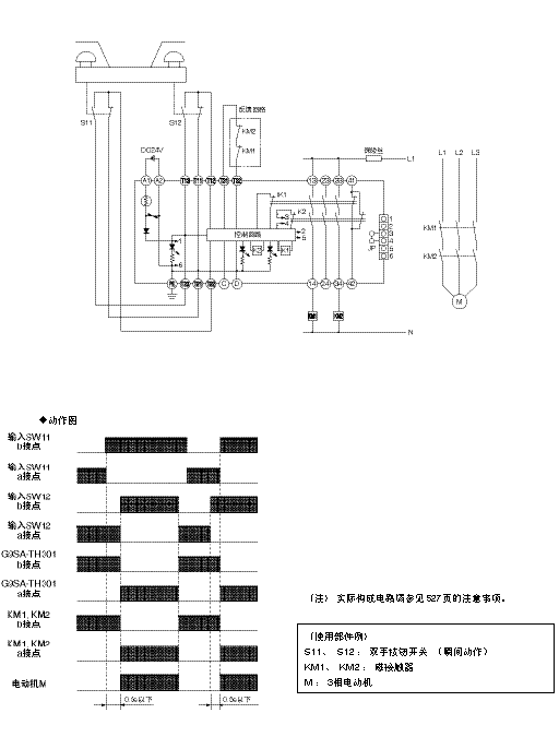
11

双手按钮开关

2

4

0

G9SA-TH301、S82K

双手按钮开关

12

双手按钮开关

1

2

0

F3SX-N-L1D1R

A22E/A165E

A22

D4GS-N/D4NS/D4BS

F3SN/F3SH

S82K

双手按钮开关

13

安全光幕

(继电器单元布线)

2

4

0

F3SN-A

G9SA-301/G9SA-501、S82K

安全光幕(继电器单元布线)

14

安全光幕(继电器布线)

2

4

0

F3SN-A

G7S/G7SA、S82K

541

15

安全光幕(连接器布线)

2

4

0

F3SN-A

F3SP-B1P、S82K

安全・光幕(连接器布线)

16

安全光幕

紧急停止按钮开关

2

4

0

F3SN-A

A22E/A165E

G9SA-300-SC、S82K

543

17

安全光幕

安全垫开关

2

3

0

F3SN-A

D9M-M□

F3SP-B1P

D9M-CD1、S82K

安全光幕

 

注意事项

1) 安全关联部的电路构成

在此按各安全等级介绍几个电气式互锁装置的连接事例,但这些连接事例只是机械的控制系统中确保安全的一个构成部分。

关于不损坏保护接地、断线・短路等电路功能的保护布线等,实际的电路构成时,应按照关于机械电气装置的规定EN60204-1〔IEC60204-1、JIS B 9960-1〕 等相关规定进行施工,同时建议,对机械系统整体的安全性要获得第三方认证机关的确认。

 

2) 安全等级的决定

作为风险核定(风险评估)的结果,决定安全对策的性能评价的安全等级。实际上在决定安全关联部的安全等级时,必须评价机械的规格及到机械的设置使用废弃为止的作业环境,以决定适应整个机械的安全等级。

 

3) 2通道输入

根据安全门开关等位置检测设备的接点信号进行保护门开关确认。

利用1个位置检测设备内置的2个接点可以将开关确认信号以2通道输入到控制器侧,但此时会由于操作键的插入不良施加适度的冲击等原因,发生位置检测设备的头部破损,所以即使2输出信号没有不对称故障特性,也会有发生同一个故障的情况。2通道输入的方法是根据装置整体的风险评价结果选择的,推荐使用2个相反模式的位置检测设备进行保护门开关状态确认的方法。

 

4) 安全部件的作用

安全的控制系统必须进行在互锁装置发生故障时使产生危险的概率最小化的设计。

安全部件类在设计上,应具备标准规定的开关的强制断开运行机构和继电器的强制导向接点机构等,这些功能在该控制系统结构中发挥作用。

 

5) 安全部件的使用方法

关于安全部件使用上的注意事项,请参见538页记载的安装时的注意事项及本样本中记载的注意事项。

特别是安装电磁锁门开关时,由于要使用止动配件等请考虑门的固定。开关直接作为门锁的部件使用时,由于门的自重、机械设备的振动、保持状态中误操作开门动作时的冲击等,有可能导致电路功能发生异常。

 

6) 进入检测和存在检测

安全光幕的基本特征是具有检测手指、手及人体等的进入的功能。因此,对于进入危险区域频度等系统整体的风险评估,当必须具备危险区域的存在检测功能时,推荐与安全垫安全激光扫描仪等合并设置。关于存在检测请参见531页。

 

7) 复位方式

本连接例是使用手动复位方法的事例。

采用自动复位方式时,作为前提条件,通向危险源的开口部尺寸要保证人体无法进入。

有关此连接的具体内容请参见产品样本记载的连接电路例。

 

8) 接触器

推荐使用在主接点熔接时,作为监视用的辅助NC接点应具有在机构上不会产生同一故障的功能的接触器。

 

安全等级

安全检测设备

停止等级

复位方法

使用设备型号

4

紧急停止按钮开关

0

手动

A22E/A165E

G9SA-301/G9SA-501、S82K

连接电路例

安全等级

安全检测设备

停止等级

复位方法

使用设备型号

4

紧急停止按钮开关×2个

0

手动

A22E/A165E

G9SA-301/G9SA-501、S82K

 连接电路例

安全等级

安全检测设备

停止等级

复位方法

使用设备型号

4

安全门开关

0

手动

D4GS-N/D4NS/D4BS

G9SA-301/G9SA-501、S82K

 连接电路例

安全等级

安全检测设备

停止等级

复位方法

使用设备型号

3

安全门开关×2个

0

手动

D4GS-N/D4NS/D4BS

G9SA-301/G9SA-501、S82K

连接电路例

安全等级

安全检测设备

停止等级

复位方法

使用设备型号

2

安全门开关×2个

0

手动

D4GS-N/D4NS/D4BS

G9SA-301/G9SA-501、S82K

连接电路例

安全等级

安全检测设备

停止等级

复位方法

使用设备型号

4

安全限位开关×2个

0

手动

D4B-N/D4N/D4F

G9SA-301/G9SA-501、S82K

连接电路例

安全等级

安全检测设备

停止等级

复位方法

使用设备型号

4

电磁锁・安全门开关

(电磁锁定)

安全限位开关

0

手动

D4GL/D4NL/D4BL

D4B-N/D4N/D4F

G9SA-301、S82K

连接电路例

安全等级

安全检测设备

停止等级

复位方法

使用设备型号

3

电磁锁定・安全门开关

(机械锁定)

安全限位开关

0

手动

D4NL/D4BL/D4GL

D4B-N/D4N/D4F

G9SA-321-T□ G7S/G7SA、S82K

 

安全等级

安全检测设备

停止等级

复位方法

使用设备型号

3

电磁锁定・安全门开关

(机械锁定)

安全限位开关

1

手动

D4NL/D4BL/D4GL

D4B-N/D4N/D4F

G9SA-321-T□、S82K

连接电路例

安全等级

安全检测设备

停止等级

复位方法

使用设备型号

3

安全垫开关

0

手动

D9M-M□

D9M-CD1、S82K

连接电路例

安全等级

安全检测设备

停止等级

复位方法

使用设备型号

4

双手按钮开关

0

手动

G9SA-TH301、S82K

连接电路例

安全等级

安全检测设备

停止等级

复位方法

使用设备型号

2

双手按钮开关

0

自动复位

F3SX-N-L1D1R

A22E/A165E

A22

D4GS-N/D4NS/D4BS

F3SN/F3SH

S82K

连接电路例

安全等级

安全检测设备

停止等级

复位方法

使用设备型号

4

安全光幕(继电器单元布线)

0

手动

(继电器

单元)

F3SN-A

G9SA-301/G9SA-501、S82K

连接电路例

安全等级

安全检测设备

停止等级

复位方法

使用设备型号

4

安全光幕(继电器布线)

0

手动

F3SN-A

G7S/G7SA、S82K

连接电路例

安全等级

安全检测设备

停止等级

复位方法

使用设备型号

4

安全・光幕(连接器布线)

0

手动

F3SN-A

F3SP-B1P、S82K

连接电路例

安全等级

安全检测设备

停止等级

复位方法

使用设备型号

4

安全光幕

紧急停止按钮开关

0

手动

F3SN-A A22E/A165E

G9SA-300-SC、S82K

连接电路例

安全等级

安全检测设备

停止等级

复位方法

使用设备型号

3

安全光幕

安全垫开关

0

手动

F3SN-A D9M-M□

F3SP-B1P D9M-CD1、S82K

连接电路例

 

■技术术语索引

 连接电路例

安全继电器

Safety Relay 490

安全距离

Minimum Distance from the Detection Zone to the Danger Zone 495

安全开关

Safety Switch 489

安全开关等级

Safety Switch Category 494

安全区域传感器

Safety Area Sensor 490

 连接电路例

保证漏电痕迹指数

Proof Tracking Index (PTI) 491

比较漏电痕迹指数

Comparative Tracking Index (CTI) 491

测试棒

Test Rod 495

成形锁定机构

Formlock Mechanism 513

 连接电路例

单一故障检测

Detection of Single-fault 507

短路保护的检测

Detection of Short-circuit 503,507

多样性的使用

persity 503,505

额定动作电流(le)

Rated Operational Current 493

额定动作电压(Ue)

Rated Operational Voltage 493

额定绝缘电压(Ui)

Rated Inslation Voltage 493

额定脉冲耐电压(Uimp)

Rated Impulse Withstand Voltage 493

 连接电路例

防触电保护等级

Classification of Protection Against Electric Shock 492

风险指定

Risk Estimation 496

风险评估

Risk Assessment 496

风险评价

Risk Evaluation 496

负动作

Negative Operation 515

 连接电路例

功能试验

Functional Test 503,505

光轴线

The Axis of the Light Beams 495

过电压等级

Overvoltage Category 491

 连接电路例

互锁装置

Interlocking Device 467

检测范围

Protective Height 495

接点结构

Contact Element 513

强制断开动作机构

Contact Positive Opening Mechanism 513

紧急停止

Emergency Stop 503,508

决定机械的使用状况范围的决定

Determination of the Limit of Machinery 496

 连接电路例

开关过电压

Switching Over Voltage 493

类型2/类型4

Type2 / Type4 495

密闭热电流(Ithe)

Conventional Enclosed Thermal Current 493

冗余性

Redundancy 503,505

锁定

Lock-out 495

停止级别

Stop Category 508

通常自由空气热电流(lth)

Conventional Free Air Thermal Current 493

 连接电路例

外部设备监视器

External Device Monitoring 495

外壳的保护等级

Degree of Protection Provided by Enclosure (IP Code) 492

危险确认

Hazard Identification 496

污染度

Pollution Degree 491

 连接电路例

响应时间

Response Time 495

消隐

Blanking 495

已认证的电路技术和部件

Proven Circuit Techniques and Components 503,504

用途等级

Utilization Category 493

带条件的额定短路电流

Rated Conditional Short Circuit Current 493

有效开口角(指向角)

Effective Aperture Angle 495

正动作

Positive Operation 515

阻塞功能

Muting Function 495

 连接电路例

AOPD Active Opto-electronic Device 495

ESPE Electro-sensitive Protective Equipment 495

APP下载

星空(中国)一站式服务官网FA世界