快速链接到星空(中国)一站式服务官网其他国家/地区的网站。close

星空(中国)一站式服务官网全球

首页  >  产品资讯  >  产品共通信息  >  常见问题一览表  >  技术指南  >  传感器

微型光电传感器概要

微型光电传感器概要
微型光电传感器的定义

微型光电传感器,是主要内置于客户机器的小型放大器内置光电传感器。与一般的放大器内置光电传感器相同,用于物体的通过检测和定位,大多数检测物体是被称为「卡爪」的金属片。卡爪进入微型光电传感器的检测区域后,微型光电传感器将进行光学性检测,并发出输出信号。

 

特长

与放大器内置光电传感器相比,具有以下特长
① 在有个机型系列中,形状的种类很多
例如EE-SX67系列中,备有了5种凹槽形状。可根据顾客的安装位置,选择最佳的形状。
② 价格低
通过将额定值/性能限制在机器内置用,且将IP保护构造简易化,可以获得物美价廉的产品。
③ 通过设置为适用于机器内置的检测距离实现小型化
例如在凹槽型中,采用3.6mm或5mm为标准的检测距离(凹槽宽)。在其他检测方式中,如扩散反射型、限定反射型中为 5mm以下,回归反射型、对射型为 1m以下,都是以机器内置用为目的的距离规格。
④ 显示灯的灯亮模式
微型光电传感器的显示灯大多在入光时亮起。在部分机型中作为其他型号,也可选择遮光时灯亮的类型。例如凹槽型中,需在调整位置时灯亮的情况下,则宜采用遮光时灯亮的类型。另一方面,需在确认电源施加时灯亮的情况下,则宜采用入光时灯亮的类型。
⑤ 其他规格(保护构造、输出电流)
由于以机器内置为前提,所以不采用防水构造,并将输出电流额定控制在较低的范围内。另一方面,多数机型的电源电压可以在DC5V下动作。

 

 

微型光电传感器原理

①光的性质>

直射
光在空气和水中行进的情况下,总是直线传播。
在对射型传感器中使用外附插口来检测细微物体的示例就是应用了该原理。

微型光电传感器

折射
光在折射率不同的界面上入射时,通过该界面后,前进方向将发生变化的现象。

 

 

 

 

微型光电传感器

反射(正反射、回归反射、扩散反射)

在镜子和玻璃平面上,光将以与入射角相同的角度反射,这称为正反射。

回归反射板就是利用这种原理,将3个平面互相直交组合后。所谓「回归」是指「回到原来发射的方向」。来自回归反射板的反射光向投光的反方向前进,这种反射称为回归反射。

此外,在白纸等没有光泽性的表面上,光线将向各个方向反射,这样的反射称为扩散反射。

扩散反射型将该原理作为检测方式。

 

 

 

微型光电传感器

 

 

②光源

光的灯亮方法

〈直流光方式〉

连续放射一定光量的光线的方式,能得到高速响应性的同时,还具有易受扰乱光等影响的缺点。

 

 

 

微型光电传感器

〈调制光方式〉

在调制光方式中,为了减少阳光和白炽灯等扰乱光的影响,可使投光LED脉冲点亮,对受光信号的DC成分进行切割的信号处理。

 

 

 

微型光电传感器

 

 

微型光电传感器分类

①按检测方式分类

关于各方式的形状,请参见「 术语解说 」中的检测距离说明图。

(1)凹槽型 适用于检测物体(卡爪)的厚度较薄,需要高检测位置精度的应用。

由于不需要调整光轴,因此易于设置。此外,产品的变化也有很多,可从多种选择项中选择需要的形状和连接方式等。

(2)对射型 适用于需要较长检测距离的应用。

(3)回归反射型 适用于需要较长检测距离的应用。与对射型相比,具有布线和光轴调整工时少的优点。

(4)扩散反射型 适用于检测物体较厚,无法纳入凹槽型的凹槽宽的应用。

(5)限定反射型与扩散反射型相同,但适用于有背景物体的应用。(在扩散反射型中,背景物体的反射率比检测物体高时(镜面状金属等),有时检测会不稳定)。

 

②检测方式选定要点

(1)凹槽型、外形、凹槽宽、连接方式(预置/接插件)

有无扰乱光(直流光方式/调制光方式)

输出形态(入光时ON/遮光时ON、NPN/PNP)

显示灯(入光时灯亮、遮光时灯亮)

(2)对射型、外形(放大器内置式、光纤式)、检测距离

输出形态(入光时ON、遮光时ON)

(3)回归反射型、检测距离

输出形态(入光时ON、遮光时ON)

(4)扩散、限定反射型外形(放大器内置式、光纤式)、检测距离

有无背景物体(扩散反射型/限定反射型)

扰乱光的环境(直流光方式/调制光方式)

输出形态(入光时ON、遮光时ON)

 

 

微型光电传感器术语解说

术语

说明图

说明

直流光方式

――

使投光元件正常亮灯,检测该光的方式。

调制光方式

――

使投光元件脉冲亮灯,检测该脉冲光的方式。

检测距离

对射型

(凹槽型)

 

微型光电传感器

投光部和受光部相对的凹槽宽即为检测距离。

对射型

 

微型光电传感器

考虑到产品的不一致和温度变化等,能达到最低保证的可设定距离。

注. 标准状态下的实际值,在各种方式下都要比额定检测距离长。

回归反射型

 

微型光电传感器

扩散反射型

限定反射型

 

微型光电传感器

在标准检测物体(白纸)中,考虑到产品的不一致和温度变化等,能达到最低保证的可设定距离。 注. 标准状态下的实际值,在各种方式下都要比额定检测距离长。

差动距离

 

微型光电传感器

动作点与复位点的距离差。

响应频率

 

 微型光电传感器

在指定检测物体条件(大小、对射率、反射率等)、指定距离条件、指定电源电压条件下,传感器能检测的重复频率。

响应时间

微型光电传感器

从光输入的断续到控制输出动作或复位的延迟时间通常为

动作时间(Ton)复位时间(Toff)。

使用环境照度

微型光电传感器  

传感器能稳定动作的受光面照度。

 

 

特性数据的读法

检测位置特性

重复检测位置特性

EE-SX770的特性示例

微型光电传感器

EE-SX770的特性示例

 微型光电传感器

表示检测物体的边缘到达哪个位置时,传感器将作出响应

表示传感器响应时,检测物体边缘位置的偏离。作为检测物体的定位精度的标准。

 

 

受光输出余度D距离特性

平行移动特性

EE-SPW311/411的特性示例

 

微型光电传感器

EE-SPW311/411的特性示例

 

微型光电传感器

 

受光输出余度表示将灵敏度设定为最大情况下的数值。

上述是额定检测距离为1m的机型的示例。在额定检测距离中,受光输出充裕度能读取约10倍。

 

 

对射型:表示投光器位置已固定时,受光器的检测界限位置。

回归反射型:表示传感器的位置已固定时,回归反射板的检测界限位置。

设置多个对射型的情况下,为了防止相互干扰,需要图示1.5倍的区域。

 

动作区域特性

EE-SPY301、EE-SPY401的特性示例

微型光电传感器

 

表示将标准检测物体沿光轴垂直移动时的检测开始位置。在图中,向右侧弯曲的图表,表示将检测物体从右侧开始移动。

 

这是相对于标准检测物体的值,如检测物体发生变化,动作区域、检测距离也发生变化。

 

 

共通注意事项 ★各商品的注意事项,请参见各商品的「 请正确使用 」。

微型光电传感器警告

微型光电传感器不能作为冲压的安全装置或其他人体保护用安全装置使用.

本产品与安全性无关,主要用于工件和作业者的检测用途。

安全要点

为了确保安全,请务必遵守以下各项目的内容。

 

●布线时

 

 

项目

代表例

关于电源电压

使用时请不要超过使用电压范围。

如在使用电压范围以上施加电压,或在直流电源型的传感器上施加交流电源(AC100V以上),可能导致破裂或烧毁。

微型光电传感器

关于负载短路

请避免使负载短路。否则可能引起破裂或烧毁。

微型光电传感器

关于误布线

需考虑电源的极性等,请勿错误布线。否则可能引起破裂或烧毁。

微型光电传感器

微型光电传感器

关于无负载的连接

因为无负载情况下,直接连接电源会引起内部元件破裂或烧毁,所以请务必在有负载的情况下进行布线。

微型光电传感器

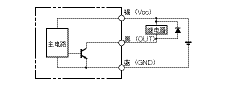
关于AND连接

如右图所示,进行AND连接时,在传感器2的GND未切实接地的状态下,向Vcc施加电压。由于会引起故障,因此请勿进行这种连接。 此外,根据机型不同,传感器1为ON时,传感器2的涌入电流有时会引起故障。

微型光电传感器

使用注意事项

 

●安装时

 

由于以EE-SX、SY为首的直流光方式微型光电传感器是机器内置用的,所以未实施特别的防止扰乱光的对策。直流光方式的传感器,如在白炽灯下等存在扰乱光干扰的场所使用,请务必进行妥善的设置,避免外光的影响。

安装传感器时,请切实安装在无凹凸的安装部。

用螺钉紧固微型光电传感器时,请使用M3螺钉(为防止螺钉松弛,请使用弹簧垫圈)。此时的紧固强度请设置为0.59N?m以下。

紧固强度根据机型不同而有所差异,请参见各商品的注意事项。

不能用其他物体撞击传感器的检测部。检测部如有损伤,会使特性劣化。

请确认没有因振动冲击等引起的松动、晃动情况后再使用。

 

 

●布线时

 

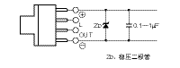
关于电涌对策

 

电源线上有电涌发生时,应根据使用环境连接稳压二极管ZD(30~35V)和电容器(0.1~1μF)等,并确认浪涌消失后才能使用。

 

 

微型光电传感器

 

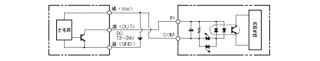
驱动继电器等小型感应负载时,请按下图所示进行布线。(此时,请务必连接逆电压吸收用的二极管)。

 

 

微型光电传感器

 

高压线、动力线与微型光电传感器在同一配管或同一槽内进行布线时,会引起感应,从而导致误动作或破损,所以请分开布线或单独配管。

安装接插件(专用或市售产品)时,请确认是否已完全锁定。

 

关于电压输出

 

按电压输出规格连接开路集电极输出的传感器时,可通过在电源、输出间插入电阻器后再连接。下图的示例可作为选择电阻值时的参考。此外,电阻值一般使用4.7kΩ。电阻器的瓦特数为:电源电压为24V时为 1/2W、12V时为1/4W。

 

〈例〉

 

微型光电传感器

EE-SX670系列

电阻值R=4.7k Ω

“H”值时

 微型光电传感器

“L”值时

输入电压VL≤0.4V

(负载电流40mA时的残留电压)

微型光电传感器

 

对应负载电流的残留电压,请确认传感器的额定值。

 

 

关于布线时的处理

 

请不要在端子上施加下图所示的外力。否则会造成破损。

 

 

 

微型光电传感器

 

 

 

●设计时

 

关于调制光方式微型光电传感器的注意事项

使用调制光方式的微型光电传感器(EE-SP为首的机型)时,设计时应特别注意电源和导线长度的影响。与直流光方式(EE-SX、SY为首的机型)相比,更容易受到影响。

容易受影响的调制光方式的机型

EE-SPX301/401、EE-SPY30□/40□、 EE-SPZ301□/401□、EE-SPY31□/41□、 EE-SPX303/403、EE-SPW311/411、 EE-SPX74□/84□、EE-SPX□□□-W

不易受影响的调制光方式的机型

EE-SPX613、EE-SPY801/802

调制光方式易受电源和导线长度影响的原因

如「原理」中所示,在调制光方式中,投光LED为脉冲灯亮。在该脉冲时间内,微型光电传感器中将相应地流过瞬时大电流,从而使消耗电流发生脉动。

 

 

在光电开关等中,通过内置足够容量的电容器,来避免消耗电流的脉动影响,但在小型的微型光电传感器中难以内置足够容量的电容器。所以,导线长度变长时,或根据电源的种类,将无法追踪消耗电流的脉动,使动作处于不稳定状态。

〈增加电容器的对策〉

在尽量靠近传感器的地方,进行装有10 μ F以上的电容器(薄膜电容器等)的布线。(电容器的耐压请设置为传感器电源电压的2倍以上。钽质电容器在这样的使用方法中,在发生短路故障时会有大电流通过,可能引起火灾,所以请不要使用)

 

 

微型光电传感器

〈导线延长时的对策〉

 

设计时,请将调制光方式的传感器的导线设置在2m以内。

进行2m以上的布线时,按下图所示方法,在2m以内的场所进行装有10μF以上电容器(铝电解电容器等)的布线。
此时,以总长5m左右为限度进行设计。超过5m的情况下,通过PLC等一旦进行传感器输出,请通过PLC带有的通信功能进行传达。实际上,甚至可以延长到5m以上,但可能会受到电缆规格和同时布线的电缆、其他机器发出的干扰的影响等。此外,还会受到线材料的电阻成分引起的电压下降的影响,因此请对电缆末端和传感器部的电压差及干扰水平等进行充分评价。

 

 

微型光电传感器

 

根据传感器的种类和使用的电缆规格不同,能延长的长度也不同,所以请参见各机型的注意事项。此外,以EE-SX、SY为首的直流光方式传感器不易受所有机型导线长度的影响。(实际上可以延长到20~50m)。

 

〈使用开关电源时的对策〉

 

将调制光方式的传感器连接到开关电源时,请根据需要采取以下任意一项对策。

 

①在尽量靠近传感器的地方,进行装有10 μ F以上电容器(薄膜电容器等)的布线。(电容器的耐压请设置为传感器电源电压的2倍以上。钽质电容器在这样的使用方法中,在发生短路故障时会有大电流通过,可能引起火灾,所以请不要使用)。

 

 

微型光电传感器

②为了避免感应干扰侵入传感器周边的架台,可在传感器附近连接电源的0V线,以降低架台的阻抗。此外,请插入电容器(0.47 μ F左右)后再进行连接。

 

 

微型光电传感器

③请将开关电源的干扰过滤器端子(中点端子~ACG)与电源的筐体(FG)及电源的0V连接。

 

对连接的线路进行接地或连接到架台,能获得更稳定的工作(由各种电源制造商推荐)。

 

 

〈受到感应杂音干扰时的对策〉

 

 

 

微型光电传感器

④在传感器主体与安装架台之间,请插入厚度为10mm左右的绝缘板(塑料制)。

〈关于感应杂音的影响〉

 

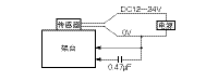
传感器安装架台(金属)上受到感应杂音影响时,传感器有时会处于与入光状态相同的状态。此时,微型光电传感器的0V端子与安装架台(金属)要以同电位来连接,或在插入电容器(0.47 μ F)后,再将0V端子与安装架台(金属)连接。

 

 

微型光电传感器

〈关于输出信号的处理〉

 

为避免干扰的影响,请以低于100ms的速度进行处理。

 

 

 

关于反射型微型光电传感器的注意事项

〈关于检测距离〉

 

反射型微型光电传感器的检测距离是以白纸(反射率90%)为标准。在该条件以外的情况下使用时,检测距离会发生变化。

 

〈代表例〉

EE-SPY30/40系列

 

 

微型光电传感器

 

有背景物体时

 

背景物体的反射光可使传感器变为入光状态,请认真讨论后再使用。

 

 

 

 

微型光电传感器

请与背景物体保持充足的距离,或采用黑色海绵等反射率较小的物体。

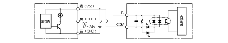
与PLC的连接

 

 

NPN

开路集电极型

 

微型光电传感器

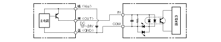
NPN

电压输出型

微型光电传感器

PNP

开路集电极型

 

微型光电传感器

 

与继电器的连接

 

 

用同一电源驱动

用其他电源驱动

NPN

开路集电极型

微型光电传感器

微型光电传感器

 

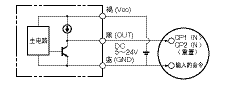
与计数器连接

 

无电压输入

晶体管输入(电压输入)

NPN

开连接插件型

微型光电传感器

微型光电传感器

NPN

电压输出型

微型光电传感器

微型光电传感器

 

 

●其他

 

请避免在通电过程中装卸接插件,以免引起破损。

请避免在下列场所使用,以免引起误动作及故障。

 

①灰尘和油污多的场所。

②腐蚀性气体多的场所。

③水、油、药品直接及间接飞散的场所。

④室外或阳光等强光照射的场所。

 

使用时的环境温度应在额定范围内。

有机溶剂、酸、碱、芳香族烃、氯化脂族烃接触到传感器时,会发生溶解。此外,还会引起特性劣化,所以需注意不能让这些化学品碰到传感器。

 

 

 
 
APP下载

星空(中国)一站式服务官网FA世界