Page top

A165E

紧急停止开关 (φ16)

A165E

深度极小的分离式结构

A165E部分产品预定于2023年3月底订货截止。

(单位:mm)

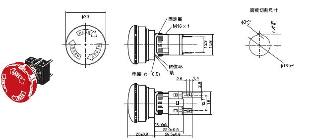
A165E-S

A165E 外形尺寸 2 A165E-S_Dim

如果要为面板加喷漆等涂层,请确保加涂层后的尺寸符合规定。
建议面板厚度:0.5~3.2mm

A165E-LS

A165E 外形尺寸 5 A165E-LS_Dim

如果要为面板加喷漆等涂层,请确保加涂层后的尺寸符合规定。
建议面板厚度:0.5~3.2mm

A165E-S-03U

A165E 外形尺寸 8 A165E-S-03U_Dim

如果要为面板加喷漆等涂层,请确保加涂层后的尺寸符合规定。
建议面板厚度:0.5~3.2mm

A165E-M

不带灯型
φ40 mm

A165E 外形尺寸 11 A165E-M_Dim

如果要为面板加喷漆等涂层,请确保加涂层后的尺寸符合规定。
建议面板厚度:0.5~3.2mm

A165E-LM

带灯型
φ40 mm

A165E 外形尺寸 14 A165E-LM_Dim

如果要为面板加喷漆等涂层,请确保加涂层后的尺寸符合规定。
建议面板厚度:0.5~3.2mm

A165E-M-03U

一体式结构型
φ40 mm

A165E 外形尺寸 17 A165E-M-03U_Dim

如果要为面板加喷漆等涂层,请确保加涂层后的尺寸符合规定。
建议面板厚度:0.5~3.2mm

附件

黄色圆板(氯乙烯)
A16Z-5070

A165E 外形尺寸 20 A16Z-5070_Dim

面板塞(圆型)
A16ZT-3003

A165E 外形尺寸 21 A16ZT-3003_Dim

• 根据面板设计选择适当的面板塞,并从面板前面安装。面板切割尺 寸与操作单元的切割尺寸相同。

限位圈

A165E 外形尺寸 23 A165E_Dim1

紧固工具
A16Z-3004

A165E 外形尺寸 24 A16Z-3004_Dim

端子配置

A165E 外形尺寸 25 A165E_dim2

注: 不带灯的型号未配备L+和L−端子。

APP下载

星空(中国)一站式服务官网FA世界