Page top

A3P

带灯按钮开关(正方形)

A3P

大型方体型系列

A3P系列部分产品已于2025年3月底订货截止。A3PA-7030、A3PA-7031、A3PJ-5702-06E、A3PJ-70□0系列预定于2026年3月底订货截止。

(单位:mm)

显示开关输出数2c的外形尺寸。

长方形/A3PJ

A3P 外形尺寸 3 A3PJ_Dim

正方形/A3PA

A3P 外形尺寸 5 A3PA_Dim

圆形/A3PT

A3P 外形尺寸 7 A3PT_Dim

注. #110快速连接端子和焊接端子的厚度为0.5mm。
未指定的尺寸公差为±0.4mm。

面板切割图

(如果使用开关防护或防尘盖,请参见样本的面板切割图。)

长方形/A3PJ

A3P 外形尺寸 12 A3PJ_Panel Cutout_Dim

注1. n为开关的安装数量。
    2. 建议面板厚度为1~5mm。
    3. 安装开关防护前安装面板。
    4. 对面板进行表面处理(如喷漆),应确保面板在喷涂后符合指定的切割尺寸。

正方形/A3PA

A3P 外形尺寸 15 A3PA_Panel Cutout_Dim

注1. n为开关的安装数量。
    2. 建议面板厚度为1~5mm。
    3. 安装开关防护前安装面板。
    4. 对面板进行表面处理(如喷漆),应确保面板在喷涂后符合指定的切割尺寸。

圆形/A3PT

A3P 外形尺寸 18 A3PT_Panel Cutout_Dim

注1. 建议面板厚度为1~5mm。
    2. 对面板进行表面处理(如喷漆),应确保面板在喷涂后符合指定的切割尺寸。。

附件安装尺寸

铭牌

长方形
A3PJ-5201、-5202

A3P 外形尺寸 22 A3PJ-5201_Dim

正方形
A3PA-5201、-5202

A3P 外形尺寸 23 A3PA-5201_Dim

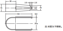
更换工具

A3PJ-5080

A3P 外形尺寸 26 A3PJ-5080_Dim

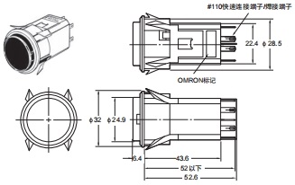
插座安装尺寸

长方形A3PJ (M2PJ)

绕接端子
A3PJ-4101

A3P 外形尺寸 30 A3PJ-4101_Dim

PCB端子
A3PJ-4102

A3P 外形尺寸 32 A3PJ-4102_Dim

焊接端子
A3PJ-4103

A3P 外形尺寸 34 A3PJ-4103

方形型号A3PA (M2PA)

绕接端子
A3PA-4101

A3P 外形尺寸 37 A3PA-4101_Dim

PCB端子
A3PA-4102

A3P 外形尺寸 39 A3PA-4102_Dim

焊接端子
A3PA-4103

A3P 外形尺寸 41 A3PA-4103_Dim

注. PCB切割尺寸为开关本体以“OMRON”标记朝下的状态安装到插座的显示。
未指定的尺寸公差为±0.4mm。

开关防护安装尺寸

长方形
A3PJN-5050(水平安装)

A3P 外形尺寸 45 A3PJN-5050_Dim

正方形
A3PAN-5050(水平安装)

A3P 外形尺寸 47 A3PAN-5050_Dim

防尘盖安装尺寸

长方形
A3PJ-5060

A3P 外形尺寸 50 A3PJ-5060_Dim

正方形
A3PA-5060

A3P 外形尺寸 52 A3PA-5060_Dim

注1. 建议面板厚度t=1~5mm。
2. 未指定的尺寸公差为±0.4mm。

APP下载

星空(中国)一站式服务官网FA世界