Page top

D4N

安全限位开关

D4N

广受好评的安全限位开关可以提供全 系列符合国际标准的产品。

D4N部分产品已于2023年3月底订货截止。D4N系列部分产品预定于2025年3月底订货截止。

(单位:mm)

开关

1导管型

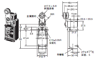
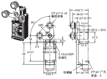
滚珠摆杆型(树脂摆杆,树脂滚珠)
D4N-1□20 D4N-2□20
D4N-4□20 D4N-9□20 *

D4N 外形尺寸 3

滚珠摆杆型(金属摆杆,树脂滚珠)
D4N-1□22 D4N-2□22
D4N-4□22 D4N-9□22 *

D4N 外形尺寸 4

滚珠摆杆型(树脂摆杆,金属滚珠)
D4N-1□25 D4N-2□25
D4N-4□25 D4N-9□25*

D4N 外形尺寸 6

滚珠摆杆型(金属摆杆,轴承滚珠)
D4N-1□26 D4N-2□26
D4N-4□26 D4N-9□26 *

D4N 外形尺寸 7

注: 除非特别说明,所有外形尺寸的公差为±0.4mm。
* M12连接器的具体内容请参见Catalog

速动型(1NC/1NO)(2NC),慢动型(2NC)(3NC)

D4N 外形尺寸 9

注: 2NC、2NC/1NO及3NC接点的开路/闭路动作的同时性会有参差。请检查接点的操作。
*1. 仅限速动型。
*2. 为参考值。
*3. 为了安全使用,请确保所有值在最大或最小范围内。

慢动型(1NC/1NO)(2NC/1NO)

D4N 外形尺寸 11

*1. 为参考值。
*2. 仅限MBB型。(D4N-□E□□或D4N-□F□□)
*3. 为了安全使用,请确保所有值在最大或最小范围内。

柱塞型
D4N-1□31 D4N-2□31
D4N-4□31 D4N-9□31 *

D4N 外形尺寸 14

滚珠柱塞型
D4N-1□32 D4N-2□32
D4N-4□32 D4N-9□32 *

D4N 外形尺寸 15

 

单侧悬臂滚珠摆杆型(水平)
D4N-1□62 D4N-2□62
D4N-4□62 D4N-9□62 *

D4N 外形尺寸 17

单侧悬臂滚珠摆杆型(垂直)
D4N-1□72 D4N-2□72
D4N-4□72 D4N-9□72 *

D4N 外形尺寸 18

注: 除非特别说明,所有外形尺寸的公差为±0.4mm。
* M12连接器的具体内容请参见Catalog

速动型(1NC/1NO)(2NC),慢动型(2NC)(3NC)

D4N 外形尺寸 21

注: 2NC、2NC/1NO及3NC接点的开路/闭路动作的同时性会有参差。请检查接点的操作。
*1. 仅限速动型。
*2. 为参考值。
*3. 为保证安全使用,请确保所有值在最大或最小范围内。

慢动型(1NC/1NO)(2NC/1NO)

D4N 外形尺寸 24

*1. 为参考值。
*2. 仅限MBB型。(D4N-□E□□或D4N-□F□□)
*3. 为了安全使用,请确保所有值在最大或最小范围内。

可调滚珠摆杆,锁定型(金属摆杆,树脂滚珠)
D4N-1□2G D4N-2□2G
D4N-4□2G D4N-9□2G *

D4N 外形尺寸 26

可调滚珠摆杆,锁定型(金属摆杆,橡胶滚珠)
D4N-1□2H D4N-2□2H
D4N-4□2H D4N-9□2H *

D4N 外形尺寸 27

注: 除非特别说明,所有外形尺寸的公差为±0.4mm。
* M12连接器的具体内容请参见下表。

速动型(1NC/1NO)(2NC),慢动型(2NC)(3NC)

D4N 外形尺寸 31

注: 2NC、2NC/1NO及3NC接点的开路/闭路动作的同时性会有参差。请检查接点的操作。
*1. 这些开关的动作特性是在将滚珠摆杆设定在32mm时测得。
*2. 仅限速动型。
*3. 为参考值。
*4. 为了安全使用,请确保所有值在最大或最小范围内。

慢动型(1NC/1NO)(2NC/1NO)

D4N 外形尺寸 34

*1. 这些开关的动作特性是在将滚珠摆杆设定在32mm时测得。
*2. 为参考值。
*3. 仅限MBB型。(D4N-□E□□或D4N-□F□□)
*4. 为了安全使用,请确保所有值在最大或最小范围内。

1导管M12连接器
D4N-9□□□

D4N 外形尺寸 37

叉杆摆杆锁定型(右操作)*2
D4N-2□RE
D4N-4□RE

D4N 外形尺寸 38

叉杆摆杆锁定型(左操作)*2
D4N-2□LE
D4N-4□LE

D4N 外形尺寸 39

 

触须型*2
D4N-2□80
D4N-4□80

D4N 外形尺寸 41

塑料棒型*2
D4N-2□87
D4N-4□87

D4N 外形尺寸 42

注: 除非特别说明,所有外形尺寸的公差为±0.4mm。
*1. 不锈钢线和树脂棒的可用范围为距离端点35mm以下,总行程70mm以下。
*2. 在结构方面,该开关更倾向于通用限位开关,而不是安全限位开关。

慢动型(1NC/1NO)(2NC/1NO)(2NC)(3NC)

D4N 外形尺寸 44

注: 2NC、2NC/1NO及3NC接点的闭路/开路动作的同时性会有参差。请检查接点的操作。

速动型(1NC/1NO)(2NC),慢动型(2NC)(3NC)

D4N 外形尺寸 46

2导管型

滚珠摆杆型(树脂摆杆,树脂滚珠)
D4N-6□20
D4N-8□20

D4N 外形尺寸 48

滚珠摆杆型(金属摆杆,树脂滚珠)
D4N-6□22
D4N-8□22

D4N 外形尺寸 49

 

柱塞型
D4N-6□31
D4N-8□31

D4N 外形尺寸 51

滚珠柱塞型
D4N-6□32
D4N-8□32

D4N 外形尺寸 52

注: 除非特别说明,所有外形尺寸的公差为±0.4mm。

速动型(1NC/1NO)(2NC),慢动型(2NC)(3NC)

D4N 外形尺寸 54

注: 2NC、2NC/1NO及3NC接点的闭路/开路动作的同时性会有参差。请检查接点的操作。
*1. 仅限速动型。
*2. 为参考值。
*3. 为了安全使用,请确保所有值在最大或最小范围内。

慢动型(1NC/1NO)(2NC/1NO)

D4N 外形尺寸 56

*1. 为参考值。
*2. 仅限MBB型。(D4N-□E□□或D4N-□F□□)
*3. 为了安全使用,请确保所有值在最大或最小范围内。

单侧悬臂滚珠摆杆型(水平)
D4N-6□62
D4N-8□62

D4N 外形尺寸 58

单侧悬臂滚珠摆杆型(垂直)
D4N-6□72
D4N-8□72

D4N 外形尺寸 59

 

可调滚珠摆杆,锁定型(金属摆杆,树脂滚珠)
D4N-6□2G
D4N-8□2G

D4N 外形尺寸 61

可调滚珠摆杆,锁定型(金属摆杆,橡胶滚珠)
D4N-6□2H
D4N-8□2H

D4N 外形尺寸 62

注: 除非特别说明,所有外形尺寸的公差为±0.4mm。

速动型(1NC/1NO)(2NC),慢动型(2NC)(3NC)

D4N 外形尺寸 64

注: 2NC、2NC/1NO及3NC接点的闭路/开路动作的同时性会有参差。请检查接点 的操作。
*1. 这些开关的动作特性是在将滚珠摆杆设定在30mm时测得。
*2. 这些开关的动作特性是在将滚珠摆杆设定在31mm时测得。
*3. 仅限速动型。
*4. 为参考值。
*5. 为了安全使用,请确保所有值在最大或最小范围内。

慢动型(1NC/1NO)(2NC/1NO)

D4N 外形尺寸 66 D4N_Operating characteristics12

*1. 这些开关的动作特性是在将滚珠摆杆设定在30mm时测得。
*2. 这些开关的动作特性是在将滚珠摆杆设定在31mm时测得。
*3. 为参考值。
*4. 仅限MBB型。(D4N-□E□□或D4N-□F□□)
*5. 为了安全使用, 请确保所有值在最大或最小范围内。

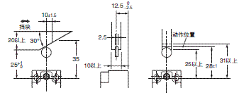
摆杆

挡块的角度、位置请参见下图(来源:EN50047):

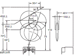
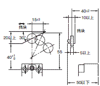
滚珠摆杆型
(D4N-□□20)

D4N 外形尺寸 71

可调滚珠摆杆,锁定型
(金属摆杆,树脂滚珠)
(D4N-□□2G)(参考值)

D4N 外形尺寸 72

可调滚珠摆杆,锁定型
(金属摆杆,橡胶滚珠)
(D4N-□□2H)(参考值)

D4N 外形尺寸 73

密封柱塞型
(D4N-□□31)

D4N 外形尺寸 74

滚珠柱塞型
(D4N-□□32)

D4N 外形尺寸 75

 

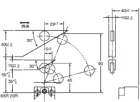
单侧悬臂滚珠摆杆型(水平)
(D4N-□□62)

D4N 外形尺寸 77

单侧悬臂滚珠摆杆型(垂直)(参考值)
(D4N-□□72)

D4N 外形尺寸 78

 

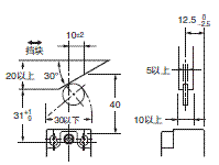
叉杆摆杆锁定型(右操作)
(D4N-□□RE)

D4N 外形尺寸 80

叉杆摆杆锁定型(左操作)
(D4N-□□LE)

D4N 外形尺寸 81

注: 除非特别说明,所有外形尺寸的公差为±0.4mm。

APP下载

星空(中国)一站式服务官网FA世界