Page top

D4N-□R

手动复位安全限位开关

D4N-□R

手动复位型系列产品全新上市

D4N-□R部分产品已于2022年3月底订货截止。D4N-R系列部分产品预定于2025年3月底订货截止。

(单位:mm)

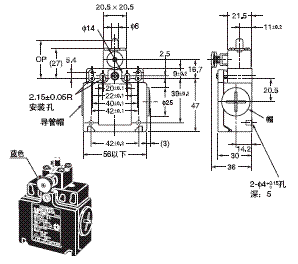
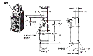
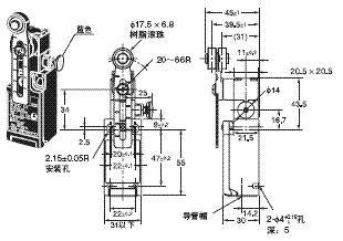
开关

1导管型

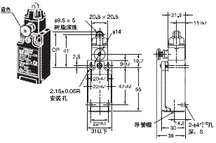
滚珠摆杆型(树脂摆杆,树脂滚珠)
D4N-1□20R, D4N-2□20R,
D4N-4□20R, D4N-9□20R*

D4N-□R 外形尺寸 4 D4N-1[]20R_Dim

可调滚珠摆杆,锁定型(金属摆杆,树脂滚珠)
D4N-1□2GR, D4N-2□2GR,
D4N-4□2GR, D4N-9□2GR*

D4N-□R 外形尺寸 5 D4N-1[]2GR_Dim

 

可调滚珠摆杆,锁定型(金属摆杆,树脂滚珠)
D4N-1□2HR, D4N-2□2HR,
D4N-4□2HR, D4N-9□2HR*

D4N-□R 外形尺寸 7 D4N-1[]2HR_Dim

1导管M12连接器
D4N-9□□□R

D4N-□R 外形尺寸 8 D4N-9[][][]R_Dim

注: 除非特别说明,所有外形尺寸的公差为±0.4mm。
*有关1导管M12连接器的具体内容请参见右上方图示。

D4N-□R 外形尺寸 10 D4N-[]R_Fig1

注: 2NC、2NC/1NO及3NC接点的闭路/开路动作的同时性会有参差。请检查 接点的操作。
*1. 这些开关的动作特性是在将滚珠摆杆设定在32mm时测得。
*2. NC接点为断开(OFF)状态时的PT值。
*3. 当NO接点为闭路(ON)时,这些PT值可作为参考值。(仅限1NC/1NO型)
*4. 为参考值。
*5. 为了安全使用,请确保所有值在最大或最小范围内。

柱塞型
D4N-1□31R, D4N-2□31R,
D4N-4□31R, D4N-9□31R*

D4N-□R 外形尺寸 12 D4N-1[]31R_Dim

滚珠柱塞型
D4N-1□32R, D4N-2□32R,
D4N-4□32R, D4N-9□32R*

D4N-□R 外形尺寸 13 D4N-1[]32R_Dim

 

单侧悬臂滚珠型(水平)
D4N-1□62R, D4N-2□62R,
D4N-4□62R, D4N-9□62R*

D4N-□R 外形尺寸 15 D4N-1[]62R_Dim

单侧悬臂滚珠型(垂直)
D4N-1□72R, D4N-2□72R,
D4N-4□72R, D4N-9□72R*

D4N-□R 外形尺寸 16 D4N-1[]72R_Dim

注: 除非特别说明,所有外形尺寸的公差为±0.4mm。
*有关1导管M12连接器的具体内容请参见Catalog.

D4N-□R 外形尺寸 18 D4N-[]R_Fig2

注: 2NC、2NC/1NO及3NC接点的开路/闭路动 作的同时性会有参差。请检查接点的操作。
*1. NC接点为断开(OFF)状态时的PT值。
*2. 当NO接点为闭路(ON)时,这些PT值可作为 参考值。(仅限1NC/1NO型)
*3. 为参考值。
*4. 为了安全使用,请确保所有值在最大或最小 范围内。

2导管型

滚珠摆杆型(树脂摆杆,树脂滚珠)
D4N-6□20R
D4N-8□20R

D4N-□R 外形尺寸 21 D4N-5[]20R_Dim

可调滚珠摆杆,锁定型(金属摆杆,树脂滚珠)
D4N-6□2GR
D4N-8□2GR

D4N-□R 外形尺寸 22 D4N-5[]2GR_Dim

可调滚珠摆杆,锁定型(金属摆杆,橡胶滚珠)
D4N-6□2HR
D4N-8□2HR

D4N-□R 外形尺寸 24 D4N-5[]2HR_Dim
D4N-□R 外形尺寸 25 D4N-[]R_Fig3

注: 2NC、2NC/1NO及3NC接点的闭路/开路动作的同时性会 有参差。请检查接点的操作。
*1. NC接点为断开(OFF)状态时的PT值。
*2. 当NO接点为闭路(ON)时,这些PT值可作为参考值。(仅 限1NC/1NO型)
*3. 为参考值。
*4. 为了安全使用,请确保所有值在最大或最小范围内。

柱塞型
D4N-6□31R
D4N-8□31R

D4N-□R 外形尺寸 27 D4N-5[]31R_Dim

滚珠柱塞型
D4N-6□32R
D4N-8□32R

D4N-□R 外形尺寸 28 D4N-5[]32R_Dim

 

单侧悬臂滚珠型(水平)
D4N-6□62R
D4N-8□62R

D4N-□R 外形尺寸 30 D4N-5[]62R_Dim

单侧悬臂滚珠型(垂直)
D4N-6□72R
D4N-8□72R

D4N-□R 外形尺寸 31 D4N-5[]72R_Dim
D4N-□R 外形尺寸 32 D4N-[]R_Fig4

注: 2NC、2NC/1NO及3NC接点的开路/闭路动作的同时性会有参差。 请检查接点的操作。
*1. NC接点为断开(OFF)状态时的PT值。
*2. 当NO接点为闭路(ON)时,这些PT值可作为参考值。 (仅限1NC/1NO型)
*3. 为参考值。
*4. 为了安全使用,请确保所有值在最大或最小范围内。

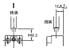
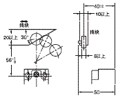
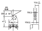
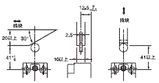
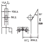
摆杆

关于挡块的角度和位置信息, 请参见下图。

滚珠摆杆型
(D4N-□□20R)

D4N-□R 外形尺寸 36 D4N-[][]20R_Dim

可调滚珠摆杆,锁定型(金属摆杆,树脂滚珠)
(D4N-□□2GR)

D4N-□R 外形尺寸 37 D4N-[][]2GR_Dim

可调滚珠摆杆,锁定型(金属摆杆,橡胶滚珠)
(D4N-□□2HR)

D4N-□R 外形尺寸 39 D4N-[][]2HR_Dim

密封柱塞型
(D4N-□□31R)

D4N-□R 外形尺寸 40 D4N-[][]31R_Dim

滚珠柱塞型
(D4N-□□32R)

D4N-□R 外形尺寸 41 D4N-[][]32R_Dim

 

单侧悬臂滚珠型(水平)
(D4N-□□62R)

D4N-□R 外形尺寸 43 D4N-[][]62R_Dim

单侧悬臂滚珠型(垂直)
(D4N-□□72R)

D4N-□R 外形尺寸 44 D4N-[][]72R_Dim
APP下载

星空(中国)一站式服务官网FA世界