Page top

ZS-L

2D CMOS激光型

ZS-L

适合各种高精度检测的标准传感器位移测量,包括点检测、大范围检测和长距离检测

ZS-L系列部分产品预定于2021年1月底订货截止。

(单位:mm)

传感器控制器

ZS-HLDC□1/LDC□1

ZS-L 外形尺寸 3 ZS-LDC□1_Dim

多通道控制器

ZS-MDC□1

ZS-L 外形尺寸 6 ZS-MDC□1_Dim

数据存储单元

ZS-DSU□1

ZS-L 外形尺寸 9 ZS-DSU□1_Dim

传感器头

ZS-HLDS2T

ZS-L 外形尺寸 11

ZS-HLDS5T/HLDS10

ZS-L 外形尺寸 12

ZS-HLDS60/HLDS150

ZS-L 外形尺寸 13

ZS-LD10GT

ZS-L 外形尺寸 15 ZS-LD10GT_Dim

ZS-LD15GT

ZS-L 外形尺寸 17 ZS-LD15GT_Dim

ZS-LD50/LD50S/LD80/LD130/LD200/LD350S

ZS-L 外形尺寸 19 ZS-LD50_Dim

注: ZS-LD50/50S型:L = 50,A = 30°
ZS-LD80型:L = 80,A = 15°
ZS-LD130型:L = 130,A = 12°
ZS-LD200型:L = 200,A = 8°
ZS-LD350S型:L = 350,A = 5°

ZS-LD20T/LD20ST/LD40T

ZS-L 外形尺寸 21 ZS-LD20T_Dim

注:ZS-HLDS2VT型:L = 25,A = 34.5°
ZS-LD20T/20ST型:L = 20,A = 45°
ZS-LD40T型:L = 40,A = 32°

实时并行输出单元

ZG-RPD□1-N

ZS-L 外形尺寸 23

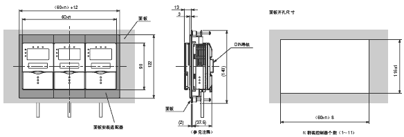
面板安装适配器

ZS-XPM1/XPM2 (面板安装尺寸)

ZS-L 外形尺寸 26 ZS-XPM1_Dim

注:面板厚度为0.2mm的尺寸图。

数字均衡器

ZS-XEQ

ZS-L 外形尺寸 29 ZS-XEQ_Dim
ZS-L 外形尺寸 30
APP下载

星空(中国)一站式服务官网FA世界