Page top

2022/06 生产终止

E2C-EDA

放大器分离型接近传感器(高精度数字型)

E2C-EDA

放大器分离接近传感器可简单设定高 精度的灵敏度

该页面所登载的内容是基于生产终止以前的产品样本制作而成的参考信息,产品的特点/种类/规格/配件等可能与现在所使用的不同。请在使用时确认系统的兼容性及安全性。

(单位:mm)

传感头

E2C-EDR6-F

E2C-EDA 外形尺寸 2

E2C-ED01(-F)

E2C-EDA 外形尺寸 3

E2C-ED02(-F)

E2C-EDA 外形尺寸 4

E2C-EM02(-F)

E2C-EDA 外形尺寸 5

E2C-EM07M(-F)

E2C-EDA 外形尺寸 6

E2C-EV05(-F)

E2C-EDA 外形尺寸 7

E2C-EM02H

E2C-EDA 外形尺寸 8

传感头 延长导线

E22-XC2R
E22-XC7R

E2C-EDA 外形尺寸 10

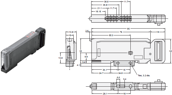
放大器单元

导线引出型
E2C-EDA11
E2C-EDA21
E2C-EDA41
E2C-EDA51

E2C-EDA 外形尺寸 12

省配线接插件型
E2C-EDA6
E2C-EDA7
E2C-EDA8
E2C-EDA9

E2C-EDA 外形尺寸 13

传感器通信单元用接插件型
E2C-EDA0

E2C-EDA 外形尺寸 14
APP下载

星空(中国)一站式服务官网FA世界