Page top

2022/02 生产终止

NS系列

可编程终端

NS系列

绝佳的整合让设备操作更简单

该页面所登载的内容是基于生产终止以前的产品样本制作而成的参考信息,产品的特点/种类/规格/配件等可能与现在所使用的不同。请在使用时确认系统的兼容性及安全性。

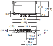
(单位:mm)

NS15

NS系列 外形尺寸 2 NS15_Dim

NS12/10

NS系列 外形尺寸 4 NS12/10_Dim

NS8

NS系列 外形尺寸 5 NS8_Dim

NS5

NS系列 外形尺寸 6 NS5_Dim

手持NS5

NS系列 外形尺寸 8 Hand-held NS5_Dim

NS-CA001
视频输入单元

NS系列 外形尺寸 9 NS-CA001_Dim

NS-CA002
视频输入单元

NS系列 外形尺寸 10 NS-CA002_Dim

NS-CLK21
控制器链接接口单元

NS系列 外形尺寸 12 NS-CLK21_Dim
APP下载

星空(中国)一站式服务官网FA世界