| 项目 容量 | 15W | 30W | 50W | 100W | 150W | ||
|---|---|---|---|---|---|---|---|
| 効率 | 5V型 | 75%以上 | 75%以上 | 80%以上 | 81%以上 | 81%以上 | |
| 12V型 | 78%以上 | 79%以上 | 79%以上 | 81%以上 | 81%以上 | ||
| 15V型 | 78%以上 | 79%以上 | 79%以上 | 81%以上 | 81%以上 | ||
| 24V型 | 80%以上 | 81%以上 | 80%以上 | 82%以上 | 83%以上 | ||
| 输
入 条 件 |
电压范围 *1 | AC100~240V(AC85~265V) | |||||
| 频率 *1 | 50/60Hz(47~63Hz) | ||||||
| 电流 | 100V输入时 | 0.5A以下 | 0.9A以下 | 0.8A以下 | 1.4A以下 | 2.0A以下 | |
| 200V输入时 | 0.25A以下 | 0.45A以下 | 0.4A以下 | 0.7A以下 | 1.0A以下 | ||
| 功率因数 | 100V输入时 | - | 0.98以上 | ||||
| 200V输入时 | 0.94以上 | ||||||
| 高次谐波电流抑制 | - | 符合EN61000-3-2 | |||||
| 漏电流 | 100V输入时 | 0.4mA以下 | |||||
| 200V输入时 | 0.75mA以下 | ||||||
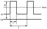
| 浪涌电流*2 | 100V输入时 | 17.5A以下(25℃、冷启动时) | |||||
| 200V输入时 | 35A以下(25℃、冷启动时) | ||||||
| 输
出 特 性 |
电压可调范围 *3 | -20~+20%(使用V.ADJ)(S8VM-□□□24A□/P□型为-10~+20%) | |||||
| 纹波噪音电压 | 3.2%(p-p)以下(5V)
1.5%(p-p)以下(12V) 1.2%(p-p)以下(15V) 1.0%(p-p)以下(24V) |
3.2%(p-p)以下(5V)
1.5%(p-p)以下(12V) 1.2%(p-p)以下(15V) 0.75%(p-p)以下(24V) |
|||||
| 输入变动 | 0.4%以下(输入AC85~265V 100%负载时) | ||||||
| 负载变化
(额定输入电压) |
0.8%以下(额定输入、0~100%负载时) | ||||||
| 温度变动 | 0.02%/℃以下 | ||||||
| 启动时间 *2 | 1,100ms以下(额定输入/输出) | 800ms以下(额定输入/输出) | |||||
| 输出保持时间 *2 | 20ms typ.(15ms以上)(额定输入/输出) | ||||||
| 附
带 功 能 |
过电流保护 *2 | 额定输出电流的105~160%、
へ字型下垂、间歇动作型、自动复位 |
额定输出电流的105~160%、
倒L下垂型(12,15,24V型)、 倒L下垂 、 间歇动作型(5V型)、自动复位 |
||||
| 过电压保护 *2 | 有 * 4 | ||||||
| 欠压检测表示 | 有(颜色:黄色(DC LOW1)、红色(DC LOW2))(仅限S8VM-□□□24A□/P□型) | ||||||
| 欠压检测输出 | 无 | 有(仅限S8VM-□□□24A□/P□型)
集电极开路输出DC30V max. 50mA max. *8 |
|||||
| 电源故障检测显示 | 无 | ||||||
| 电源故障检测输出 | 无 | ||||||
| 直列运转 | 可(最多2台、需要外接二极管) | ||||||
| 并列运转 | 不可(可以备份运行,需外接二极管) | ||||||
| 遥感 | 不可 | 可 | |||||
| 其
他 |
使用环境温度 | 参见衰减曲线*2(无结冰、结露) | |||||
| 储存温度 | -25~+65℃ | ||||||
| 使用环境湿度 | 30~85%(储存湿度25~90%) | ||||||
| 耐电压 | AC3.0kV 1min(所有输入)和(所有输出)之间(检测电流20mA)
AC2.0kV 1min(所有输入)和( AC500V 1min(所有输出)和( AC500V 1min(所有输出(不包括检测输出端子)) 和(所有检测输出端子)之间(检测电流20mA) (仅限S8VM-□□□24A□/P□型) |
||||||
| 绝缘电阻 | 100MΩ以上(所有输出)和(所有输入、 |
||||||
| 耐振动 | 10~55Hz 单振幅0.375mm
3个方向 各2h,无异常 |
||||||
| 耐冲击 | 150m/s2 6个方向 各3次,无异常 | ||||||
| 输出指示灯 | 有(颜色:绿色) | ||||||
| 杂音端子电压 | 符合EN55011 Group1 Class B、依据FCC ClassB *5 | ||||||
| 放射妨害电场强度 | 符合EN55011 Group1 Class B *6 | ||||||
| 安全标准 | UL: UL508(Listing)、UL60950-1
cUL: CSA C22.2 No.14 cUR: CSA No.60950-1 EN: EN50178、EN60950-1 |
||||||
| SEMI标准 | SEMI F47-0200(200V输入时) | ||||||
| 质量*7 | 180g以下 | 220g以下 | 290g以下 | 460g以下 | 530g以下 | ||
400-820-4535


沪公网安备 31011502002231号