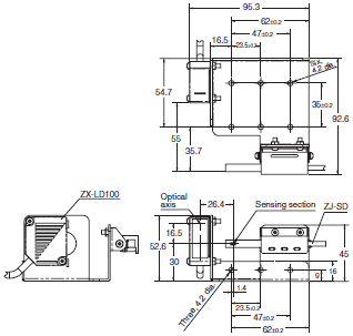
| 形状 | 测量距离 | 型号 |
|---|---|---|
![]() |
5~100mm | ZJ-SD100 |
智能静电传感器
ZJ-SD系列、ZJ-SF系列、ZJ-SW11、ZJ-XBU1预定于2026年3月底订货截止。
信息更新: 2013年3月25日
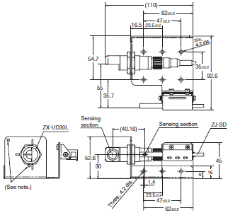
| 形状 | 测量距离 | 型号 |
|---|---|---|
![]() |
5~100mm | ZJ-SD100 |
| 形状 | 电源 | 输出方式 | 型号 |
|---|---|---|---|
![]() |
DC | NPN出力 | ZJ-SDA11 |
| 形状 | 型号 |
|---|---|
![]() |
ZX-CAL2 |
| 形状 | 名称 | 型号 |
|---|---|---|
+CD-ROM |
通信接口单元+
设定、显示用软件 |
ZJ-SFW11 |
| 形状 | 型号 | 备注 |
|---|---|---|
![]() |
ZX-XBT1 | 各传感器部附带。 |
![]() |
ZX-XBT2 | DIN导轨
安装用 |
| 导线长 | 型号 | 数量 |
|---|---|---|
| 1m | ZX-XC1A | 1根 |
| 4m | ZX-XC4A | |
| 8m | ZX-XC8A |
| 形状 | 型号 | 备注 |
|---|---|---|
![]() |
ZJ-XBU1 | 用于通过位移传感器校
正距离时 |
信息更新: 2013年3月25日