Page top

G3PF

内置CT的固态继电器

G3PF

内置CT的新型SSR,可检测加热器 断线及SSR短路故障

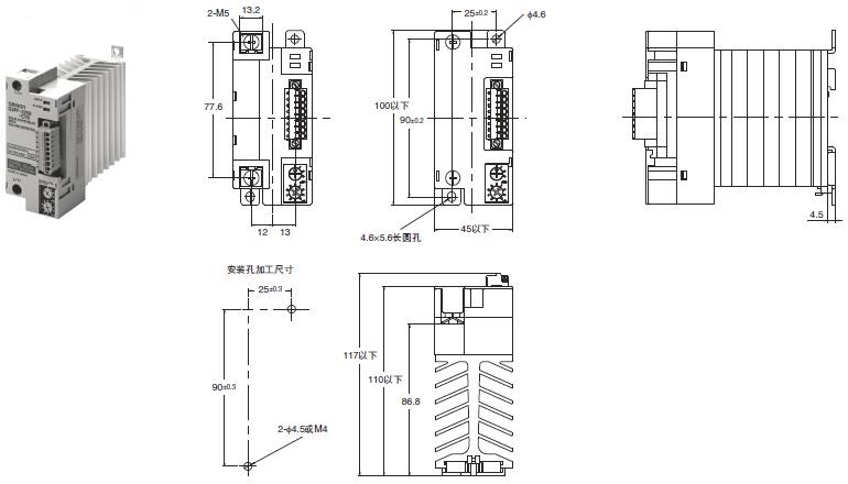
(单位:mm)

本体

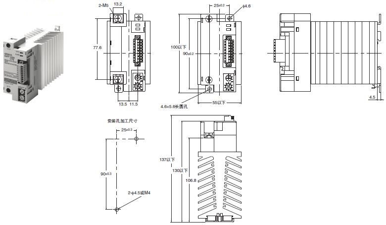
G3PF-□25B

G3PF 外形尺寸 3 G3PF-□25B_Dim

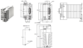
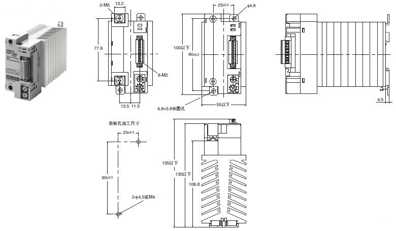
G3PF-□35B

G3PF 外形尺寸 5 G3PF-□35B_Dim

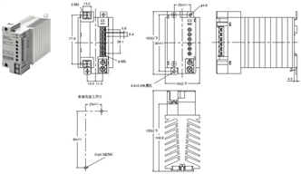
G3PF-□25B-CTB

G3PF 外形尺寸 7 G3PF-□25B-CTB_Dim

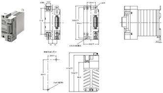
G3PF-□35B-CTB

G3PF 外形尺寸 9 G3PF-□35B-CTB_Dim

G3PF-□25B-STB

G3PF 外形尺寸 11 G3PF-□25B-STB_Dim

G3PF-□35B-STB

G3PF 外形尺寸 13 G3PF-□35B-STB_Dim
APP下载

星空(中国)一站式服务官网FA世界