Page top

H3YN

固态定时器

H3YN

采用与H3Y相同的形状,实现了多时间范围与多动作模式。并且符合EN标准

PYF08A,PYF14A系列部分产品预定于2021年3月底订货截止。

(单位:mm)

定时器本体

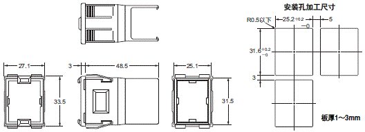
表面安装(插入型端子)

H3YN-2
H3YN-21

H3YN 外形尺寸 3

表面安装(插入型端子)

H3YN-4
H3YN-41
H3YN-4-Z
H3YN-41-Z

H3YN 外形尺寸 5

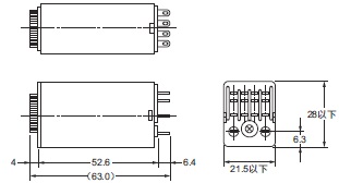
插座安装时的尺寸

H3YN 外形尺寸 6

注1: 对于安装的方向没有限制。
*1: ( )内为H3Y-4、H3YN-4/-41、H3YN-4-Z/-41-Z的连接插座。

选装件(另售)

适配器安装时的尺寸

Y92F-78

H3YN 外形尺寸 9

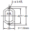
注1: 请按下适配器(Y92F-78)的挂钩直到其插入H3Y型、H3YN型的里面为止。
 2: 适配器(Y92F-78)的挂钩会挂得越来越不牢,因此请不要使面板背面孔太大。

连接插座安装板

PYP-1

H3YN 外形尺寸 11

PYP-18

H3YN 外形尺寸 12

固定支架

H3Y/H3YN系列(PYF□用)
Y92H-3
(2根1套)

H3YN 外形尺寸 14

Y92H-4(PY□、PYF□M用)

H3YN 外形尺寸 15

连接插座(另售)

H3Y/H3YN系列 表面连接插座

PYF08A

H3YN 外形尺寸 18

注: 也可进行导轨安装。

PYF14A

H3YN 外形尺寸 19

注: 也可进行导轨安装。

PYF08A-E
(手指保护结构)

H3YN 外形尺寸 20

注: 也可进行导轨安装。

PYF14A-E
(手指保护结构)

H3YN 外形尺寸 21

注: 也可进行导轨安装。

PYF08M

H3YN 外形尺寸 22

H3Y/H3YN系列 背面连接插座

PY08

H3YN 外形尺寸 24

PY14

H3YN 外形尺寸 25

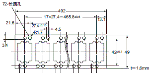
导轨安装用另售件

支承导轨

PFP-100N
PFP-50N

H3YN 外形尺寸 28

*( )内为PFP-50N的尺寸。􁉪􁈨􀇄

支承导轨

PFP-100N2

H3YN 外形尺寸 30

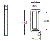
终端板

PFP-M

H3YN 外形尺寸 32

隔片

PFP-S

H3YN 外形尺寸 34
APP下载

星空(中国)一站式服务官网FA世界