Page top

S8JX-P

开关电源(300/600W型)

S8JX-P

带有EMI ClassB及功率因数校正的S8JX-P系列新增至S8JX系列。

S8JX-G/-P系列、S82Y部分产品于2019年3月底截止订货。

(单位:mm)

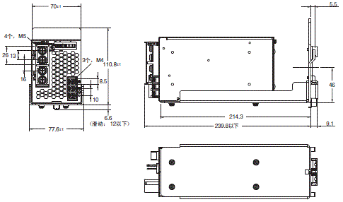
外形尺寸

正面安装行型

S8JX-P300□□C(300W)

S8JX-P 外形尺寸 3

S8JX-P300□□N(300W)

S8JX-P 外形尺寸 4

S8JX-P600□□C (600W)

S8JX-P 外形尺寸 5

S8JX-P600□□N (600W)

S8JX-P 外形尺寸 6

DIN导轨安装型

S8JX-P300□□CD (300W)

S8JX-P 外形尺寸 8

注: 将300W型安装到DIN导轨时,采用金属DIN导轨。

S8JX-P600□□CD (600W)

S8JX-P 外形尺寸 9

注: 将600W型安装到DIN导轨时,采用金属DIN导轨。

DIN导轨(另售)

终端板

PFP-M

S8JX-P 外形尺寸 12

注1. 如果将S8JX-P安装在DIN导轨上时,请使用钢质DIN导轨。
 2. 如果装置可能会滑到另一侧,则应在装置每侧安装终端板(PFP-M型)。

APP下载

星空(中国)一站式服务官网FA世界