| 名称 | 带有Fujitsu / OTAX连接器的16点DC输入/16点晶体管输出单元(漏型输出) | ||
|---|---|---|---|
| 型号 | CJ1W-MD231 | ||
| 输出部(CN1) | 输入部(CN2) | ||
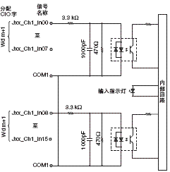
| 额定电压 | DC12~24V | 额定输入电压 | DC24V |
| 操作负载电压范围 | DC10.2V~DC26.4V | 操作输入电压 | DC20.4~26.4V |
| 最大负载电流 | 0.5A/点, 2.0A/单元 | 输入阻抗 | 3.3 kΩ |
| 最大冲击电流 | 4.0A/点, 10ms以下 | 输入电流 | 在DC24V时典型值为7mA |
| 漏电流 | 0.1mA以下 | ON电压/ON电流 | DC14.4V以上/3mA以上 |
| 残留电压 | 1.5V以下 | OFF电压/OFF电流 | DC5V以下/1mA以下 |
| ON响应时间 | 0.1ms以下 | ON响应时间 | 最大值8.0ms (可以在设定中设定为0到32之间的值。) * |
| OFF响应时间 | 0.8ms以下 | ||
| 回路号 | 16 (16点/公用, 1 回路) | OFF响应时间 | 最大值8.0ms (可以在设定中设定为0到32之间的值。) * |
| 保险丝 | 无 | ||
| 外部电源 | DC10.2~26.4V, 20mA (最小值) | 回路号 | 16 (16点/公用, 1回路) |
| 并发ON点数 | 75%(DC24V) | ||
| 绝缘电阻 | 20MΩ以上, 在外部端子和GR端子之间(DC100V) | ||
| 耐电压 | AC1,000V, 在外部端子和GR端子间并且一分钟内的最大漏电流为10mA | ||
| 内部电流消耗 | DC5V 130mA以下 | ||
| 质量 | 90g以下 | ||
| 附件 | 无 | ||
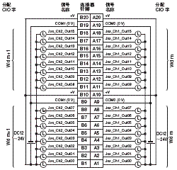
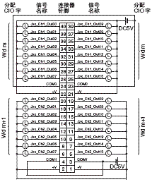
| 回路配置 | CN1 (OUT) | CN2 (IN) | |
![]() 端子的信号名称是设备的变量名称。 设备变量名称是将"Jxx"用作设备名称的名称。 |
![]() ![]() 端子的信号名称是设备的变量名称。 设备变量名称是将"Jxx"用作设备名称的名称。 |
||
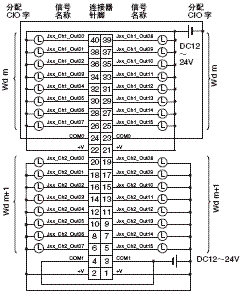
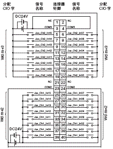
| 外部连接和端子-
设备变量图 |
CN1 (OUT) | CN2 (IN) | |
![]() 接线时,请注意外部电源的正负极。如果正负极接反,会导致负载操作错误。 确保同时对CN1的引脚A9和B9(COM0 (0V))接线。 确保同时对CN1的引脚A10和B10(+V)接线。 端子的信号名称是设备的变量名称。 设备变量名称是将"Jxx"用作设备名称的名称。 |
![]() 接线时,请注意外部电源的正负极。如果正负极接反,会导致负载操作错误。 请确保为CN2的引脚A9和B9(COM1)接线,并为两个引脚设定相同的电极。 端子的信号名称是设备的变量名称。 设备变量名称是将"Jxx"用作设备名称的名称。 |
||





























400-820-4535


沪公网安备 31011502002231号