Page top

2025/03 生产终止

H5CX-□-N

数字定时器

H5CX-□-N

显示更清晰、操作更简单。数字定时器性能进一步提升!

Y92P-CXT、Y92S-29已于2025年3月底订货截止。

该页面所登载的内容是基于生产终止以前的产品样本制作而成的参考信息,产品的特点/种类/规格/配件等可能与现在所使用的不同。请在使用时确认系统的兼容性及安全性。

(单位:mm)

H5CX-A□-N/-L□-N数字定时器

本体

定时器本体

H5CX-A-N/-AS-N (嵌入安装)

H5CX-□-N 外形尺寸 4

注: 端子螺钉为M3.5。(有效螺钉深度6mm)

H5CX-AD-N/-ASD-N (嵌入安装)

H5CX-□-N 外形尺寸 6

注: 端子螺钉为M3.5。(有效螺钉深度6mm)

H5CX-A11□-N (嵌入安装/表面安装)

H5CX-□-N 外形尺寸 8

H5CX-L8□-N (嵌入安装/表面安装)

H5CX-□-N 外形尺寸 9

适配器安装时的尺寸

H5CX-A-N/-AS-N (本体附带适配器、防水垫)

H5CX-□-N 外形尺寸 11

H5CX-AD-N/-ASD-N(本体附带适配器、防水垫)

H5CX-□-N 外形尺寸 12


H5CX-A11□-N (适配器、防水垫另售)

H5CX-□-N 外形尺寸 13


H5CX-L8□-N (适配器、防水垫另售)

H5CX-□-N 外形尺寸 14

面板切割

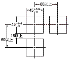
标准面板切割如下图所示。(依据DIN43700)

H5CX-□-N 外形尺寸 15

注1. 安装面板的厚度为1~5mm。

2. 考虑到作业效率,安装在适配器挂钩侧方向时,建议将安装间隔设在15mm以上(面板切割间隔60mm以上)。

3. 可进行并列紧密安装。计数器可以并列安装,但必须是沿着无钩子的方向。但紧密安装时无耐水功能。

H5CX-□-N 外形尺寸 16

插座安装时的尺寸

H5CX-□-N 外形尺寸 17

* 因DIN导轨的种类而异。(参考值)

H5CX-B□-N数字定时器

本体

定时器本体
H5CX-BWSD-N (嵌入安装型)

H5CX-□-N 外形尺寸 22

注: 端子螺钉为M3.5。(有效螺钉深度6mm)


适配器安装时的尺寸
H5CX-BWSD-N (本体附带适配器、防水垫)

H5CX-□-N 外形尺寸 23

面板切割

标准面板切割如下图所示。(依据DIN43700)

H5CX-□-N 外形尺寸 25

注1. 安装面板的厚度为1~5mm。
2. 为方便操作、建议安装适配器以使钩子和边界间距不小于15mm (面板切割间距60mm以上)。
3. 安装适配器后,可进行紧密安装。(仅限没有挂钩的方向)但紧密安装时无耐水功能。

H5CX-□-N 外形尺寸 26
APP下载

星空(中国)一站式服务官网FA世界