Page top

H5F

数字型全天式定时开关

H5F

全天时刻控制操作简便

(单位:mm)

本体

嵌入安装型(安装适配器 Y92F-30附带)
H5F-A/-B

H5F 外形尺寸 2

表面安装型
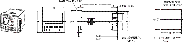
H5F-FA/-FB

H5F 外形尺寸 3

协约尺寸型
H5F-KA/-KB(纵向)
H5F-KAL(横向)

H5F 外形尺寸 5 H5F-FB_Dim
APP下载

星空(中国)一站式服务官网FA世界