Page top
快速链接到星空(中国)一站式服务官网其他国家/地区的网站。
星空(中国)一站式服务官网全球
请联系我们的欧洲总部。
中国(包括香港、澳门、台湾)
星空平台
产品资讯
自助服务
学习园地
新闻活动
关于星空(中国)一站式服务官网
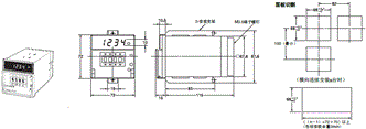
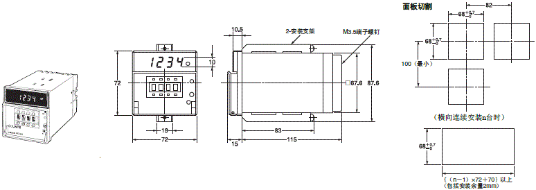
电子计数器(DIN72×72)
H7AN-(E)T4(M) DC12-24/ R(T)6(D) DC12-24/ (W)(E)4D(M) DC12-24于2015年3月停产。
信息更新: 2017年7月26日
(单位:mm)
(前面板部的样式为H7AN-4D。)
注1. 标准面板切割如右图所示。(依据DIN43700) 2. 可以安装的板厚为1~5mm。 3. 安装时,请使用附带的安装支架正确安装。追加订购配件时,型号为Y92H-5 (2个装)。
产品共通信息
星空(中国)一站式服务官网FA世界