Page top

2025/03 生产终止

H8PS

凸轮定位器

H8PS

简单易用、广受好评的小型凸轮定位 器, 功能大幅提升。

该页面所登载的内容是基于生产终止以前的产品样本制作而成的参考信息,产品的特点/种类/规格/配件等可能与现在所使用的不同。请在使用时确认系统的兼容性及安全性。

(单位:mm)

凸轮定位器

嵌入安装型
H8PS-8B□ (8点输出型)

H8PS 外形尺寸 3

H8PS-16B□ (16点输出型)
H8PS-32B□ (32点输出型)

H8PS 外形尺寸 5

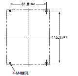
面板切口
(依据DIN 43700)

H8PS 外形尺寸 7

注:安装面板厚度范围必须为1~5mm。

嵌入安装

H8PS 外形尺寸 10

注:上图所示为8点输出型。采用16点/32点输出模式 从底部连接编码器。

表面安装型
H8PS-8BF□ (8点输出型)

H8PS 外形尺寸 13

H8PS-16BF□(16点输出型)
H8PS-32BF□(32点输出型)

H8PS 外形尺寸 15

安装孔

H8PS 外形尺寸 17
H8PS 外形尺寸 18

注1. 根据DIN导轨不同这些尺寸也不同(参考值)。
2. 上图所示为8点输出型。采用16点/32点输出模式从底部连接编码器。

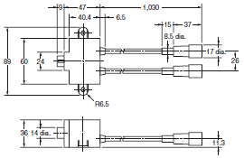
附件(另售)

并联输入适配器

Y92C-30

使用此适配器可以实现两个H8PS凸轮定位器共享来自同一编码器的信号。
注:H8PS于2004年4月进行了改进。
请勿混合使用改进前后的型号组装Y92C-30。
当使用2个H8PS时, 请使用“旧-旧” 组合或“新-新” 型号组合。

H8PS 外形尺寸 22 340

面板表面安装

H8PS 外形尺寸 23

面板背面安装

H8PS 外形尺寸 24

当并行输入适配器只连接一个H8PS凸轮定位器时请使用带有三角 标记的电缆。

H8PS 外形尺寸 26

防水盖
Y92A-96N

H8PS 外形尺寸 28

用于需要防水功能的嵌入式安装。
Y96A-96N符合IP66和NEMA4 (室内应用) 防水标准。
运行环境可能造成防水垫老化、收缩或硬化。因此, 建议定期更换防水垫。

安装支架

PFP-100N
PFP-50N

H8PS 外形尺寸 31

PFP-100N2

H8PS 外形尺寸 32

* ()括号内的数字为PFP-50N的尺寸。

终端板
PFP-M

H8PS 外形尺寸 34

隔片
PFP-S

H8PS 外形尺寸 35
APP下载

星空(中国)一站式服务官网FA世界