Page top

CJ2M-CPU3□ / CPU1□/ MD21□

CJ系列CJ2M CPU单元, 脉冲I/O模块

CJ2M-CPU3□ / CPU1□/ MD21□

2001年以来,应用丰富的CJ1M系列PLC已遍及各地。现在,凭借不断累计的经验以及技术的进步,星空(中国)一站式服务官网带来了全新CJ2M,提供全面的兼容性能。

CJ2M-CPU3□预定于2023年5月底订货截止。

一般规格

项目 CJ2M-
CPU1[] CPU3[]
防护 柜内安装型
接地 低于100Ω
CPU单元外形尺寸 90mm × 75mm × 31mm 90mm × 75mm × 62mm
质量 130g或更少 190g 或更少 *2
电流消耗 DC5V, 0.5A DC5V, 0.7A
操作
环境
使用环境温度 0~55°C
使用环境湿度 10%~90% (无结露)
环境 必须远离腐蚀性气体。
存储环境温度 -20~70°C (不包括电池)
海拔高度 2,000m或更少
污染度 2或更少:符合IEC 61010-2-201
抗干扰性 电源线2kV (符合IEC 61000-4-4标准。)
过电压类别 类别2:符合IEC 61010-2-201
EMC抗扰度电平 B区
耐振动 符合IEC60068-2-6标准
5~8.4Hz, 振幅3.5mm;8.4~150Hz
100分钟内X、Y和Z轴方向加速度9.8m/s2
(每10分钟10次扫频 = 100分钟(总计))
耐冲击 符合IEC60068-2-27标准
147m/s2, X、Y和Z轴方向3倍(继电器输出单元100m/s2)
电池 寿命 25°C时5年
型号 CJ1W-BAT01
适用标准 符合cULus、NK、LR和EC指令。

*1. 包括端盖和电池的质量。
*2. 无串行选件板。

性能规格

项目 CJ2M-
CPU11/31 CPU12/32 CPU13/33 CPU14/34 CPU15/35
用户存储器 5K步 10K步 20K步 30K步 60K步
I/O位数 2,560位
处理速度 开销处理时间 通常模式:
CJ2M-CPU3□:270μs *
CJ2M-CPU1□:160μs *
* 将EtherNet/IP标签数据链接用于CJ2M-CPU3□时必须添加以下时间。
100μs + (传送字数 × 1.8μs)
在CJ2M CPU单元中使用脉冲I/O模块时必须添加以下时间:
10μs × 脉冲I/O模块数
执行时间 基本指令:0.04μs (最小值)
专用指令:0.06μs (最小值)
中断 I/O中断和外部中断 中断任务启动时间:31μs
循环任务的返回时间:10μs
定时中断 最小时间间隔:0.4ms (以0.1ms增量设定)
中断任务启动时间:30μs
循环任务的返回时间:11μs
可连接单元最大数 每个CPU装置或扩展装置上的总数:最多10个单元;
每个PLC上的总数:最多40个单元
基本I/O单元 无限制
但是,最多可安装2个CJ1W-INT01中断输入单元。
高功能I/O单元 可以安装到单元号为96的单元。(单元号在0~95之间。单元分配在1和8单元号之间。)
CPU总线单元 CJ2M-CPU3□:最多15个单元
CJ2M-CPU1□:最多16个单元
脉冲I/O模块 最多2个单元 *
* 仅CJ2M CPU单元Ver.2.0 或以上版本支持。必须安装脉冲I/O模块。
可以使用中断的凹槽 CPU装置上的凹槽0~4
扩展装置的最大数 最多3个
CIO区 I/O区 2,560位(160字) :字CIO 0000至CIO 0159
链接区域 3,200位(200字) :字CIO 1000至CIO 1199
CPU总线单元继电器 6,400位(400字) :字CIO 1500至CIO 1899
高功能I/O单元继电器 15,360位(960字) :字CIO 2000至CIO 2959
脉冲I/O区 20点输入, 12点输出(CIO 2960~CIO 2963)
串行PLC连接字 1,440位(90字) :字CIO 3100至CIO 3189
DeviceNet继电器 9,600位(600字) :字CIO 3200至CIO 3799
内部I/O区 3,200位(200字) :字CIO 1300至CIO 1499 (无法用于外部I/O)
37,504位(2,344字):字CIO 3800至CIO 6143 (无法用于外部I/O)
W继电器 8,192位(512字):字W000至W511 (无法用于外部I/O)
保持继电器 8,192位(512字):字H000至H511
关闭PLC或变更操作模式时此继电器的位保持其ON/OFF状态。
字H512至H1535:这些字只可用于功能块。只可用于功能块实例(例如,仅针对功能块的内部变量分配)。
特殊辅助继电器 可读/不可写:31,744位(1,984字)
• 7,168位(448字):字A0至A447
• 24,576位(1,536字):字A10000~A11535 *
可读/可写:16,384位(1,024字),字A448~A1471 *
* CPU总线单元、高功能I/O单元、PT和不支持CJ2 CPU单元的支持软件无法访问A960至A1471以及A10000至A11535。
临时继电器 16位:TR0至TR15
定时器继电器 4,096定时器数量(T0000至T4095 (不同于计数器))
计数器区 4,096计数器数量(C0000至C4095 (不同于定时器))
DM区 32k字 *
• 高功能I/O单元的DM区字:D20000至D29599 (100字 × 96个单元)
• CPU总线单元的DM区字:D30000至D31599 (100字 × 16单元)
* 扩展EM区的位可以按位或字寻址。CPU总线单元、高功能I/O单元、PT和不支持CJ2 CPU单元的支持软件无法寻址这些位。
EM区 32k字/存储库 × 最多4个存储库:最多E00_00000至E3_32767 *
* 扩展EM区的位可以按位或字寻址。CPU总线单元、高功能I/O单元、PT和不支持CJ2 CPU单元的支持软件无法寻
址这些位。
32K字 × 1个存储库 32K字 × 4个存储库
强制设定/复位启用的存储库*1 存储库0 hex 存储库0至3 hex
指数寄存器 IR0至IR15
这些是存储PLC存储地址的特殊寄存器以进行间接寻址。(设定指数寄存器时要使其在每个任务中都是唯一的或者要使得所有任务都可以共享指数寄存器。)
循环执行任务标志区域 128个标志
存储卡 128MB、256MB或512MB
操作模式 编程模式:不执行程序。在此模式程序执行之前可以执行准备。
监控模式:执行程序,此模式启用了一些操作,如在线编辑、变更I/O存储器中的现有值。
运行模式:执行程序。这是通常的操作模式。
执行模式 通常模式
编程语言 体形逻辑(LD)、
时序功能图(SFC)、
ST语言(ST)以及
指令列表(IL)
功能块 最大定义数 256 2048
实例最大数 256 2048
FB (功能块)程序区 20K步
任务 任务类型 循环执行任务
中断任务(电源OFF中断任务、定时中断任务、I/O中断任务以及外部中断任务和输入中断任务 *2)
任务数 循环执行任务:128
中断任务:256
(可以将中断任务定义为循环执行任务以创建额外的循环执行任务。所以,循环执行任务的总数实际最多为384)
变量 变量类型 • 本地变量:仅PLC中的单个任务可以使用。
• 全局变量:PLC中的所有任务可以使用。
• 网络变量(标记) *:可以使用变量从外部访问CPU单元中的I/O存储器,具体取决于参数设定。
* 仅CJ2M-CPU3□支持。
变量数据类型 • BOOL (位)
• UINT (一个字的无符号二进制)
• UDINT (两个字的无符号二进制)
• ULINT (四个字的无符号二进制)
• INT (一个字的有符号二进制)
• DINT (两个字的有符号二进制)
• LINT (四个字的有符号二进制)
• UINT BCD (一个字的无符号BCD) *3
• UDINT BCD (两个字的无符号BCD) *3
• ULINT BCD (四个字的无符号BCD) *3
• REAL (两个字浮点)
• LREAL (四个字浮点)
• CHANNEL (字) *3
• NUMBER (常量或数字) *3
• WORD (一个字十六进制)
• DWORD (两个字十六进制)
• LWORD (四个字十六进制)
• STRING (1~255 ASCII字符)
• TIMER (定时器) *4
• COUNTER (计数器) *4
• 用户定义的数据类型(数据结构)
变量最大大小 32k字
排列变量 一维排列
排列元素数 最多32,000个元素
可寄存的网络变量(标记)数 *5 最多2,000个
网络变量(标记)名称长度 *5 最多255个字节
网络变量(标记)编码 *5 UTF-8
数据追踪 存储容量 8,000字
(EM区可从CX-Programmer指定,以最多使用32K字乘以CPU单元型号支持的存储库数。)
采样数 位数 = 31,一个字数据 =16,两个字数据 = 8,四个字数据 = 4
采样周期 1~2,550ms (单位:1ms)
触发器条件 指定位的ON/OFF
指定字的数据比较
数据大小:1字, 2字, 4字
比较方法:等于(=)、大于(>)、大于或等于(≥),小于(<),小于或等于(≤),不等于(≠)
延迟值 -32,768~+32,767ms
文件存储器 存储卡(128, 256或512Mbytes)(使用星空(中国)一站式服务官网提供的存储卡)
EM文件存储器(可以将部分EM区转换为用于文件存储)
源/注释存
储器
功能块程序存储器、注释文件、程序索
引文件、变量表
容量:1Mbytes
通信 通信的逻辑端口 逻辑端口 8个端口(用于SEND、RECV、CMND、PMCR、TXDU以及RXDU指令)
扩展逻辑端口 64个端口(用于SEND2、RECV2、CMND2以及PMCR2指令)
CIP通信规格 等级3 (连接类型) 连接数:128
UCMM
(非连接类型)
可同时通信的客户端的最大数:16 
可同时通信的服务器的最大数:16
外围(USB)端口 兼容USB 2.0 B型连接器
通信速 最多12Mbps
传送距离 5m以下
串行端口 • CJ2M-CPU1□接口:符合EIA RS-232C标准。
• CJ2M-CPU3□:默认系统无串行端口
可安装一个以下串行选件板。
• CP1W-CIF01 RS-232C选件板
• CP1W-CIF11 RS-422A/485选件板(非绝缘,最大传送距离:50m)
• CP1W-CIF12-V1 RS-422A/485选件板(绝缘,最大传送距离:500m)
通信方式 半双工
同步方式 起停
通信速度 0.3、0.6、1.2、2.4、4.8、9.6、19.2、38.4、57.6或115.2 (kbps)
传送距离 15m以下
EtherNet/IP端口 *6
传送规格 媒体访问方式 CSMA/CD
调制 基带
传送路径 星形
通信速度 100Mbps(100Base-TX)
传送介质 屏蔽双绞电缆(STP);类别:5、5e
传送距离 100m (Ethernet交换机和节点之间)
并排连接数 使用Ethernet交换机时无限制。
通信规格 CIP通信:标签数据链接
连接数 32
信息包时间间隔(刷新周期) 1~10,000ms (单位:0.5ms)
可以为每个连接设定。(数据将在设定的时间间隔进行刷新,与节点数量无关。)
许可的通信带 每秒3,000信息包 *7
可寄存的标签数 32
标签类型 CIO、DM、EM、HR、WR以及网络变量
每个连接的标签数 8 (如果段中包括PLC状态,则为7个标签。)
每个节点的最大链接数据大小
(所有标签的总大小)
640字
每个连接的最大数据大小 640字 *8
(每个连接内的数据将同步。)
可寄存的标签集数 32 (1个连接 = 1个段)
最大标签集大小 640字 *8
(段中包含PLC状态时使用一个字。)
CPU单元的单个周期中可刷新的标签的最大数 *9 输出/发送(CPU单元至EtherNet/IP):32
输入/接收(EtherNet/IP至CPU单元):32
CPU单元的单个周期中可刷新的数据大小 *9 输出/发送(CPU至EtherNet/IP) :640字
输入/接收(EtherNet/IP至CPU) :640字
操作期间变更标签数据链接参数设定 OK *10
多播信息包过滤器 *11 OK
CIP通信:Explicit报文 -
等级3 (连接类型) 连接数:128
UCMM (非连接类型) 可同时通信的客户端的最大数:16
可同时通信的服务器的最大数:16
CIP路由 OK
(以下远程单元启动了CIP路由:CJ1W-EIP21、CJ2H-CPU6□-EIP、CJ2M-CPU3□以及CS1W-EIP21。)
FINS通信 -
FINS/UDP OK
FINS/TCP 最多16个连接
EtherNet/IP一致性测试 符合A5标准。
EtherNet/IP接口 10Base-T/100Base-TX
自动协商/固定设定
*1. 仅可以对指定了EM区强制设定/复位功能的存储库在EM区进行强制设定/复位。
*2. 仅CJ2M CPU单元Ver.2.0或以上版本支持。必须安装脉冲I/O模块。
*3. 不能用于功能块。
*4. 只能用于功能块。
*5. 仅CJ2M-CPU3□支持。
*6. 仅CJ2M-CPU3□内置了EtherNet/IP端口。
*7. “每秒信息包”是指每秒钟处理的通信信息包的数量。
*8. 内置EtherNet/IP部分的单元Ver.2.0:20字。
*9. 超出最大数时,刷新时需花费一个以上的CPU单元周期。
*10.变更参数时,将重新启动变更后的EtherNet/IP端口。此外,与该端口通信的其他节点将发生临时超时,然后将自动恢复。
*11.EtherNet/IP端口支持IGMP客户端,所以不必要的多播信息包将通过支持IGMP侦测的Ethernet交换机过滤掉。

功能规格

功能 说明
周期时间管理 最小周期时间 可以设定的最小周期时间。
(0.2~32,000ms;单位:0.1ms)
最小周期时间设定可以在MONITOR模式下机型变更。
周期时间监控 监控周期时间。
(0.01~ 40,000ms;单位:0.01ms)
背景处理 执行时间长的指令可以跨多个周期执行以防止周期时间中发生波动。
单元(I/O)管理 基本I/O单元、
高功能I/O单元
和CPU总线单元
I/O刷新 周期刷新 基本I/O单元、高功能I/O单元和CPU总线单元的周期刷新
直接刷新 通过直接刷新指令进行I/O刷新
IORF刷新 通过IORF指令进行I/O刷新
启动时单元识别 关闭电源时显示的识别单元数。
基本I/O单元 输入响应时间设定 可以为基本I/O单元设定输入响应时间。可以增加响应时间以降低输入接点的振荡和噪音影响。可以降低响应时间以检测较短的输入脉冲。
负载OFF功能 在运行模式或监控模式发生错误时,基本I/O单元的所有输出都可以关闭。
基本I/O单元状态监控 可以从基本I/O单元读取报警信息,也可以读取识别的单元数。
使用特定单元的指令读取/写入数据 可以使用专用指令高速读取/写入特定单元的所需数据。
高功能I/O单元和CPU总线单元 单元重新启动位至重新启动单元 可以重新启动高功能I/O单元或CPU总线单元。
配置管理 启动时自动I/O分配 I/O字可以自动分配给PLC中连接的基本I/O单元,以自动启动操作,无需将单元注册到I/O表中。
I/O表创建 可以在I/O表中注册当前单元配置,以防止其被更改,保存字以及设定字。
装置/凹槽第一个字设定 分配给装置单元的第一个字可以设定。
存储管理 更改操作模式时的I/O存储保持功能 操作模式变更或启动电源时,可以保持I/O存储器的状态。操作模式变更或启动电源时,可以保持强制设定/复位状态。
文件存储器 文件(例如,程序文件、数据文件或变量表文件)可以存储到内存卡、EM文件存储器或注释存储器。
内置闪存 向CPU单元传送用户程序和参数区域时,可以将其备份到内部闪存。
EM文件功能 部分EM区域可以视为文件存储器。
储存注释 可以将I/O注释作为变量表文件存储到存储卡、EM文件存储器或注释存储器。
EM配置 可以将EM区作为跟踪存储器或EM文件存储器进行设定。
存储卡
启动时自动文件传送 电源启动时,可以从存储卡读取程序文件和参数文件。
PLC运行中的程序更换 运行期间可以将用户程序从存储卡传送到CPU单元。
存储卡读写功能 CPU单元中I/O存储器的数据可以按CSV/TXT格式写入存储卡。存储卡中的CSV/TXT格式数据可以读取到CPU单元的I/O存储器。
通信 -
外围(USB)端口 工具总线 与个人计算机上运行的各种支持软件进行通信的总线。支持高速通信。
串行端口(选件) *12 安装串行通信选件板时可实现应用。
上位链接(SYSWAY)通信 上位链接信头和终端之间的上位链接指令或FINS指令可以从上位计算机或PT发送,以写入I/O存储器,读取/控制操作模式以及执行其它PLC操作。
无协议通信 可以使用通信端口的I/O指令(例如, TXD/RXD指令)与外围设备(例如条码读码器和打印机)进行数据传送。
NT链接通信 PLC中的I/O存储器可以分配给以及直接连接到各种PT功能,包括状态控制区域、状态通知区域、接触开关、灯、存储表以及其他对象。
工具总线 与个人计算机上运行的各种支持软件进行通信的总线。支持高速通信。
串行网关 此入口可进行接收,并可自动将FINS转换为CompoWay/F。
串行PLC链接功能 使用串行端口,而无需通信编程即可进行CPU单元之间的数据交换。设定为1:N NT链接协议的PT可以包含在网络中。
EtherNet/IP端口 *13 100Base-TX/10Base-T
通信协议:TCP/IP、UDP、ARP、ICMP (仅Ping)、 BOOTP
应用:FINS、CIP、SNTP、DNS (客户端)、FTP (服务器)
CIP通信服务 标签数据链接 与EtherNet/IP网络上设备交换非程序周期数据。
信息通信 可以从EtherNet/IP网络上的设备接收CIP命令。
FINS通信服务 信息通信 可以从EtherNet/IP网络上的设备传送FINS命令。
中断 定时中断 任务可按指定间隔执行(最小0.2ms,单位:0.1ms)。
使用MSKS(690)复位和重新启动 执行MSKS(690)时,重新启动内部定时器,将首次中断的时间设定为一个固定值。
使用MSKS(690)读取内部定时器的现有值 MSKS(690)可用于读取定时中断启动时或者前一个定时中断以来耗用的时间。
电源OFF中断 CPU单元断电时可以执行任务。
I/O中断任务 输入信号输入到中断输入单元时可以执行任务。
外部中断任务 从高功能I/O单元或CPU总线单元发出请求时可以中断任务。
时钟 时钟功能 时钟数据存储在存储器中。
精度(精度取决于温度。)
环境温度55°C :月度误差-3.5~+0.5分钟
环境温度25°C :月度误差-1.5~+1.5分钟
环境温度0°C :月度误差-3~+1分钟
运行开始时间记录功能 记录操作模式最后一次变更为运行模式或监控模式时的时间。
运行停止时间记录功能 记录最后一次发生运行停止异常或操作模式最后一次变更为程序模式时的时间。
启动时间记录功能 记录电源启动时间。
断电时刻记录功能 记录电源关闭时间。
通电时间累计功能 PLC启动的总时间以10小时为增量进行存储。
电源ON时刻履历功能 记录电源启动时间的历史记录。
用户程序改写时刻记录功能 记录上一次改写用户程序的时间。
参数区改写时间保存功能 记录改写参数区的时间。
电源管理 内存保护 即使关闭电源,保持继电器数据、DM区域数据、EM区域数据、计数器完成标志以及计数器现有值也会保存下来。可以通过打开特殊辅助继电器中的I/O存储保持图,也可以通过将PLC设定中的I/O存储保持图设定为“保存”来保护CIO区域、W继电器、部分特殊辅助继电器数据、超时标志、计时器现有值、指数寄存器和数据寄存器。
电源OFF检测时间设定功能 可以设定电源中断的检测时间。
AC电源:10~25ms (变量)
DC电源:2~5ms (CJ1W-PD022)或2~20ms (CJ1W-PD025)
电源OFF检测延迟时间 可以延迟电源中断检测:0~10ms
(CJ1W-PD022不支持)
断电发生次数计数器功能 统计电源中断的次数。
功能块 可以将标准编程封装为功能块。
功能锁定定义内可以使用的语言 梯形编程或ST语言文字
调试功能 在线编辑 可以在操作期间(监控模式或程序模式)变更程序,禁止编程区域除外。
强制设定/复位 可以设定或复位指定的位。
通过在参数设定中指定启动存储库,可支持强制设定/复位为EM区。
微分监控 可以监控指定位中的ON/OFF变更。
数据追踪 可以在CPU单元的跟踪存储器中存储指定的I/O存储器数据。可以设定触发器。
连续追踪 数据追踪期间可以使用CX-Programmer上传追踪数据,通过持续上传追踪数据来连续记录数据。
操作开始时自动启动追踪 操作开始时可以自动启动数据追踪(例如,操作模式从程序模式更改为监控或运行模式时)。
错误发生时的停止位置收藏功能 记录因程序错误而停止执行的位置和任务编号。
程序检查 检查程序项目,例如无结束指令,以及启动的FALS/FAL错误。
自检功能和恢复 出错记录 提供功能来记录CPU单元中预定义错误代码、错误信息以及发生错误的时间。
CPU错误检测 检测CPU单元WDT错误。
用户定义的故障诊断 可以为用户指定的条件生成错误:非严重错误(FAL)和严重错误(FALS)。
支持程序段时间诊断和程序段逻辑诊断(FPD指令)。
负载OFF功能 发生错误时,此功能将关闭输出单元的输出。
运行中输出功能 CPU单元处于运行模式或监控模式时, CJ1W-PA205R的运行中输出功能将启动。
基本I/O负载短路检测功能 此功能从具有负载短路保护功能的基本I/O单元提供报警信息。
故障点检测 可以使用FPD指令分析指令块的时间和逻辑。
CPU备用检测 此功能指示CPU单元何时为备用,因为在运行模式或监控模式启动时没有识别高功能I/O单元和CPU总线单元。
非严重错误检测 系统FAL错误检测
(用户定义的非严重错误)
程序中符合用户定义的条件时,此功能将生成非严重(FAL)错误。
重复刷新错误检测 当中断任务中的立即刷新指令完成循环任务的I/O刷新时,此功能检测错误。
基本I/O单元错误检测 此功能检测基本I/O单元中的错误。
备份存储错误检测 此功能检测用户程序和参数区域(备份存储器)的存储备份错误。
PLC设定错误检测 此功能检测PLC设定中的设定错误。
CPU总线单元错误检测 此功能检测CPU单元和CPU总线单元之间的数据交换错误。
高功能I/O单元错误检测 此功能检测CPU单元和高功能I/O单元之间的数据交换错误。
标签存储器错误检测 *14 此功能检测标签存储器中的错误。
电池错误检测 当电池没有连接到CPU单元或电池电压下降时,此功能检查到错误。
CPU总线单元设定错误检测 当已注册的I/O表中CPU总线单元型号与实际安装在PLC中的型号不一致时,此功能检测到错误。
高功能I/O单元设定错误检测 当已注册的I/O表中高功能I/O单元型号与实际安装的单元型号不一致时,此功能检测到错误。
选件板错误检测 *14 此功能检测串行选件板安装状态中的错误。
严重错误检测 存储器错误检测 此功能检查CPU单元存储器中发生的错误。
I/O总线错误检测 此功能检测安装于装置凹槽的单元和CPU单元之间的数据传送发生的错误,并检测端盖是否没有连接CPU装置或扩展装置。
单元/装置号重复错误 此功能检测是否为两个或以上单元设定了相同的单元号,是否将同一字分配给两个或多个基本I/O单元,或者是否为两个或更多装置设定了同一个装置号。
I/O点数超程错误检测 I/O表中设定的I/O点总数或每个装置的单元数超出指定范围时,此功能检测到错误。
I/O设定错误检测 注册的I/O表中的单元数与安装的实际单元数不一致,或者中断单元连接位置错误时(例如,不在凹槽0~4中)时,此功能将检测错误。
程序错误检测 此功能检测程序中的错误。
指令处理错误检测 执行指令时给定数据值无效,或者尝试在任务间执行指令时,此功能检测到错误。
EM/DM间接指定BCD错误检测 BCD模式的间接DM/EM地址不是BCD时,此功能检测到错误。
非法区域接入错误 使用指令运算量尝试接入非法区域时,此功能检测到错误。
非END错误检测 程序结束时没有END指令时,此功能检测到错误。
任务错误检测 周期中没有可以执行的任务,没有任务的程序,或者中断任务的执行条件已满足但没有指定编号的中断任务时,此功能检测到错误。
微分超程错误检测 在线编辑期间输入或删除太多微分指令(131,072次或更多)时,此功能检测出错误。
无效指令错误检测 尝试执行的指令没有在系统中定义时,此功能检测出错误。
用户程序区域超程错误检测 在用户程序区域的最后一个地址之后存储指令数据时,此功能检测到错误。
循环时间超时错误检测 此功能监控循环时间(10~40,000ms)并在超出设定值时停止操作。
系统FALS错误检测
(用户定义的严重错误)
程序中符合用户定义的条件时,此功能将生成严重(FAL)错误。
版本错误检测 用户程序包含当前单元版本不支持的功能时,此功能检测出错误。
存储卡传送错误检测 存储卡的自动文件传送在启动失败时,此功能检测到错误。
维修 简易备份功能 此功能收集备份CPU单元中的数据(用户程序、参数和I/O存储器)和I/O单元的内部备份数据。
主动功能 此功能运行PLC使用网络通信指令将所需的FINS命令发送到上位链接计算机。
远程编程和监控 可以通过Controller Link、Ethernet、DeviceNet或SYSMAC LINK网络使用上位链接通信进行远程编程和远程监控。可以跨网络层执行通信。
Controller Link或Ethernet :8个层
DeviceNet或SYSMAC LINK :3个层
网络自动在线连接 直接串行连接 当CX-Programmer通过串行连接(外围(USB)端口或串行端口)直接连接时,此功能支持自动连接在线PLC。
通过网络 此功能支持将在线CX-Programmer连接到通过EtherNet/IP网络连接的PLC。
安全 密码读取保护功能 此功能使用密码保护对程序和任务的读取和显示。
写入保护:使用拨动开关设定。
读取保护:使用CX-Programmer设定密码。
FINS写入保护 此功能通过网络发送的FINS命令禁止写入。
单元名称功能 此功能允许用户为单元指定任何名称。在线连接时验证名称,以防止连接错误。
使用批号的硬件ID 此功能根据特殊辅助继电器中存储的批号,通过识别使用用户程序的硬件来设定操作保护。
*12.使用CJ2M-CPU3□ CJ2M CPU单元的串行端口时串行选件板。
*13.仅CJ2M-CPU3□支持。

脉冲I/O功能的规格

安装一个或两个脉冲I/O模块后可以使用下列CJ2M功能。每个模块有10个高速输入和6个高速输出。脉冲I/O模块必须针对CJ2M CPU单元Ver.2.0或以上版本安装。
• 输入可以用于通用输入、中断输入、快速响应输入、高速计数器或原点检索输入。
• 输出可以用于通用输出、脉冲输出、原点检索输出或PWM输出。

可以安装一个脉冲I/O模块。

CJ2M-CPU3□ / CPU1□/ MD21□ 额定值 / 性能 6

(可安装两个脉冲I/O模块)

CJ2M-CPU3□ / CPU1□/ MD21□ 额定值 / 性能 7

注:距离CPU单元最近的脉冲I/O模块为脉冲I/O模块O,另一个为脉冲I/O模块I。

性能规格

项目 说明
脉冲I/O 脉冲I/O模块型号 CJ2M-MD211 (漏型)
CJ2M-MD212 (源型)
外部接口 40针MIL连接器
脉冲输入 可以用作正常输入、中断输入、快速响应输入或高速计数器输入。(必须在PLC设定中选择每个输入的功能。)
输入方式:线性驱动器输入或DC24V输入(通过电缆选择)
正常输入 最多20 (每脉冲I/O模块10个)
输入常数:在PLC设定中设定(0、0.5、1、2、4、8、16或32ms)。默认值:8ms
中断输入和快速响应输入 最多8 (每脉冲I/O模块4个)
输入信号最小ON脉冲宽度:30μs
高速计数器输入 最多4 (每脉冲I/O模块2个)
输入方式:相差(×4)脉冲、脉冲 + 方向、上/下脉冲或增量脉冲
最高响应频率:相差50kHz或单相100kHz
计数方式:线性或环形
计数值:32位
计数器复位:相位Z + 软件复位或软件复位
控制方式:目标值比较或范围比较
门功能:支持
脉冲输出 可以用作正常输出、脉冲输出或PWM输出。(必须在PLC设定中选择每个输出的功能。)
输出方式:漏型或源型晶体管输出(此方式由脉冲I/O模块机型确定。)
正常输出 最多12 (每脉冲I/O模块6个)
脉冲输出 最多4 (每脉冲I/O模块2个)
输出方式:CW/CCW或脉冲 + 方向(此方式由I/O接线和梯形程序中使用的指令确定。)
输出频率:1pps~100kpps (增量1pps)
输出模式:连续模式(针对速度控制)或独立模式(针对位置控制)
输出脉冲:相对坐标:0000 0000~7FFF FFFF hex (0~2,147,483,647脉冲)
绝对坐标:8000 0000~7FFF FFFF hex (-2,147,483,648~ 2,147,483,647)
加速/减速曲线:直线性或S曲线
原点搜索功能:支持
PWM输出 最多4 (每脉冲I/O模块2个)
输出频率:0.1~6,553.5Hz (增量0.1Hz)或1~32,800Hz (增量1Hz)
占空比:0.0%~100.0% (增量0.1%)

功能规格

功能 说明
脉冲I/O功能 脉冲输入功能 正常输入 在I/O刷新期间读取输入信号,并存储在I/O存储器中。
中断输入 打开或关闭输入信号时,可以启动中断任务。
快速响应输入 读取时间少于循环时间的输入信号,并将其存储在I/O存储器中。
高速计数器输入 统计高速脉冲信号。也可以启动中断任务。
脉冲输出功能 正常输出 I/O刷新期间输出I/O存储器状态。
脉冲输出 在固定占空比(50%)使用指定频率和脉冲数输出脉冲信号。
PWM输出 在指定占空比输出脉冲信号。
原点检索 实际输出脉冲并且使用原点和原点附近输入信号作为条件时,根据指定原点检索确定设备的原点。(脉冲输入和输出也可以用作此条件。)
中断 输入中断功能 从脉冲I/O模块的中断输入或高速计数器输入启动任务。
输入中断 中断输入关闭或打开时执行中断任务。
直接模式:每次输入信号变更时执行中断任务。
计数器模式:统计输入信号的变更,在计数器计数完毕时执行中断任务。(最高响应频率为3kHz。)
高速计数器中断 满足高速计数器的预设比较条件时执行中断任务。
目标值比较:计数符合指定值时执行中断任务。
范围比较:计数在指定范围之内或之外时执行中断任务。

脉冲输入功能的规格

中断输入

项目 直接模式 计数器模式
中断输入点数 最大8点输入
分配的位 CIO 2960和CIO 2962,位00至03
中断检测方法 ON至OFF或OFF至ON转换
中断任务编号 140至147 (固定)
计数方法 --- 增加或减少(使用MSKS(690)指令设定。)
计数范围 --- 0001~FFFF hex (16位)
(在A532~A535和A544~A547中设定。)
响应频率 --- 单相:3kHz×8点输入
计数器模式中中断输入的PV的存储位置 --- A536~A539和A548~A551

快速响应输入

项目 规格
快速响应输入数 最大8点输入
快速响应输入 比周期时间短,信号将针对一个PLC周期锁定,所以可以在PLC程序中检测。可检测的最小脉搏宽度为30μs。

高速计数器输入

项目 说明
高速计数器输入数 最大4点输入
脉冲输入方法(计数模式) 脉冲输入增量 相位差输入(4×) 增量/减量输入 脉冲 + 方向输入
输入信号 增量脉冲 相位A 增量脉冲 脉冲
--- 相位B 减量脉冲 方向
--- 相位Z 复位 复位
高速计数器频率和数量 100kHz, 2点输入× 2个I/O模块 50kHz, 2点输入× 2个I/O模块 100kHz, 2点输入× 2个I/O模块 100kHz, 2点输入× 2个I/O模块
计数方式 线性或环形
计数值 线性: 8000 0000~7FFF FFFF hex
0000 0000~FFFF FFFF hex (对于增量脉冲)
环形: 0000 0000~最大环值
高速计数器PV存储位置 高速计数器0:A271 (上4位)和A270 (下4位)
高速计数器1:A273 (上4位)和A272 (下4位)
高速计数器2:A317 (上4位)和A316 (下4位)
高速计数器3:A319 (上4位)和A318 (下4位)
监督处理期间刷新。使用PRV(881)读取最近的PV。
数据格式:8位数十六进制
• 线性: 8000 0000~7FFF FFFF hex
0000 0000~FFFF FFFF hex (对于增量脉冲)
• 环形: 0000 0000~最大环值
控制方式 目标值比较 最大可注册48个目标值和对应的中断任务号。
范围比较 最多可以注册8或32个范围,为每个范围单独指定上限、下限和中断任务编号。
计数器复位方式 • 相位Z + 软件复位
相位Z输入为ON,且复位位(A531.00~A531.03)为ON时复位计数器。
• 软件复位
复位位(A531.00~A531.03)为ON时复位计数器。
复位高速计数器时,可以设定操作以停止或继续比较操作。

脉冲输出功能的规格

位置控制和速度控制

项目 规格
脉冲输出数量 最多4点输出(脉冲输出00~03)
输出模式 连续模式(针对速度控制)或独立模式(针对位置控制)
定位(独立模式)指令 PULS (886)和SPED (885), PULS (886)和ACC (888),或PULS2 (887)指令
速度控制(连续模式)指令 SPED( 885)和ACC(888)指令
原点(原点检索和原点返回)指令 ORG (889)指令
中断进给指令 IFEED (892)指令
输出频率 1pps~100kpps (1pps单元),两次脉冲输出 × 2个脉冲I/O模块
频率加速和减速比率 针对加速/减速比率以1~65,535pps (每4ms)设定增量为1pps。
可以在PLS2 (887)指令之外设定加速和减速比率。
指令执行期间变更SV 可以变更目标频率、加速/减速比率和目标位置。
脉冲输出方式 相对坐标:0000 0000~7FFF FFFF hex (以任意方向增减:2,147,483,647)
绝对坐标:8000 0000~7FFF FFFF hex (-2,147,483,648~ 2,147,483,647)
输出脉冲数量 CW/CCW或脉冲+方向
脉冲输出PV的相对/绝对坐标规格 通过变更INI (880)指令变更脉冲输出PV或通过ORG (889)指令执行原点检索来定义原点位置时,绝对坐标将自动指定。
没有定义原点时必需使用相对坐标。
相对脉冲/绝对脉冲规格 可以使用PULS (886)或PLS2 (887)指令中的运算量指定脉冲类型。
为脉冲输出PV指定了绝对坐标时(例如,已定义原点),可以使用绝对脉冲。指定了相对坐标时(例如,未定义原
点),不能使用绝对脉冲。将发生指令错误。
脉冲输出PV的存储位置 下列特殊辅助继电器字包含脉冲输出PV
脉冲输出0:A277 (最左4位)和A276 (最右4位)
脉冲输出1:A279 (最左4位)和A278 (最右4位)
脉冲输出2:A323 (最左4位)和A322 (最右4位)
脉冲输出3:A325 (最左4位)和A324 (最右4位)
在常规I/O刷新期间刷新PV。

变量占空脉冲输出(PWM)

项目 规格
PWM输出数量 最多4点输出(PWM输出00~03)
占空比 0.0%~100.0%(增量0.1%)
频率 0.1Hz~6,553.5Hz(以增量0.1Hz设定)
1 Hz~32,800Hz(以增量1Hz设定)
输出模式 连续模式
指令 PWM (891)指令

脉冲I/O模块规格

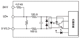
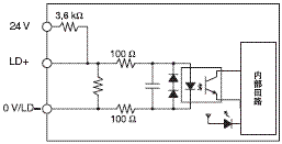
输入规格(IN00~IN09/IN10 to IN19)

正常输入

输入 IN00~IN05和IN10~IN15 IN06~IN09和IN16~IN19 IN00~IN05和IN10~IN15 IN06~IN09和IN16~IN19
输入形式 DC24V输入 线性驱动器输入
输入电流 6.0mA (典型) 5.5mA (典型) 13mA (典型) 10mA (典型)
输入电压范围 DC24V +10%/-15% RS-422A或RS-422线性驱动器(符合AM26LS31标准)、
电源电压5V ± 5%
输入阻抗 3.6 kΩ 4.0 kΩ ---
回路数 1公用, 1回路
ON电压/电流 DC17.4V以上, 3mA以上 ---
OFF电压/电流 1mA以下, DC5V以下 ---
ON响应时间 8ms以下(输入时间常量在PLC设定中可以设定为0、0.5、1, 2、4、8、16或32ms)
OFF响应时间 8ms以下(输入时间常量在PLC设定中可以设定为0、0.5、1, 2、4、8、16或32ms)

输入回路配置

项目 规格
输入 IN00 to IN05/IN10 to IN15 IN06 to IN09/IN16 to IN19
回路配置
2712_sp_14_1
2712_sp_14_2

中断输入和快速响应输入规格(IN00~IN03和IN10~IN13)

项目 规格
ON响应时间 30μs以下
OFF响应时间 150μs以下
响应脉冲
2712_sp_15_1

高速计数器输入规格(IN06~IN09和IN16~IN19)

DC24V输入 线性驱动器输入
设定为60kHz 相位A/相位B编码器输入,单相60kHz脉冲输入,占空比50%
2712_sp_16_1


相位A/相位B编码器输入,位相,30kHz
2712_sp_16_2
编码器输入相位A或相位B,单相60kHz脉冲输入,占空比50%
2712_sp_16_6


相位A/相位B编码器输入,位相,30kHz
2712_sp_16_7
设定为100kHz 相位A/相位B编码器输入,单相100kHz脉冲输入,占空比50%
2712_sp_16_3


相位A/相位B编码器输入,位相,50kHz
2712_sp_16_4
单相100kHz脉冲输入,占空比50%
2712_sp_16_8


位相50kHz脉冲输入
2712_sp_16_9
相位Z/复位输入 编码器输入相位Z (IN02/IN03或IN12/IN13)
2712_sp_16_5
编码器输入相位Z (IN02/IN03或IN12/IN13)
2712_sp_16_10

输出规格(OUT00~OUT05和OUT10~OUT15)

项目 规格
输出规格 漏型(CJ2M-MD211) 源型(CJ2M-MD212)
额定电压 DC5~24V
容许电压变动范围 DC4.75~26.4V
接点电流最大值 0.3A/输出, 1.8A/单元
回路数 6点输出(6点输出/公用)
最大冲击电流 3.0A/输出, 10ms以下 2.0A/输出,10ms以下
漏电流 0.1mA以下
残留电压 0.6V以下
ON响应时间 0.1ms以下
OFF响应时间 0.1ms以下
保险丝
外部电源
(输出的电源输入)
DC10.2~26.4V, 20mA以上
回路配置
2712_sp_17_1
2712_sp_17_2

脉冲输出(OUT00~OUT03和OUT10~OUT13)

项目 规格
输出规格 漏型(CJ2M-MD211) 源型(CJ2M-MD212)
额定电压 DC5~24V
容许电压变动范围 DC4.75~26.4V
最大开关容量 30 mA
最小开关容量 7 mA
最大输出频率 100 kHz
输出波形
2712_sp_18_1
2712_sp_18_2

PWM输出(OUT04、OUT05、OUT14和OUT15)

项目 规格
输出规格 漏型(CJ2M-MD211) 源型(CJ2M-MD212)
额定电压 DC5~24V
容许电压变动范围 DC4.75~26.4V
最大开关容量 6.5535kHz或更少:300mA, 6.5535~32.8kHz:100mA
最大输出频率 32,800 Hz
PWM输出精度
(ON脉冲宽度2μs或更长)
ON占空比:6.5535kHz或更少:-0.2%~+1%,
ON占空比:32.8kHz:-1%~+5%
(开关电流30mA)
ON占空比:6.5535kHz或更少:±0.5%,
ON占空比:32.8kHz:+2.5%
(开关电流30mA)
输出波形
2712_sp_19_1
2712_sp_19_2

APP下载

星空(中国)一站式服务官网FA世界