Page top

A

一般用基本开关

A

高容量开关,能够处理具有大浪涌电流的20A负载

(单位:mm)

端子

安装孔

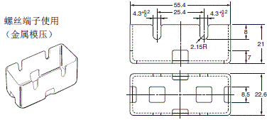
螺丝端子 (-B)

使用带平垫圈或弹簧垫圈的M4安装螺钉,牢固安装开关。将螺丝拧紧至1.18~1.47N·m。

A 外形尺寸 5 A_Screw Terminals
A 外形尺寸 6 A_Mounting Holes1

开关可以安装在板上,前提是用2.94~4.9N·m的紧固转矩拧紧驱动杆的六角螺母。

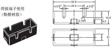
焊接端子 (-A)

(型号中省略了“-A”)

A 外形尺寸 9 A_Mounting Holes2
A 外形尺寸 10 A_Solder Terminal

注1. 端子螺丝正确紧固转矩:0.78 ~1.18N·m。
 2. 上述各机型的外形尺寸中的未注公差为±0.4mm。

外形尺寸和动作特性

这些型号、图解、图纸用于螺丝端子。(此处省略的型号的尺寸与针状柱塞型的尺寸相同。)

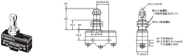
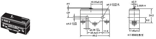
针状柱塞型
A-20G-B

A 外形尺寸 15 A-20G-B_Dim

弹簧短柱塞型
A-20GD-B

A 外形尺寸 17 A-20GD-B_Dim

面板安装柱塞型
A-20GQ-B

A 外形尺寸 19 A-20GQ-B_Dim

注: 请不要同时使用M12安装螺纹和安装孔。

面板安装滚珠柱塞型
A-20GQ22-B

A 外形尺寸 22 A-20GQ22-B_Dim

注: 请不要同时使用M12安装螺纹和安装孔。

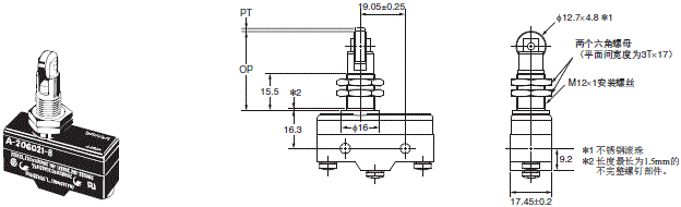
面板安装横向滚珠柱塞型
A-20GQ21-B

A 外形尺寸 25 A-20GQ21-B_Dim

注: 请不要同时使用M12安装螺纹和安装孔。
注: 上述各机型的外形尺寸中的未注公差为±0.4mm。

A 外形尺寸 27 A_Operating Characteristics1

短摆杆型
A-20GV21-B

A 外形尺寸 29 A-20GV21-B_Dim

摆杆型
A-20GV-B

A 外形尺寸 31 A-20GV-B_dim

滚珠短摆杆型
A-20GV22-B

A 外形尺寸 33 A-20GV22-B_Dim

滚珠摆杆型
A-20GV2-B

A 外形尺寸 35 A-20GV2-B_Dim

注: 上述各机型的外形尺寸中的未注公差为±0.4mm。

A 外形尺寸 37 A_Operating Characteristics2

附件(另售)

端子保护盖

AP-A

A 外形尺寸 40

注: 罩盖有五个薄的易于撕开的部位,以便轻松连接导线。

AP-B

A 外形尺寸 41

注: 罩盖有六个薄的易于撕开的部位,以便轻松连接导线。

AP1-A

A 外形尺寸 42

注: 罩盖有五个孔,以便轻松连接导线。

AP1-B

A 外形尺寸 43

注: 罩盖有六个孔,以便轻松连接导线。

AP-Z

A 外形尺寸 44

注: 每个尺寸的公差都为 ±0.4mm,除非另有说明。(±0.8mm,对于AP-Z)

分离器

A 外形尺寸 45

注1. 每个尺寸的公差都为 ±0.4mm,除非另有说明。
 2. 材料为EAVTC (环氧醇酸树脂漆玻璃布),耐热温度为130°C。

APP下载

星空(中国)一站式服务官网FA世界