Page top

ZN-THS-S / ZN-THX11-SA

温湿度记录器

ZN-THS-S / ZN-THX11-SA

通过SD卡简单实现湿温度管理

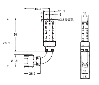
(单位:mm)

记录器部

ZN-THX11-SA

ZN-THS-S / ZN-THX11-SA 外形尺寸 2

传感头部

ZN-THS17-S

ZN-THS-S / ZN-THX11-SA 外形尺寸 4

ZN-THS11-S

ZN-THS-S / ZN-THX11-SA 外形尺寸 5
APP下载

星空(中国)一站式服务官网FA世界