Page top

E2CY-SD

非磁性金属检测用放大器分离式接近传感器(数字显示和示教型)

E2CY-SD

该放大器分离式接近传感器可轻松调整 灵敏度以检测非磁性金属

(单位:mm)

传感器部分

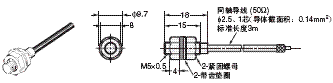
E2CY-X1R5A

E2CY-SD 外形尺寸 2 E2CY-X1R5A_Dim

E2CY-C1R5A-1

E2CY-SD 外形尺寸 3 E2CY-C1R5A-1_Dim

E2CY-C2A (F)

E2CY-SD 外形尺寸 4

E2CY-V3A

E2CY-SD 外形尺寸 5 E2CY-V3A_Dim

放大器单元部分

E2CY-SD11

E2CY-SD 外形尺寸 8 E2CY-SD11
APP下载

星空(中国)一站式服务官网FA世界