Page top

E3X-CRT

传感器通信单元

E3X-CRT

CompoNet传感器通信单元,简化传感器的设置和管理

(单位:mm)

E3X-CRT

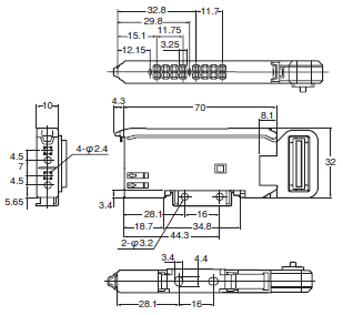
E3X-CRT 外形尺寸 2

E3X-HD0

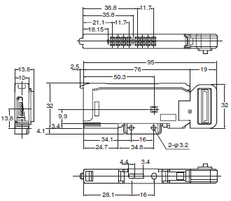
E3X-CRT 外形尺寸 4

E3X-LDA0

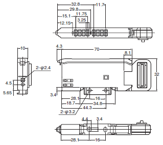
E3X-CRT 外形尺寸 6

E3X-MDA0

E3X-CRT 外形尺寸 8

E3X-EDA0

E3X-CRT 外形尺寸 10

E3X-DA0-S

E3X-CRT 外形尺寸 12
APP下载

星空(中国)一站式服务官网FA世界