Page top

S8VK-G

开关电源(15/30/60/120/240/480-W型)

S8VK-G

性能可靠,操作简单,通用型电源,可在恶劣环境中使用,安装简单,快速上手,市面上小尺寸型号

注意事项

警告指示

S8VK-G 注意事项 2

产品安全符号的含义

S8VK-G 注意事项 3

注意

S8VK-G 注意事项 4

安全注意事项

布线

• 应将产品完全接地。请使用安全标准规定的保护接地端子。如果没有完全接地,有可能导致触电或故障。

• 有可能发生轻度起火。请确保输入和输出端子配线正确。

• 紧固端子块时请不要施加大于75N的力。

• 接通电源前,请确保移除加工时覆盖产品的薄膜,以免影响散热。

• 连接S8VK-G时请使用下列线材,以防止由于负载异常引起冒烟或起火。

端子和配线

型号 输入 输出 PE 电线剥离量
美国线规 实芯电线/标准电线 美国线规 实芯电线/标准电线 美国线规 实芯电线/标准电线
S8VK-G01505 AWG24~12 0.25~4mm2/ AWG20~12 0.5~4mm2/0.5~2.5mm2 AWG14~12 2.5~4mm2/
2.5~4mm2
8~10mm
S8VK-G01512 0.25~2.5mm2 AWG22~12 0.35~4mm2/0.35~2.5mm2
S8VK-G01524 AWG24~12 0.25~4mm2/0.25~2.5mm2
S8VK-G03005 AWG24~12 0.25~4mm2/ AWG18~12 0.75~4mm2/0.75~2.5mm2
S8VK-G03012 0.25~2.5mm2 AWG20~12 0.5~4mm2/0.5~2.5mm2
S8VK-G03024 AWG22~12 0.35~4mm2/0.35~2.5mm2
S8VK-G06012 AWG22~12 0.35~4mm2/ AWG18~12 0.75~4mm2/0.75~2.5mm2
S8VK-G06024 0.35~2.5mm2 AWG20~12 0.5~4mm2/0.5~2.5mm2
S8VK-G12024 AWG22~10 0.35~6mm2/0.35~4mm2 AWG18~10 0.75~6mm2/0.75~4mm2 AWG14~10 2.5~6mm2/
2.5~4mm2
S8VK-G24024 AWG20~10 0.5~6mm2/ AWG14~10 2.5~6mm2/2.5~4mm2
S8VK-G24048 0.5~4mm2 AWG18~10 0.75~6mm2/0.75~4mm2
S8VK-G48024 AWG16~10 1.5~6mm2/ AWG12~10 4~6mm2/4mm2
S8VK-G48048 1.5~4mm2 AWG14~10 2.5~6mm2/2.5~4mm2

• 使用非螺纹型端子块时将I/O线剥去8 mm。

注:输出端子的额定电流为每个端子10 A。超过端子额定值的电流请务必同时使用多个端子。当施加10 A或以上电流时,请至少为正极和负极电线分别使用两个端子。

安装环境

• 请勿在易受到冲击或震动的场所使用该电源。尤其在安装电源时,要尽量远离接触器或其他构成振动源的设备。

• 电源应安装在远离强高频噪音源和浪涌源的场所。

使用寿命

• 电源的寿命是由内部所使用电解质电容器的寿命所决定的。这里适用阿仑尼乌斯定律,即,每提高10°C寿命会削减一半,而每降低10°C寿命则会增倍。因此,降低电源内部温度可延长电源的使用寿命。

使用环境和保存环境

• 将电源存放在温度范围为−40~85°C以及湿度范围为0%~95%的环境下。

• 请勿在衰减曲线以外的范围使用电源,内部部件可能发生老化或损坏。

• 请在湿度范围为0%~95%的环境下使用电源。

• 请勿在阳光直射的场所使用电源。

• 请勿在含有液体、异物、腐蚀性气体的场所内使用该电源。

使用注意事项

安装方法

• 安装时请注意考虑散热,以保证产品的长期可靠性。请密切注意电源本体周围的空气对流。请勿在超出衰减曲线范围的环境温度下使用产品。

• 切割安装孔时,请确保不要让切割残屑进入产品内部。

S8VK-G 注意事项 15

• 不正确的安装将妨碍散热,并可能导致内部部件的老化或损坏。请在衰减曲线范围内根据使用的安装方向使用本产品。

• 水平安装本产品时请使用安装支架。

• 散热易受到不良影响。水平安装本产品时,始终把带标签的一侧朝上。

• 如果电源左右侧的安装间距在10 mm以上(20 mm以下),请按照样本上的“工程数据”中比衰减曲线小5°C的范围内操作电源。

过电流保护

• 如果在运行过程中发生短路或持续过电流状态,可能导致内部部件的老化或损坏。

• 如果使用电源时有频繁的浪涌电流或负载端过电流,可能导致内部部件老化或损坏。请勿在该情况下使用电源。

• 如果过电流保护功能运行, DC ON指示灯(绿色)闪烁。

电池充电

如果将电池作为负载连接,请安装过电流保护和过电压保护电路。

输出电压调节器 (V.ADJ)

• 如果对输出电压调节器 (V.ADJ) 施加的力量过大,可能会导致其损坏。转动调节器时不要用力过度。

• 完成输出电压调整后,应确保输出电容和输出电流不超过额定输出电容和额定输出电流。

DIN导轨安装

若要在DIN导轨上安装端子块,将端子块的 (A) 部挂在导轨上,然后以方向 (B) 按下端子块。

S8VK-G 注意事项 19

拆卸端子块时,用一字螺丝刀向下推 (C) 部,将其拉出。

S8VK-G 注意事项 20

串联运行

2台电源可进行串联运行。

S8VK-G 注意事项 22

注:1. 二极管如图中所示连接。如果负载短路,电源内部会产生反向电压。如果发生这种情况,可能导致电源老化或损坏。请务必按照图示连接二极管。请按照以下额定规格选择二极管。

S8VK-G 注意事项 23

2. 尽管可以串联连接不同规格的产品,但流过负载的电流不得超过较小的额定输出电流。

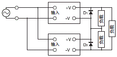
进行正/负输出

• 输出为浮动输出(即主电路和备用电路是分开的)。因此,可以使用两个电源进行正负输出。使用任意型号之一进行正负输出。如果使用了正负输出,请连接相同型号的电源,如下图所示。(可以进行不同输出能力或输出电压的组合,但请使用两个输出电流中额定电流较低的一个作为负载的电流。)

S8VK-G 注意事项 25

• 根据型号,如果像伺服电机或运行放大器等可串联运行的负载,内部电路可能会因为电源接通时的启动故障而被损坏。

• 因此,请如下图所示连接旁路二极管 (D1、D2)。如果支持输出串联连接的模型列表表明不需要外部二极管,那么正/负输出也不需要外部二极管。

S8VK-G 注意事项 26

• 使用以下信息作为二极管类型、耐电压以及电流的参考。

 • 类型:肖特基势垒二极管

 • 耐电压 (VRRM):额定输出电压的2倍或更高

 • 正向电流 (IF):额定输出电流的2倍或更高

备份操作

使用2台同型号时,可以备份运行。

因此,当1台故障时,另1台可继续运行。

最大负载容量不可超过1台电源时。

备份运行时,请如图所示使用S8VK-R。

有关S8VK-R的各规格及容量的对应型号请参照S8VK-R产品样本(样本编号:T200-CN5)。

S8VK-G 注意事项 27

无输出电压的情况

无输出电压的原因可能是过电流保护或过电压保护功能生效。如果在接通电源时有大量浪涌电压,例如雷击浪涌,则可能启动内部保护。

如果没有输出电压,请在联系我们之前检查以下几点:
• 检查过电流保护状态:检查负载是否处于过电流或短路状态。检查时请断开负载线。
• 检查过电压或内部保护:断开电源一次,并保持至少三分钟。然后再次接通电源,查看状况是否解除。

接通电源时的噪音
(120W、180W、240W和480W型号)

谐波电流抑制回路内置在电源中。该电路会在输入开启时产生噪音,但只会持续到内部电路稳定时,并不表明产品有任何问题。

APP下载

星空(中国)一站式服务官网FA世界