Page top

FH系列

图像处理系统

FH系列

由AI自动执行划痕和缺陷检测

FH-L550(-10)、FH-2050(-□0)、FH-5050(-□0)、FH-5550(-□0)预定于2024年9月底订货截止。FH-VMRGB于2018年10月底订货截止。FH-1050系列已于2021年5月底订货截止。FH-3050系列已于2020年9月底订货截止。FH-SC、FH-SM已于2023年3月底订货截止。

FH系列图像处理系统

由AI替代熟练工自动执行划痕和缺陷检测

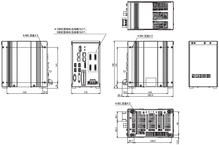
(单位:mm)


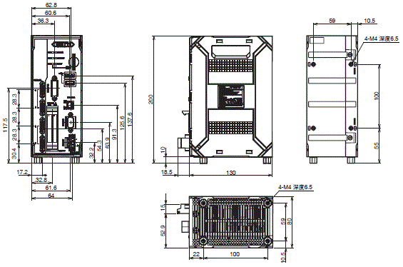
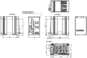
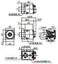
传感器控制器

高速、大容量控制器/标准控制器
FH-5552/-5552-10/-5552-20/-5551/-5551-10/-5551-20
FH-5052/-5052-10/-5052-20/-5051/-5051-10/-5051-20
FH-2052/-2052-10/-2052-20/-2051/-2051-10/-2051-20

FH系列 外形尺寸 1

Lite控制器
FH-L551/-L551-10

FH系列 外形尺寸 2

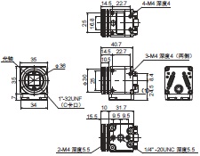
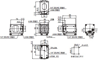
相机

高速数码CMOS相机/数码CMOS相机

30万像素相机
FH-SC
FH-SM

FH系列 外形尺寸 5

40万像素相机
FH-SCX
FH-SMX
160万像素相机
FH-SCX01
FH-SMX01

FH系列 外形尺寸 6

200万像素相机
FH-SC02
FH-SM02
400万像素相机
FH-SC04
FH-SM04

FH系列 外形尺寸 7

500万像素相机
FH-SM05R
FH-SC05R

FH系列 外形尺寸 8

FZ-S5M3
FZ-SC5M3

FH系列 外形尺寸 9

320万像素相机
FH-SCX03
FH-SMX03
500万像素相机
FH-SCX05
FH-SMX05
1200万像素相机
FH-SCX12
FH-SMX12
2040万像素相机
FH-SC21R
FH-SM21R

FH系列 外形尺寸 10

1200万像素相机
FH-SC12
FH-SM12

FH系列 外形尺寸 11

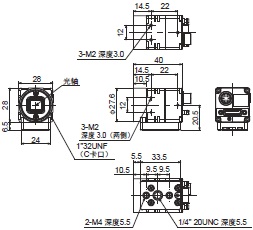
数码CCD相机

30万像素相机
FZ-S
FZ-SC

FH系列 外形尺寸 13

200万像素相机
FZ-S2M
FZ-SC2M

FH系列 外形尺寸 14

短波红外(SWIR)相机

33万像素相机
FH-SMX-SWIR

131万像素相机
FH-SMX01-SWIR

FH系列 外形尺寸 15

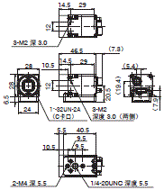
小型数码CCD相机

相机头

扁平型
FZ-SF
FZ-SFC

FH系列 外形尺寸 17

笔型
FZ-SP
FZ-SPC

FH系列 外形尺寸 18

相机放大器

扁平型、笔型通用

FH系列 外形尺寸 19

小型智能数码CMOS相机

窄视野型、中视野型
FZ-SQ010F
FZ-SQ050F

FH系列 外形尺寸 21

大视野型
FZ-SQ100F(远距离)
FZ-SQ100N(近距离)

FH系列 外形尺寸 22

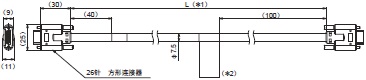
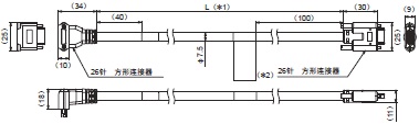
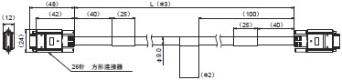
电缆

相机电缆

相机电缆
FZ-VS3

FH系列 外形尺寸 25

耐弯曲相机电缆
FZ-VSB3

FH系列 外形尺寸 26

超耐弯曲相机电缆
FZ-VSBX

FH系列 外形尺寸 27

直角相机电缆
FZ-VSL3

FH系列 外形尺寸 28

耐弯曲直角相机电缆
FZ-VSLB3

FH系列 外形尺寸 29

长距离相机电缆
FZ-VS4

FH系列 外形尺寸 30

长距离直角相机电缆
FZ-VSL4

FH系列 外形尺寸 31

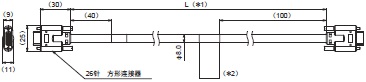
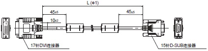
*1 各电缆有2m/3m/5m/10m。
*2 各相机电缆有极性。请将贴有铭牌的一侧与控制器连接。
*3 各电缆有5m/10m。
*4 电缆为15m。

相机电缆延长单元

FZ-VSJ

FH系列 外形尺寸 34

小型相机用近摄接环

FZ-LESR

FH系列 外形尺寸 36

小型相机用镜头

FZ-LES系列

FH系列 外形尺寸 38

编码器电缆

FH-VR

FH系列 外形尺寸 40

并行I/O电缆

XW2Z-S013-□

FH系列 外形尺寸 42

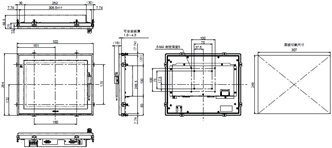
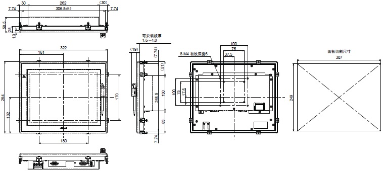
触摸屏监视器

FH-MT12

FH系列 外形尺寸 44

触摸屏监视器/液晶监视器用 DVI-模拟转换电缆

FH-VMDA

FH系列 外形尺寸 46

触摸屏监视器用 RS-232C电缆

XW2Z-□□□PP-1

FH系列 外形尺寸 48

触摸屏监视器用 USB电缆

FH-VUAB

FH系列 外形尺寸 50

液晶监视器

FZ-M08

FH系列 外形尺寸 52
APP下载

星空(中国)一站式服务官网FA世界