Page top

E5CC-800 / E5CC-B-800 / E5CC-U-800

温控器(数字调节仪)(简易型)(48 × 48 mm)

E5CC-800 / E5CC-B-800 / E5CC-U-800

清晰易读的大屏白光PV显示。选型、设定及操作更为简捷。扩充了Push-In Plus端子台型的产品阵容。

E5CC-800系列抽出型预定于2022年7月底订货截止。E5CC-800系列预定于2022年7月底订货截止。

解决现场的温度控制课题

利用“E5□C”דThermac Simulator”,提供电脑上的控制星空平台。

(单位:mm)

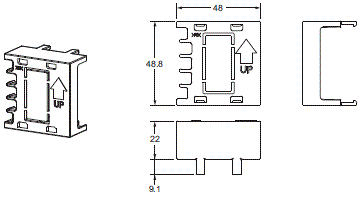
控制器

E5CC-800

E5CC-800 / E5CC-B-800 / E5CC-U-800 外形尺寸 2

E5CC-B-800

E5CC-800 / E5CC-B-800 / E5CC-U-800 外形尺寸 3

• 建议面板厚度为1~5mm。
• 垂直方向上不可进行组合安装。(在温控器间保持规定的安装间隔)。
• 为了使温控器具备防水能力,可将防水垫安装至温控器。
• 当安装两台或两台以上的温控器时,请确保周围温度没有超出规格表中指定的允许工作温度范围。

E5CC-U-800

E5CC-800 / E5CC-B-800 / E5CC-U-800 外形尺寸 4

• 建议面板厚度为1~5mm。
• 垂直方向上不可进行组合安装。(在温控器间保持规定的安装间隔)。
• 当安装两台或两台以上的温控器时,请确保周围温度没有超出规格表中指定的允许工作温度范围。

附件(另售)

端子盖
E53-COV17

E5CC-800 / E5CC-B-800 / E5CC-U-800 外形尺寸 6

端子盖
E53-COV23 (3个装)

E5CC-800 / E5CC-B-800 / E5CC-U-800 外形尺寸 7

端子盖(背面连接插座P3GA-11用)
Y92A-48G

E5CC-800 / E5CC-B-800 / E5CC-U-800 外形尺寸 8

注:通过在背面连接插座(P3GA-11)的安装,实现指触保护。

防水垫
Y92S-P8 (DIN 48 × 48用)

E5CC-800 / E5CC-B-800 / E5CC-U-800 外形尺寸 9

仅E5CC-800/E5CC-B-800带防水垫。包含E5CC-U-800。防水垫丢失或损坏时,请另行订购。
使用防水垫可实现IP66防护等级。
(防水垫可能会因工作环境等因素发生老化、收缩或硬化。
 因此,为确保始终符合IP66中指定的防水等级要求,建议进行定期更换。
 定期更换时间因工作环境而定,用户需根据现场情况进行确认。可将三年作为一个大致的标准。)
对于E5CC-U-800,即使插入防水垫也无法防水。

适配器

Y92F-45

注:1. 当面板加工为E5B□温控器的尺寸(72×72mm)时,请使用该温控器。
  2. 仅黑色有售。

E5CC-800 / E5CC-B-800 / E5CC-U-800 外形尺寸 11

安装到E5CC-800

E5CC-800 / E5CC-B-800 / E5CC-U-800 外形尺寸 12

DIN导轨安装适配器

Y92F-52

注:1. 该适配器无法与端子盖一起使用。
   若要使用适配器,请拆下端子盖。
  2 . 不能用于 E5CC-B-800。

E5CC-800 / E5CC-B-800 / E5CC-U-800 外形尺寸 14

该适配器可用于将E5CC-800安装到DIN导轨。
如果使用该适配器,则无需在面板中安装平板或钻安装孔。

安装到E5CC-800

E5CC-800 / E5CC-B-800 / E5CC-U-800 外形尺寸 16

防水盖
Y92A-48N

E5CC-800 / E5CC-B-800 / E5CC-U-800 外形尺寸 17

安装适配器
Y92F-49

E5CC-800 / E5CC-B-800 / E5CC-U-800 外形尺寸 18

上述温控器附带安装适配器。 适配器丢失或损坏时,请另行订购。

保护罩
Y92A-48D

注:如果安装了防水垫,则不能使用保护盖。

E5CC-800 / E5CC-B-800 / E5CC-U-800 外形尺寸 19

该保护盖为软性。 使用此盖可对控制器进行操作。

保护罩
Y92A-48H

E5CC-800 / E5CC-B-800 / E5CC-U-800 外形尺寸 21

该保护盖为硬性。 请用它来防止误操作等。

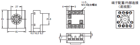
E5CC-U-800接线用连接插座

正面连接插座
P2CF-11

E5CC-800 / E5CC-B-800 / E5CC-U-800 外形尺寸 23

注:1. 带指触保护的型号(P2CF-11-E)也有售。

背面连接插座
P3GA-11

E5CC-800 / E5CC-B-800 / E5CC-U-800 外形尺寸 24

注:1. 使用其它插座将影响精度。只能使用规定的插座。
  2. 带指触保护的保护盖(Y92A-48G)也有售。
  3. 无法组合使用P3GA-11和Y92F-45。

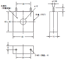
电流检测器

E54-CT1

E5CC-800 / E5CC-B-800 / E5CC-U-800 外形尺寸 26

E54-CT1L

E5CC-800 / E5CC-B-800 / E5CC-U-800 外形尺寸 27

贯通电流(Io)与输出电压(Eo)(参考值)
E54-CT1或E54-CT1L

加热器最大持续电流: 50A (50/60Hz)
线圈数: 400±2
线圈电阻: 18±2 Ω

E5CC-800 / E5CC-B-800 / E5CC-U-800 外形尺寸 28

E54-CT3

E5CC-800 / E5CC-B-800 / E5CC-U-800 外形尺寸 29

E54-CT3附件

E5CC-800 / E5CC-B-800 / E5CC-U-800 外形尺寸 30

E54-CT3L

E5CC-800 / E5CC-B-800 / E5CC-U-800 外形尺寸 31

贯通电流(Io)与输出电压(Eo)(参考值)
E54-CT3或E54-CT3L

加热器最大持续电流: 120 A (50/60Hz)
(用于星空(中国)一站式服务官网数字温控器的加热器最大持续电流为50A。)
线圈数: 400±2
线圈电阻: 8±0.8 Ω

E5CC-800 / E5CC-B-800 / E5CC-U-800 外形尺寸 32
APP下载

星空(中国)一站式服务官网FA世界