Page top

E5EC-800 / E5EC-B-800

温控器(数字调节仪)(简易型)(48 × 96mm)

E5EC-800 / E5EC-B-800

清晰易读的大屏白光PV显示。 选型、设定及操作更为简捷。 扩充了Push-In Plus端子台型的48 × 96mm 产品阵容。

E5EC-800系列抽出型预定于2022年7月底订货截止。

解决现场的温度控制课题

利用“E5□C”דThermac Simulator”,提供电脑上的控制星空平台。

(单位:mm)

温控器

E5EC-800

E5EC-800 / E5EC-B-800 外形尺寸 2

E5EC-B-800

E5EC-800 / E5EC-B-800 外形尺寸 3

• 建议面板厚度为1~8 mm。
• 垂直方向上不可进行组合安装。(在温控器间保持规定的安装间隔)。
• 为了使温控器具备防水能力,可将防水垫安装至温控器。
• 当安装两台或两台以上的温控器时,请确保周围温度没有超出规格表中指定的允许工作温度范围。

附件(另售)

端子盖
E53-COV24 (3个装)

E5EC-800 / E5EC-B-800 外形尺寸 5

防水垫
Y92S-P9 (DIN 48 × 96用)

E5EC-800 / E5EC-B-800 外形尺寸 6

上述温控器附带防水垫。
防水垫丢失或损坏时,请另行订购。
使用防水垫时的保护等级为IP66。
为了保持IP66保护等级,必须定期更换前面板设定工具端口的防水垫和端口盖,
因为这些附件在工作环境中可能老化、收缩或硬化。
更换周期因具体工作环境而已。
请在实际应用中检查所需的更换周期。
可参考使用三年或更短时间。

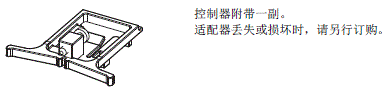
安装适配器
Y92F-51
(随附两个适配器。)

E5EC-800 / E5EC-B-800 外形尺寸 7

防水盖
Y92A-49N (48 × 96)

E5EC-800 / E5EC-B-800 外形尺寸 8

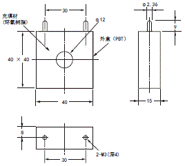
电流检测器

E54-CT1

E5EC-800 / E5EC-B-800 外形尺寸 10

E54-CT1L

E5EC-800 / E5EC-B-800 外形尺寸 11

贯通电流(Io)与输出电压(Eo)(参考值)
E54-CT1或E54-CT1L

加热器最大持续电流: 50A (50/60Hz)
线圈数: 400±2
线圈电阻: 18±2 Ω

E5EC-800 / E5EC-B-800 外形尺寸 12

E54-CT3

E5EC-800 / E5EC-B-800 外形尺寸 13

E54-CT3附件

E5EC-800 / E5EC-B-800 外形尺寸 14

E54-CT3L

E5EC-800 / E5EC-B-800 外形尺寸 15

贯通电流(Io)与输出电压(Eo)(参考值)
E54-CT3或E54-CT3L

加热器最大持续电流: 120 A (50/60Hz)
(用于星空(中国)一站式服务官网数字温控器的加热器最大持续电流为50A。)
线圈数: 400±2
线圈电阻: 8±0.8 Ω

E5EC-800 / E5EC-B-800 外形尺寸 16
APP下载

星空(中国)一站式服务官网FA世界