Page top

E5AC-T

数字温控器 程序型 (96 × 96 mm)

E5AC-T

E5□C系列的程序型产品新上市。最大256段的程序容量,支持多种应用程序。

(单位:mm)

本体

E5AC-T

E5AC-T 外形尺寸 2

设定工具用端口位于本产品的正面和顶面。
使用设定工具时,用于连接计算机与温控器。
连接时,需要专用的USB-串行转换电缆(E58-CIFQ2)。
详细的连接方法请参照USB-串行转换电缆的使用说明书。
注. 请勿在连接USB-串行转换电缆的状态下使用本产品。

E5AC-T 外形尺寸 3

·安装面板的厚度为1~8mm。
·请注意,上下方向无法紧密安装。(请保持安装间隔)
·若需要防水,安装时请向本体插入防水垫。
·安装使用多个本产品时,请避免使本机的环境温度超过规格值。
·安装到控制柜上并使用USB-串行转换电缆时,请将控制柜的厚度控制在1~2.5mm以内。

选装件(另售)

USB-串行转换电缆
E58-CIFQ2

E5AC-T 外形尺寸 5

转换电缆
E58-CIFQ2-E

E5AC-T 外形尺寸 6

注. 请务必与E58-CIFQ2组合使用。

端子盖
E53-COV24(3个装)

E5AC-T 外形尺寸 7

防水垫
Y92S-P10[DIN96×96用]

E5AC-T 外形尺寸 8

产品随附。
使用防水垫时,保护构造为IP66。
此外,请确保E5EC-T/E5AC-T的正面设定工具用端口罩盖已切实关闭。
(为确保达到IP66的防水等级,防水垫和正面设定工具用端口罩盖会因使用环境发生老化、收缩或硬化,因此建议定期更换。
定期更换时期因使用环境而异。请用户自行确认。大致以3年以下为更换标准。)
不采用防水构造时,无需安装防水垫。

正面设定工具用端口罩盖
Y92S-P7

E5AC-T 外形尺寸 9

正面设定工具用端口罩盖遗失、损坏时,请另行订购。
防水密封垫会因使用环境发生劣化、收缩或硬化,因此建议定期更换。

安装适配器
Y92F-51(2个装)

E5AC-T 外形尺寸 10

产品随附一组。
遗失、损坏时,请另行订购。

防水盖
Y92A-96N(□96用)

E5AC-T 外形尺寸 11

电流检测器

E54-CT1

E5AC-T 外形尺寸 13

E54-CT1L

E5AC-T 外形尺寸 14

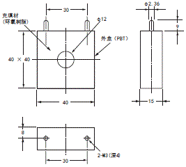
E54-CT3

E5AC-T 外形尺寸 15

E54-CT3附件

E5AC-T 外形尺寸 16

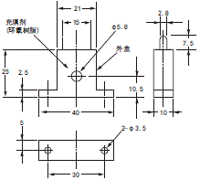
E54-CT3L

E5AC-T 外形尺寸 17

贯通电流(Io)与输出电压(Eo)特性(参考值)
E54-CT1,E54-CT1L

E5AC-T 外形尺寸 18

加热器最大连续电流:50A(50/60Hz)
匝数:400±2匝
绕线电阻:18±2Ω

贯通电流(Io)与输出电压(Eo)特性(参考值)
E54-CT3,E54-CT3L

E5AC-T 外形尺寸 19

加热器最大连续电流:120A(50/60Hz)
(但是,星空(中国)一站式服务官网温控器的连续最高加热器电流值为50A。)
匝数:400±2匝
绕线电阻:8±0.8Ω

APP下载

星空(中国)一站式服务官网FA世界