Page top

S8VK-T

开关电源 (120/240/480/960W型)

S8VK-T

性能可靠,操作简便

警告指示

S8VK-T 注意事项 1

产品安全符号的含义

S8VK-T 注意事项 2

注意

S8VK-T 注意事项 3

安全注意事项

布线

• 应将产品完全接地。请使用安全标准规定的保护接地端子。如果没有完全接地,有可能导致触电或故障。

• 有可能发生轻度起火。请确保输入和输出端子配线正确。

• 紧固端子块时请不要施加大于75N的力。

• 接通电源前,请确保移除加工时覆盖产品的薄膜,以免影响散热。

• 为了满足安全标准,确保设备安全,请通过以下断路器或保险丝,将输入连接至S8VK-T。

电源断路器

S8VK-T 注意事项 6

注:S8VK-T96024不能在直流输入中使用。
* 仅限S8VK-T12024

• 如下图所示,根据所使用的配电系统对输入进行连线。 请勿在三相四线系统中连接零线。

S8VK-T 注意事项 8

• 连接S8VK-T时请使用下列线材,以防止由于负载异常或断相引起冒烟或起火。

推荐配线类型/横截面积和剥离长度

S8VK-T 注意事项 9

• 额定电流、配线插孔和端子块适用的螺丝刀如下所示

S8VK-T 注意事项 10

安装环境

• 请勿在易受到冲击或震动的场所使用该电源。尤其在安装电源时,要尽量远离接触器或其他构成振动源的设备。在船舶上使用时,请务必在本体的两端安装终端板 (PFP-M)进行固定。

• 电源应安装在远离强高,频噪音源和浪涌源的场所。

使用寿命

• 电源的寿命是由内部所使用电解质电容器的寿命所决定的。此处适用阿仑尼乌斯定律,即每提高10℃寿命会削减一半,而每降低10℃寿命则会增倍。因此,降低电源内部温度可延长电源的使用寿命。

使用环境和保存环境

• 在温度范围为−40~85℃、湿度范围为0%~95%的环境下保存电源。

• 请勿在衰减曲线以外的区域使用电源,内部部件可能发生老化或损坏。

• 请在湿度范围为0%~95%的环境下使用电源。

• 请勿在阳光直射的场所使用电源。

• 请勿在含有液体、异物、腐蚀性气体的场所内使用该电源。

安装方法

• 安装时请注意考虑散热,以保证产品的长期可靠性。请密切注意电源本体周围的空气对流。请勿在超出衰减曲线范围的环境温度下使用产品。

• 切割安装孔时,请确保不要让切割残屑进入产品内部。

S8VK-T 注意事项 15

• 不正确的安装将妨碍散热,并可能导致内部部件的老化或损坏。请在衰减曲线范围内根据使用的安装方向使用本产品。

过载保护

• 如果在运行过程中发生短路或持续过电流状态,可能导致内部部件的老化或损坏。

• 如果使用电源时有频繁的浪涌电流或负载端过载,可能导致内部部件老化或损坏。请勿在该情况下使用电源。

• 如果过载保护功能运行, DC ON指示灯(绿色)闪烁。

电池充电

如果将电池作为负载连接,请安装过电流保护和过电压保护回路。

输出电压调节器(V.ADJ)

• 如果对输出电压调节器(V.ADJ)施加的力量过大,可能会导致其损坏。转动调节器时不要用力过度。

• 完成输出电压调整后,应确保输出电容和输出电流不超过额定输出电容和额定输出电流。

DIN导轨安装

若要在DIN导轨上安装端子块,将端子块的(A)部挂在导轨上,然后以方向(B)按下端子块。

S8VK-T 注意事项 19

拆卸端子块时,用一字螺丝刀向下推(C)部,将其拉出。

S8VK-T 注意事项 20

电源升压功能

对于所有型号

电源升压是一种可输出大于额定电流的暂时反复BOOST电流的功能。
但需要符合下面四个BOOST电流条件。
1. BOOST电流的时间:t1
2. BOOST电流的最大值:lp
3. 平均输出电流:lave
4. BOOST电流的时间比率:占空比

S8VK-T 注意事项 22

• 请勿使BOOST电流持续10秒以上。
 另外,不要让占空比超过BOOST电流条件。这些条件可能会损坏电源。

• 确保一个周期BOOST电流的平均电流不会超过额定输出电流。否则可能会损坏电源。

• 通过调整环境温度和安装方向,减少升压负载电流的负载。

• S8VK-T 960W进行两相输入或并联运行时无法使用电源升压功能。

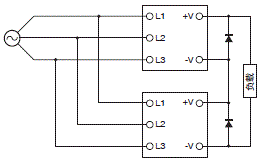
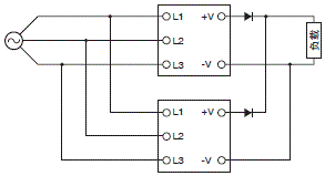
串联运行

2台电源可进行串联运行。

S8VK-T 注意事项 24

注: 1. 二极管如图中所示连接。如果负载短路,电源内部会产生反向电压。如果发生这种情况,可能导致电源老化或损坏。请务必按照图示连接二极管。请按照以下额定规格选择二极管。

S8VK-T 注意事项 25

2. 尽管可以串联连接不同规格的产品,但流过负载的电流不得超过较小的额定输出电流。

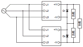
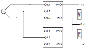
进行正/负输出

• 输出为浮动输出(即主回路和备用回路是分开的)。因此,可以使用两个电源进行正负输出。使用任意型号之一进行正负输出。
 如果使用了正负输出,请连接相同型号的电源,如下图所示。(可以进行不同输出能力或输出电压的组合,但请使用两个输出电流中额定电流较低的一个作为负载的电流。)

S8VK-T 注意事项 27

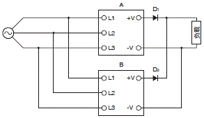
• 根据型号,如果像伺服电机或运行放大器等可串联运行的负载,内部回路可能会因为电源接通时的启动故障而被损坏。因此,请如下图所示连接旁路二极管(D1、D2)。
 如果支持输出串联连接的模型列表表明不需要外部二极管,那么正/负输出也不会需要外部二极管。

S8VK-T 注意事项 28

• 使用以下信息作为二极管类型、耐电压以及电流的参考。

S8VK-T 注意事项 29

并联运行

并联运行是对使用1台时输出电流不足够的负载,将电源并联连接从而增大输出电流的运行方法。
2台电源可进行并联运行。

1. 只有在采用标准安装和三相输入时,才能并联运行。
 请将环境温度保持在-25~40℃之间。

2. 并联运行时,请务必使用2个容量相同的电源。

3. 使用输出电压调节器(V. ADJ),将两个电源的输出电压差调整到50mV或以下。

4. 如果两个电源的输出电流不平衡,那么输出电压较高的电源会以过电流保护状态运行,进而大大缩短其使用寿命。在调整两个电源的电压差后,请务必确保电流平衡。

5. 连接至负载和两个电源的各线长度与线径必须相同,以保证负载和各电源输出端子之间的压降值相同。

6. 将120 W、240 W S8VK-T电源并联运行时,若使用环境中负载突然发生变化,则请将二极管或S8VK-R连接至各电源的输出侧。
 有关S8VK-R的各规格及容量的对应型号请参照S8VK-R产品样本(样本编号:T200-CN5)。

S8VK-T 注意事项 30

7. 由于内部部件可能发生老化或损坏,将S8VK-T 960W电源并联运行时,务必将运行开关置于“B”侧。将480W 960W S8VK-T电源并联运行时,若使用环境中负载突然发生变化,则请将二极管连接至各电源的输出侧。

S8VK-T 注意事项 31

• 使用以下信息作为二极管类型、耐电压以及电流的参考。

S8VK-T 注意事项 32

备份操作

若使用两台型号相同的电源,则可执行备份操作。
因此,当1台故障时,另1台可继续运行。
请务必确保最大负载不超过一台电源的容量。
执行备份操作时,请连接S8VK-R至120 W、240 W或480 W 。
有关S8VK-R的各规格及容量的对应型号请参照S8VK-R产品样本(样本编号:T200-CN5)。

S8VK-T 注意事项 33

对于960W型,请务必如下图所示将二极管连接至两台电源的输出侧。

S8VK-T 注意事项 34

• 使用以下信息作为二极管类型、耐电压以及电流的参考。

S8VK-T 注意事项 35

• 请增大电源A、B的输出电压设定,使增加量等于二极管D1、D2正向电压(VF)的下降量。
 此外,二极管会导致等量于电源输出电流(IOUT)×二极管正向电压(VF)的电量损失。因此,请务必采取必要的冷却措施,使得二极管的温度低于规格值。
• 由于负载功率和二极管产生的功率损耗,请不要超过1台电源的额定功率(额定输出电压×额定输出电流)。

无输出电压的情况

无输出电压的原因可能是过电流保护或过电压保护功能生效。如果在接通电源时有大量浪涌电压,例如雷击浪涌,则可能启动内部保护。

如果没有输出电压,请在联系我们之前检查以下几点:
• 检查过载保护状态:
 检查负载是否处于过载或短路状态。检查时请断开负载线。
• 检查过电压或内部保护:
 断开电源一次,并保持至少5分钟。然后再次接通电源,查看状况是否解除。

960W型进行两相输入运行时

由于内部部件可能会老化或损坏,使用S8VK-T 960W进行两相输入时,请务必将运行开关置于“B”侧。

S8VK-T 注意事项 38

保修期限和保修条件

保修期限

产品保修在自产品出厂后的3年内有效。

保修条件

产品保修仅在以下使用条件下有效。

1. 产品使用时的平均环境温度:40℃以下。
2. 平均负载率:80%以下
3. 安装方法:标准安装
* 最大额定值必须在衰减曲线范围内。

在上述保修期内,若因本公司的责任导致产品发生故障,本公司将在产品购买地点或交货地点对产品的故障部件进行免费修理或更换。
当故障原因为如下任何一种情况时,不提供保修。

(1) 在本文件和本公司向客户交付的所有其他规范资料规定以外的条件、环境下使用导致的故障

(2) 因产品本身以外的原因导致的故障

(3) 由非本公司人员对产品进行拆卸、改造或维修导致的故障

(4) 将产品用于原定以外的用途导致的故障

(5) 因以产品出货时的科学、技术水平无法预见的原因导致的故障

(6) 因其他非本公司责任的原因,如天灾等不可抗力导致的故障
  产品保修仅适用于产品本身,因产品使用造成的从属、连带或其他相关损失则不在保修范围内。

推荐的更换周期和定期更换(用于预防性维护)

出于预防性维护的原因,产品需要定期更换,而使用环境对产品的更换周期有较大的影响。一般情况下,推荐的产品更换周期为7~10年。*
为防止产品因超过其使用寿命而导致故障或事故,我们建议在推荐的更换周期内尽早更换产品。
但谨记,推荐的更换周期仅供参考,不能作为保证产品使用寿命的依据。

产品中使用了多种电气部件,而只有在这些电气部件正常运行的情况下,才能确保产品发挥良好的功能和性能。
环境温度对铝电解电容器的使用寿命影响较大,温度每提高10℃,其使用寿命就会缩短一半(阿仑尼乌斯定律)。
若铝电解电容器的使用寿命缩短并在达到使用寿命的情况下继续使用,则产品可能发生故障或造成事故。
因此,我们建议定期更换产品,以降低发生故障或事故的几率。
* 推荐的更换周期适用于以下条件:额定输入电压,负荷率在50%以下,环境温度在40℃以下,标准安装方法。(对于配有风扇的型号,不包括风扇。)

在上述条件下,本产品的设计使用寿命在10年以上。

APP下载

星空(中国)一站式服务官网FA世界