Page top
快速链接到星空(中国)一站式服务官网其他国家/地区的网站。
星空(中国)一站式服务官网全球
请联系我们的欧洲总部。
中国(包括香港、澳门、台湾)
星空平台
产品资讯
自助服务
学习园地
新闻活动
关于星空(中国)一站式服务官网
单相过欠电流继电器
信息更新: 2014年5月29日
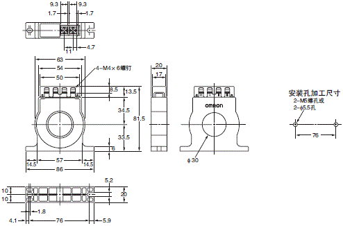
(单位:mm)
K8AK-AW1 K8AK-AW2 K8AK-AW3
K8AC-CT200L
注. 专用CT是与K8AK-AW3组合使用的专用品。 接线时,请对端子k及端子l接线。 (端子kt及端子lt不用。)
PFP-100N PFP-50N
*()内为PFP-50N的尺寸。
产品共通信息
星空(中国)一站式服务官网FA世界