Page top

A22NK

钥匙型旋转开关

A22NK

φ22mm 钥匙型旋钮开关 短小机型和配线方向的变更实现了控制柜的小型化 新增简单配线的Push-In Plus端子台型

A22NK系列部分产品预定于2023年3月底订货截止。

(单位:mm)

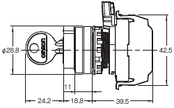
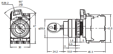
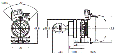
钥匙型选择开关(带灯/不带灯型)

2位(树脂边框)

A22NK-2B□-01□A-G

A22NK 外形尺寸 2

A22NK-2B□-01□A-P

A22NK 外形尺寸 3

3位(树脂边框)

A22NK-3B□-01□A-G

A22NK 外形尺寸 4

A22NK-3B□-01□A-P

A22NK 外形尺寸 5

2位(金属边框)

A22NK-2M□-01□A-G

A22NK 外形尺寸 6

A22NK-2M□-01□A-P

A22NK 外形尺寸 7

3位(金属边框)

A22NK-3M□-01□A-G

A22NK 外形尺寸 8

A22NK-3M□-01□A-P

A22NK 外形尺寸 9

2位(金属圆框)

A22NK-2R□-01□A-G

A22NK 外形尺寸 10

A22NK-2R□-01□A-P

A22NK 外形尺寸 11

3位(金属圆框)

22NK-3R□-01□A-G

A22NK 外形尺寸 12

A22NK-3R□-01□A-P

A22NK 外形尺寸 13

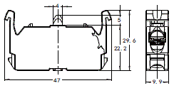
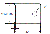
连接时的进深尺寸

(螺钉端子台型)

A22NK 外形尺寸 14

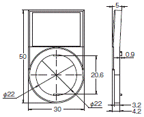
2接点单元安装时的进深尺寸

(Push-In Plus端子台型)

A22NK 外形尺寸 15

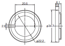
端子配置图

BOTTOM VIEW(螺钉端子台型)

A22NK 外形尺寸 16

BOTTOM VIEW(Push-In Plus端子台型)

A22NK 外形尺寸 17

端子连接图

A22NK 外形尺寸 18

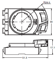
单品(共用)

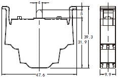
安装台

A22NZ-H-01

A22NK 外形尺寸 20

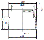
螺钉端子台规格

开关部

A22NZ-S-G1□

A22NK 外形尺寸 22

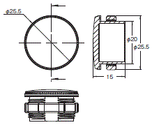
Push-In Plus端子台规格

开关部(1接点)

A22NZ-S-P1□

A22NK 外形尺寸 24

开关部(2接点)

A22NZ-S-P2□

A22NK 外形尺寸 25

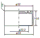
附件和工具

保护盖

A22NZ-A-303

A22NK 外形尺寸 27

面板插头(树脂)

A22NZ-A-401

A22NK 外形尺寸 28

面板插头(金属)

A22NZ-A-402

A22NK 外形尺寸 29

限位圈

A22NZ-A-403

A22NK 外形尺寸 30

止转片

A22NZ-A-50501

A22NK 外形尺寸 31

增强板

A22NZ-A-C01

A22NK 外形尺寸 32

控制盒

A22NZ-A-B01Y

A22NK 外形尺寸 33

防水罩

・平型用 A22Z-3600F

A22NK 外形尺寸 34

・凸出型用 A22Z-3600T

A22NK 外形尺寸 35

・全保护罩用 A22Z-3600G

A22NK 外形尺寸 36

φ30用树脂附件

A22Z-A30

A22NK 外形尺寸 37

铭牌单元

・标准 A22NZ-A-50103

A22NK 外形尺寸 38

・大型 A22NZ-A-51103

A22NK 外形尺寸 39

雕刻版

・标准型用 A22Z-3443□-□

A22NK 外形尺寸 40

・大型用 A22Z-3453□

A22NK 外形尺寸 41

紧固扳手

A22NZ-A-301

A22NK 外形尺寸 42

LED灯更换工具

A22NZ-A-302

A22NK 外形尺寸 43

盖紧固工具

A22Z-3908

A22NK 外形尺寸 44
APP下载

星空(中国)一站式服务官网FA世界