Page top

A22NS / A22NW

旋转开关

A22NS / A22NW

φ22mm 旋钮开关 短小机型和配线方向的变更实现了控制柜的小型化 新增简单配线的Push-In Plus端子台型

A22NS/A22NW系列部分产品预定于2023年3月底订货截止。

(单位:mm)

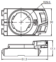
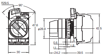
选择开关(带灯/不带灯型)

2位(树脂边框)

A22N□-2B□-□□A-G

A22NS / A22NW 外形尺寸 3

A22N□-2B□-□□A-P

A22NS / A22NW 外形尺寸 4

3位(树脂边框)

A22N□-3B□-□□A-G

A22NS / A22NW 外形尺寸 6

A22N□-3B□-□□A-P

A22NS / A22NW 外形尺寸 7

2位(金属边框)

A22N□-2M□-□□A-G

A22NS / A22NW 外形尺寸 9

A22N□-2M□-□□A-P

A22NS / A22NW 外形尺寸 10

3位(金属边框)

A22N□-3M□-□□A-G

A22NS / A22NW 外形尺寸 12

A22N□-3M□-□□A-P

A22NS / A22NW 外形尺寸 13

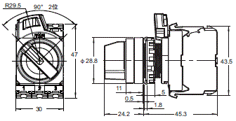
2位(金属圆框)

A22N□-2R□-□□A-G

A22NS / A22NW 外形尺寸 15

A22N□-2R□-□□A-P

A22NS / A22NW 外形尺寸 16

3位(金属圆框)

A22N□-3R□-□□A-G

A22NS / A22NW 外形尺寸 18

A22N□-3R□-□□A-P

A22NS / A22NW 外形尺寸 19

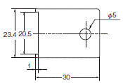
连接时的进深尺寸(螺钉端子台型)

A22NS / A22NW 外形尺寸 20

2接点单元安装时的进深尺寸(Push-In Plus端子台型)

A22NS / A22NW 外形尺寸 21

端子配置图

BOTTOM VIEW (螺钉端子台型)

A22NS / A22NW 外形尺寸 23

BOTTOM VIEW(Push-In Plus端子台型)

A22NS / A22NW 外形尺寸 24

端子连接图

A22NS / A22NW 外形尺寸 25

单品(共用)

LED灯
A22NZ-L-□□

A22NS / A22NW 外形尺寸 27

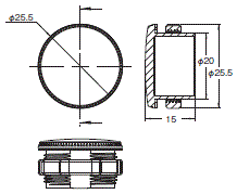
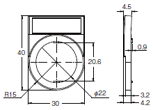
安装台
A22NZ-H-01

A22NS / A22NW 外形尺寸 28

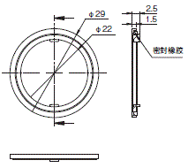
螺钉端子台规格

开关部
A22NZ-S-G1□

A22NS / A22NW 外形尺寸 30

亮灯部位
A22NZ-T-□

A22NS / A22NW 外形尺寸 31

Push-In Plus端子台规格

开关部(1接点)
A22NZ-S-P1□

A22NS / A22NW 外形尺寸 33

开关部(2接点)
A22NZ-S-P2□

A22NS / A22NW 外形尺寸 34

亮灯部位
A22NZ-T-□P

A22NS / A22NW 外形尺寸 35

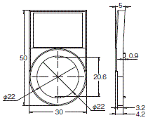
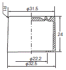
附件和工具

保护盖
A22NZ-A-303

A22NS / A22NW 外形尺寸 37

面板插头(树脂)
A22NZ-A-401

A22NS / A22NW 外形尺寸 38

面板插头(金属)
A22NZ-A-402

A22NS / A22NW 外形尺寸 39

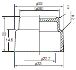
限位圈
A22NZ-A-403

A22NS / A22NW 外形尺寸 40

止转片
A22NZ-A-50501

A22NS / A22NW 外形尺寸 41

增强板
A22NZ-A-C01

A22NS / A22NW 外形尺寸 42

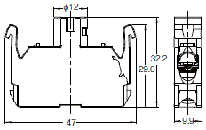
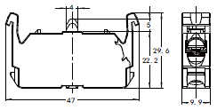
控制盒
A22NZ-A-B01Y

A22NS / A22NW 外形尺寸 43

防水罩

・平型用 A22Z-3600F

A22NS / A22NW 外形尺寸 45

・凸出型用 A22Z-3600T

A22NS / A22NW 外形尺寸 46

・全保护罩用 A22Z-3600G

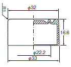
A22NS / A22NW 外形尺寸 47

φ30用树脂附件 
A22Z-A30

A22NS / A22NW 外形尺寸 48

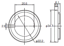
铭牌单元

・标准 A22NZ-A-50103

A22NS / A22NW 外形尺寸 50

・大型 A22NZ-A-51103

A22NS / A22NW 外形尺寸 51

雕刻版

・标准型用 A22Z-3443□-□

A22NS / A22NW 外形尺寸 53

・大型用 A22Z-3453□

A22NS / A22NW 外形尺寸 54

紧固扳手
A22NZ-A-301

A22NS / A22NW 外形尺寸 55

LED灯更换工具
A22NZ-A-302

A22NS / A22NW 外形尺寸 56

盖紧固工具
A22Z-3908

A22NS / A22NW 外形尺寸 57
APP下载

星空(中国)一站式服务官网FA世界