Page top

A30NN/A30NL

按钮开关

A30NN/A30NL

φ30mm 按钮开关 短小机型和配线方向的变更实现了控制柜的小型化 新增简单配线的Push-In Plus端子台型 提高操作性和安全性

A30NN/A30NL系列部分产品预定于2023年3月底订货截止。

(单位:mm)

按钮开关(带灯/不带灯型)

平型(金属边框)
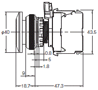
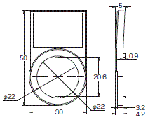
A30N□-MN□-N□A-G

A30NN/A30NL 外形尺寸 2

A30N□-MN□-N□A-P

A30NN/A30NL 外形尺寸 3

A30N□-MN□-T□A-G
A30N□-MN□-U□A-G

A30NN/A30NL 外形尺寸 4

A30N□-MN□-T□A-P
A30N□-MN□-U□A-P

A30NN/A30NL 外形尺寸 5

凸出型(金属边框)
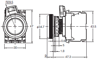
A30N□-MP□-□□A-G

A30NN/A30NL 外形尺寸 6

A30N□-MP□-□□A-P

A30NN/A30NL 外形尺寸 7

全保护罩型(金属边框)
A30N□-MG□-□□A-G

A30NN/A30NL 外形尺寸 8

A30N□-MG□-□□A-P

A30NN/A30NL 外形尺寸 9

蘑菇型(金属边框)
A30N□-MM□-□□A-G

A30NN/A30NL 外形尺寸 10

A30N□-MM□-□□A-P

A30NN/A30NL 外形尺寸 11

连接时的进深尺寸

(螺钉端子台型)

A30NN/A30NL 外形尺寸 13

2接点单元安装时的进深尺寸

(Push-In Plus端子台型)

A30NN/A30NL 外形尺寸 15

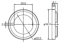
端子配置图

BOTTOM VIEW(螺钉端子台型)

A30NN/A30NL 外形尺寸 17

BOTTOM VIEW(Push-In Plus端子台型)

A30NN/A30NL 外形尺寸 18

端子连接图

A30NN/A30NL 外形尺寸 19

单品(共用)

LED灯
A22NZ-L-□□

A30NN/A30NL 外形尺寸 21

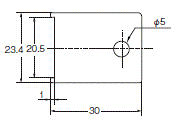
安装台
A22NZ-H-01

A30NN/A30NL 外形尺寸 22

螺钉端子台规格

开关部
A22NZ-S-G1□

A30NN/A30NL 外形尺寸 24

亮灯部位
A22NZ-T-□

A30NN/A30NL 外形尺寸 25

Push-In Plus端子台规格

开关部(1接点)
A22NZ-S-P1□

A30NN/A30NL 外形尺寸 27

开关部(2接点)
A22NZ-S-P2□

A30NN/A30NL 外形尺寸 28

亮灯部位
A22NZ-T-□P

A30NN/A30NL 外形尺寸 29

附件和工具

保护盖
A22NZ-A-303

A30NN/A30NL 外形尺寸 31

面板插头(树脂)
A22NZ-A-401

A30NN/A30NL 外形尺寸 32

面板插头(金属)
A22NZ-A-402

A30NN/A30NL 外形尺寸 33

限位圈
A22NZ-A-403

A30NN/A30NL 外形尺寸 34

止转片
A22NZ-A-50501

A30NN/A30NL 外形尺寸 35

增强板
A22NZ-A-C01

A30NN/A30NL 外形尺寸 36

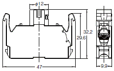
控制盒
A22NZ-A-B01Y

A30NN/A30NL 外形尺寸 37

防水罩

・平型用 A22Z-3600F

A30NN/A30NL 外形尺寸 39

・凸出型用 A22Z-3600T

A30NN/A30NL 外形尺寸 40

・全保护罩用 A22Z-3600G

A30NN/A30NL 外形尺寸 41

φ30用树脂附件 
A22Z-A30

A30NN/A30NL 外形尺寸 42

铭牌单元

・标准 A22NZ-A-50103

A30NN/A30NL 外形尺寸 44

・大型 A22NZ-A-51103

A30NN/A30NL 外形尺寸 45

雕刻版

・标准型用 A22Z-3443□-□

A30NN/A30NL 外形尺寸 47

・大型用 A22Z-3453□

A30NN/A30NL 外形尺寸 48

紧固扳手
A22NZ-A-301

A30NN/A30NL 外形尺寸 49

LED灯更换工具
A22NZ-A-302

A30NN/A30NL 外形尺寸 50

盖紧固工具
A22Z-3908

A30NN/A30NL 外形尺寸 51
APP下载

星空(中国)一站式服务官网FA世界