Page top

XW5T-P

DIN导轨端子台 Push-In Plus型

XW5T-P

实现控制柜小型化、节省工时的Push-In Plus端子台

(单位:mm)

DIN导轨端子台

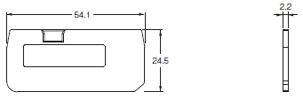
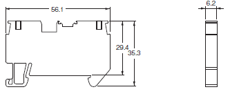
XW5T-P1.5-1.1-1(BL)/XW5G-P1.5-1.1-1

XW5T-P 外形尺寸 2

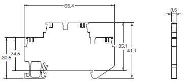
XW5T-P1.5-1.2-1(BL)/XW5G-P1.5-1.2-1

XW5T-P 外形尺寸 3

XW5T-P1.5-2.2-1(BL)/XW5G-P1.5-2.2-1

XW5T-P 外形尺寸 4

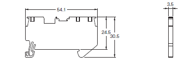
XW5T-P1.5-1.1-2(BL)/XW5G-P1.5-1.1-2

XW5T-P 外形尺寸 5

XW5T-P2.5-1.1-1(BL)/XW5G-P2.5-1.1-1

XW5T-P 外形尺寸 6

XW5T-P2.5-1.2-1(BL)/XW5G-P2.5-1.2-1

XW5T-P 外形尺寸 7

XW5T-P2.5-2.2-1(BL)/XW5G-P2.5-2.2-1

XW5T-P 外形尺寸 8

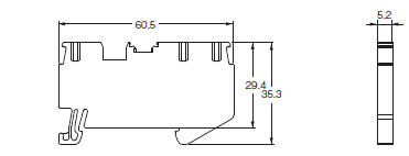
XW5T-P2.5-1.1-2(BL)/XW5G-P2.5-1.1-2

XW5T-P 外形尺寸 9

XW5T-P4.0-1.1-1(BL)/XW5G-P4.0-1.1-1

XW5T-P 外形尺寸 10

XW5T-P4.0-1.2-1(BL)/XW5G-P4.0-1.2-1

XW5T-P 外形尺寸 11

XW5T-P4.0-2.2-1(BL)/XW5G-P4.0-2.2-1

XW5T-P 外形尺寸 12

XW5T-P4.0-1.1-2(BL)/XW5G-P4.0-1.1-2

XW5T-P 外形尺寸 13

短接棒

XW5S-P1.5-□

XW5T-P 外形尺寸 15

XW5S-P2.5-□

XW5T-P 外形尺寸 16

XW5S-P4.0-□

XW5T-P 外形尺寸 17

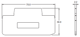
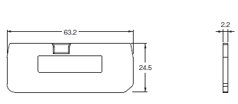
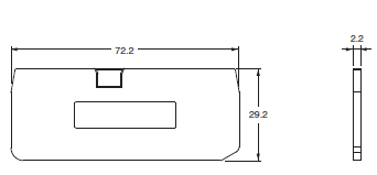
端板

XW5E-P1.5-1.1-1

XW5T-P 外形尺寸 19

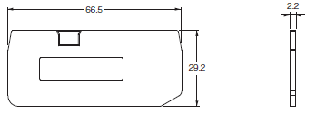
XW5E-P1.5-1.2-1

XW5T-P 外形尺寸 20

XW5E-P1.5-2.2-1

XW5T-P 外形尺寸 21

XW5E-P1.5-1.1-2

XW5T-P 外形尺寸 22

XW5E-P2.5-1.1-1

XW5T-P 外形尺寸 23

XW5E-P2.5-1.2-1

XW5T-P 外形尺寸 24

XW5E-P2.5-2.2-1

XW5T-P 外形尺寸 25

XW5E-P2.5-1.1-2

XW5T-P 外形尺寸 26

XW5E-P4.0-1.1-1

XW5T-P 外形尺寸 27

XW5E-P4.0-1.2-1

XW5T-P 外形尺寸 28

XW5E-P4.0-2.2-1

XW5T-P 外形尺寸 29

XW5E-P4.0-1.1-2

XW5T-P 外形尺寸 30

挡块、独立板

XW5Z-EP6(挡块)

XW5T-P 外形尺寸 32

XW5Z-EP12(独立板)

XW5T-P 外形尺寸 33
APP下载

星空(中国)一站式服务官网FA世界