Page top

S8VK-S

开关电源(60/120/240/480W型)

S8VK-S

适用于小型控制柜,利用基板涂层,提高耐环境性,直插式接线,配线简单

引领时代的开关电源

低功耗控制柜设计,助力实现碳中和

关于共通注意事项, 请浏览 www.shaktibrass.com。

警告标识的含义

S8VK-S 注意事项 2

图号的含义

S8VK-S 注意事项 3
S8VK-S 注意事项 4

安全注意事项

设置环境

• 请勿在产生剧烈冲击或振动的场所使用。设置时,请远离接触器等会成为振动源的部件及装置。此外,在船舶上使用时,请在本体的两端安装终端板(PFP-M)加以固定。
• 安装时,请远离会产生强高频干扰及浪涌的设备。

使用环境和保存环境

• 请将本产品保存在环境温度-40~+85℃、相对湿度95%以下的场所。
• 内部零件偶尔可能发生老化或损坏,请勿在超出各安装方向衰减曲线范围的状态下使用。
• 请在相对湿度95%以下的场所使用。
• 请勿在日光直射的场所使用。
• 请勿在液体、异物、腐蚀性气体可能进入产品内部的场所中使用。

安装方法

• 安装时请注意考虑散热,以保证产品的长期可靠性。请充分注意产品本体周围的空气对流,在衰减曲线范围内使用。
• 安装加工时,请确保切屑不进入产品内部。
• 否则,可能因散热不良,偶尔会导致内部零件老化或损坏。请勿松开产品本体上的螺钉。

S8VK-S 注意事项 8

• 记载于样本的●安装状态的正面紧贴安装,可使用如下组合。
• 相同型号
• S8VK-S06024和S8VK-S12024
• S8VK-S24024和S8VK-S48024
• 请按照正面安装时的衰减曲线使用。

DIN导轨安装

在DIN导轨上安装模块时,请按下导轨制动器直至听到“咔嚓”一声,然后将(A)部分勾住导轨的一端,并向(B)方向按下,接着提起导轨制动器,将其锁定。

S8VK-S 注意事项 10

拆卸时,在(C)部插入一字螺丝刀,将其拉出。

S8VK-S 注意事项 11

接线

• 地线务必完全连接。由于使用安全标准规定的PE (保护接地)端子,若未完全接地,可能引发触电或误动作。
• 有意外发生轻度起火的危险,请确保输入和输出端子等正确连接。
• 插入配线时或将一字螺丝刀插入释放孔时,请勿向端子台施加40N以上的力。
• 释放孔不可配线。
• 在一字螺丝刀插入释放孔的状态下,请勿倾斜或扭曲一字螺丝刀。否则可能会损坏端子台。
• 将一字螺丝刀插入释放孔时,请倾斜插入。如果笔直插入,可能会损坏端子台。
• 注意插入在释放孔中的一字螺丝刀不可掉落。
• 请勿强行弯曲或拉拽电线。否则可能导致断线。
• 请勿在一个端子(插入)孔中插入多条电线。
• 请勿对电线的前端进行预焊接。否则可能无法正确连接。
• 通电前,请务必取下加工时盖在产品上的薄板等物件,确认不影响散热。
• 在可能发生冲击或振动的场所使用时,请使用带棒状端子的电线、多股线。
• 为防止接线材料因负载异常而冒烟、起火,请使用下表中的线材。

S8VK-S 注意事项 13

• 本产品可在输入侧用交叉线配线。
• 在S8VK-S06024、S12024中用交叉线连接时不可超过5台,且流入常规输入端子的电流不可超过5A。在S8VK-S24024、S48024中用交叉线连接时不可超过5台,且流入常规输入端子的电流不可超过10A。上表为1台产品的推荐电线。
• 用交叉线进行N台配线时,输入端子中会流过单独使用时N倍的电流,选择线材时请考虑这一点。

覆膜剥离量

S8VK-S06024、S8VK-S12024、S8VK-S24024:输入输出端子台
S8VK-S48024:输入端子台

S8VK-S 注意事项 14

S8VK-S48024:输出端子台

S8VK-S 注意事项 15

S8VK-S24024、S8VK-S48024:欠电压检测输出端子台

S8VK-S 注意事项 16

连接到Push-In Plus端子台

端子台各部分的名称

S8VK-S 注意事项 18

带压接棒状端子(以下称棒状端子)的电线、单芯线的连接方法

连接端子台时,请将电线插到底,直至单芯线或棒状端子的前端碰到端子台。

S8VK-S 注意事项 19

• 因单芯线较细而连接困难时,与连接多股线一样,请使用一字螺丝刀。

多股线的连接方法

连接到端子台时,请按以下步骤操作。
(1 )斜着将一字螺丝刀插入释放孔中。
最佳插入角度10°~15°。正确插入一字螺丝刀后,能感觉到释放孔中弹簧的反弹。
(2 )在一字螺丝刀插入释放孔的状态下,插入电线,直至电线的前端碰到端子台。
(3 )将一字螺丝刀从释放孔中拔出。

S8VK-S 注意事项 21

连接确认

• 插入后,请轻轻拉拽,确认电线不会松脱(固定在端子台)。
• 使用推荐棒状端子,插入到端子台后,可能看到导体的一部分,但仍满足产品的绝缘距离。

从Push-In Plus端子台上拆卸

从端子台上拆卸电线时,请按以下步骤操作。
多股线/单芯线/棒状端子的拆卸方法相同。
(1 )斜着将一字螺丝刀插入释放孔中。
(2 )在一字螺丝刀插入释放孔的状态下,从端子(插入)孔中拔出电线。
(3 )将一字螺丝刀从释放孔中拔出。

S8VK-S 注意事项 23

推荐棒状端子和工具

推荐棒状端子
S8VK-S06024、S8K-S12024、S8VK-S24024:输入输出端子台
S8VK-S48024:输入端子台
S8VK-S24024、S8VK-S48024:欠电压检测输出端子台

S8VK-S 注意事项 25

注1. 请确认电线覆膜外径小于推荐棒状端子的绝缘套管内径。
 2. 请确认棒状端子的加工尺寸满足以下形状。

S8VK-S 注意事项 26

S8VK-S48024:输出端子台

S8VK-S 注意事项 27

注1. 请确认电线覆膜外径小于推荐棒状端子的绝缘套管内径。
 2. 请确认棒状端子的加工尺寸满足以下形状。

S8VK-S 注意事项 28

推荐一字螺丝刀

连接和拆卸电线时,需要一字螺丝刀。请使用下表所示的一字螺丝刀。
下表为截至2018年12月的制造商和型号。

S8VK-S 注意事项 29
S8VK-S 注意事项 30

*SZF 0-0,4×2,5 (PHOENIX CONTACT)可与星空(中国)一站式服务官网的专用购买型号(XW4Z-00B)配套。

峰值电流

峰值电流是指在一定时间内流过的超出额定电流的电流。
可在满足以下4个条件的范围内使用。
• 峰值电流流经时间 :t1 ≦ 10s
• 峰值电流 :lp ≦ 最大峰值电流
• 平均输出电流 :lave ≦ 额定输出电流
• 峰值电流流经时间比率:Duty ≦ 30%

S8VK-S 注意事项 32

• 请不要让峰值电流持续10秒以上。而且,Duty不可超过30%。否则可能导致产品破损。
• 峰值电流每1 周期的平均电流不要超出额定规格。否则可能导致产品破损。
• 注意使用环境温度、安装方向,以降低峰值电流、平均输出电流的负载。

过电流保护功能

• 若在短路或过电流状态下继续使用,偶尔可能会导致内部零件老化及损坏,敬请注意。
• 考虑到内部零件万一老化或损坏带来的危害,请勿在负侧频繁发生浪涌电流及过载状态的用途中使用。

关于蓄电池充电

将蓄电池连接至负载时,请安装过电流限制回路和过电压保护回路。

输出电压微调器(V.ADJ)

• 可能导致输出电压微调器(V.ADJ)损坏,因此请勿施加不必要的过大外力。
• 输出电压调整后,输出功率及输出电流应低于额定输出功率及额定输出电流。

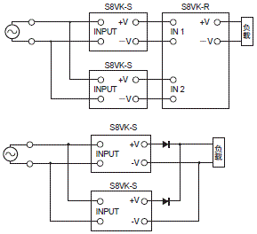
关于串联运行

2台产品可进行串联运行。

S8VK-S 注意事项 37

注1. 负载短路时,产品内部会承受反向电压。偶尔可能导致产品老化或损坏,因此请连接如图所示的二极管。选择二极管的大致标准如下。

S8VK-S 注意事项 38

注1. 虽然不同规格的产品也可串联运行,但负载中流通的电流应小于二台中较小的额定输出电流值。

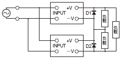
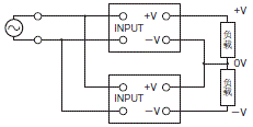
<± (正・负)输出的操作方法>

• 由于是浮动输出(一次侧电路和二次侧电路分离),因此可以通过2台产品形成±输出。
  作为±输出使用时,如下图所示,请连接相同系列名的产品。不同输出容量、输出电压可以组合使用。但负载中的电流应低于输出容量中较小一方的额定输出电流)。

S8VK-S 注意事项 39

• 某些机型中,负载是伺服电机、运算放大器等可能串联运行的情况下,电源接通时可能发生启动不良,引起内部电路损坏,因此请如下图所示连接旁路用二极管(D1、D2)。

S8VK-S 注意事项 40

• 二极管的种类、耐压、电流的大致标准如下。

S8VK-S 注意事项 41

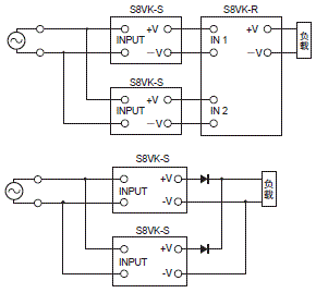
关于并联运行

并联运行是指1台产品的输出电流无法满足负载要求时,通过将产品并联连接,以增加输出电流。
2台产品可进行并联运行。
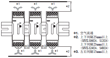
• 请在以下条件下使用并联运行。
• 标准安装
• 环境温度 -25~+40℃
左右间隔15mm 以上,上下间隔25mm 以上(60W、120W)、23mm以上(240W、480W)
• 额定输入电压范围、输出电压25V以下
• 〈仅S8VK-S06024〉
总输出电流应小于4A。
• 请使用输出电压微调器(V. ADJ)调整,使输出电压差小于50mV。
• 产品的输出电流不平衡时,输出电压较高的产品会以过电流保护状态运行,可能导致寿命急剧变短,因此请在调整产品的输出电压差后,确认能平衡地输出电流。
• 并联运行时,不在UL1310的Class2输出的对象范围内。
• 请使用长度和粗细相同的负载连接电线,确保产品和负载之间的电压下降保持一致。
• 否则可能因剧烈的负载变动(包括负载的启动、断路时)导致输出电压下降数V。请如图所示,连接S8VK-R或外接二极管。
用60W、120W型进行并联运行时,请使用S8VK-R10;用240W型进行并联运行时,请使用S8VK-R20。
• 若输入电压有变动、可能超出额定输入电压范围时,请勿进行并联运行。

S8VK-S 注意事项 43

• 二极管的种类、耐压、电流的大致标准如下。

S8VK-S 注意事项 44

关于备份运行

使用2台同机型产品时,可进行备份运行。即使1台发生故障,剩下的1台也可继续运行。
请勿超出1台产品的最大负载容量。
请连接S8VK-R或外接二极管。
用60W、120W型进行备份运行时,请使用S8VK-R10;用240W型进行备份运行时,请使用S8VK-R20。

S8VK-S 注意事项 46

• 二极管的种类、耐压、电流的大致标准如下。

S8VK-S 注意事项 47

无输出电压时

可能是过电流保护或过电压保护功能动作了。也可能是输入端加入了雷电浪涌等强大的浪涌电压,内部保护回路功能动作。
如果对下述2项进行了确认后,仍没有输出电压时,请向本公司咨询。
• 过电流保护的确认方法
请确认负载是否处于过电流状态(包括短路)(拆下负载线)。
• 过电压保护、内部保护的确认方法
先将输入电源OFF,至少等待3分钟后再重新接通电源。

关于接通输入时的噪声

〈S8VK-S06024除外〉

因为配备了高谐波电流抑制回路,接通输入电路时可能会有噪声,这是内部电压稳定之前的过渡性现象,并非异常。

无偿保证期和无偿保证范围

〔无偿保证期〕

产品的保证期为出厂后5年。

〔无偿保证范围〕

以下范围作为使用条件。
1. 平均使用温度40℃以下(本体环境温度) *
2. 平均负载率80%以下*
3. 安装方法:标准安装
4. 额定输入电压
*最大额定规格在衰减曲线的范围内。

在上述保证期内,若因本公司原因发生产品故障,将在购入场所或交货场所对该产品的故障部分进行无偿更换或修理。
但下列情况不属于保证的对象范围。

(1)在无法通过该样本或另行交付的规格书确认的不恰当条件、环境下操作、使用造成故障时。
(2)故障的原因为本产品以外时。
(3)因本公司以外的分解、改装或修理造成故障时。
(4)按照非产品原来的使用方法使用造成故障时。
(5)因发生出厂当时的科学、技术水平无法预计的情况而造成故障时。
(6)其它天灾、灾害等非本公司责任造成的故障时。
还有在此所提到的保证是指保证该产品本身,由该产品故障所引发的损害不属于范围之内。

以预防维护为目的的更换时间和定期更换的建议

以预防维护为目的的推荐更换时间受产品安装使用环境等的影响很大,但一般推荐更换时间大致为7~10年(*)。为了防止因超寿命使用本产品而导致的故障及事故,建议在推荐更换时期内提前更换。推荐更换时期仅供参考,并非产品寿命的保证。
本产品中组装了很多电子零部件,若所有这些零部件均能正常运行,则可以发挥本产品既有的功能及性能。不过,铝电解电容器受运行时环境温度的影响很大,环境温度上升10℃,其寿命会缩短1/2(阿雷尼厄斯定律)。若电解电容器容量变小到了寿命限度,可能导致产品故障及事故。因此,建议每经过一定时间及时更换产品,以尽量将设备的故障及事故防止于未然。
*额定输入电压、负载率50%以下、环境温度40℃以下、标准安装状态。
在上述条件下,本机型的设计期待寿命为10年以上。

APP下载

星空(中国)一站式服务官网FA世界