Page top

A7PS / A7PH

拨码开关

A7PS / A7PH

带有大显示字符的防尘、易于使用、设定的开关

(单位:mm)

开关

A7PS-2□□(-1)
A7PH-2□□(-1)
焊接端子

A7PS / A7PH 外形尺寸 3 A7PS-2□□(-1)_Dim

附件(另售)

用于按操作开关的端盖
A7P-M(-1)卡入式面板安装

A7PS / A7PH 外形尺寸 6 A7P-M(-1)_Dim

用于按操作开关的隔板
A7P-P□(-1)卡入式面板安装

A7PS / A7PH 外形尺寸 8 A7P-P□(-1)_Dim

隔板型号中的□代表范围A到U中的字母。(参见第1页上隔板说明下面的表格。)

接插件

(这些设备可使开关快速卸下以进行维护和连接性检查, 并可快速重新安装。)

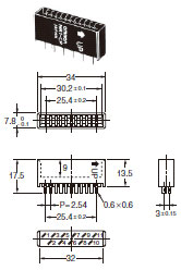
NRT-C焊接端子

A7PS / A7PH 外形尺寸 12 A7PS/A7PH_Connectors_Dim1

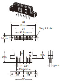
NRT-CN焊接端子

A7PS / A7PH 外形尺寸 13 A7PS/A7PH_Connectors_Dim2

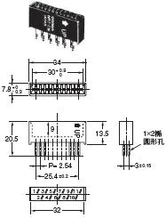
NRT-CP PCB端子

A7PS / A7PH 外形尺寸 15 A7PS/A7PH_Connectors_Dim3

注:除非另有说明, 否则上面型号中尺寸的尺寸公差为±0.4mm。

插入接插件

插入接插件, 使“UP” 箭头朝上。

A7PS / A7PH 外形尺寸 19 A7PS/A7PH_Inserting Connectors
APP下载

星空(中国)一站式服务官网FA世界