Page top

S8FS-G

开关电源 (15/30/50/100/150/300/600W型)

S8FS-G

卓越的性能与高可靠性并存,符合各种标准,适用性广泛。

引领时代的开关电源

低功耗控制柜设计,助力实现碳中和

(单位:mm)

本体

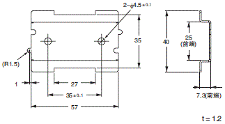
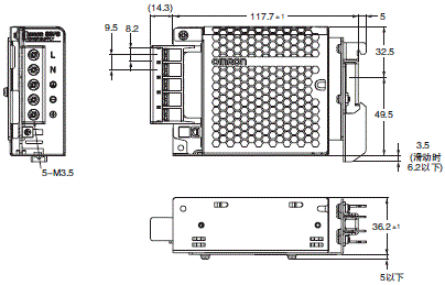
15W/30W

S8FS-G015□□C
S8FS-G030□□C

S8FS-G 外形尺寸 3

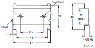
S8FS-G015□□CD
S8FS-G030□□CD

S8FS-G 外形尺寸 4

S8FS-G015□□□E
S8FS-G030□□□E

S8FS-G 外形尺寸 5

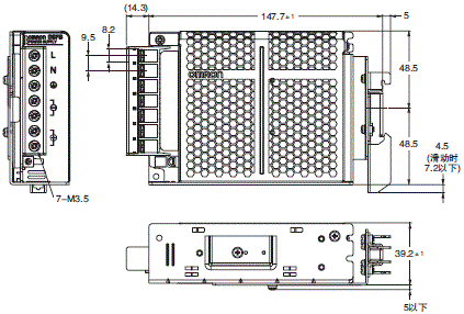
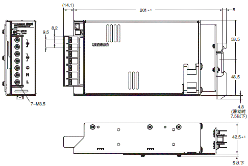
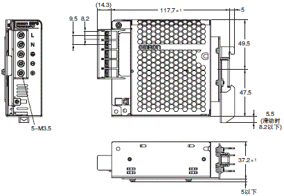
50W

S8FS-G050□□C

S8FS-G 外形尺寸 7

S8FS-G050□□CD

S8FS-G 外形尺寸 8

S8FS-G050□□E

S8FS-G 外形尺寸 9

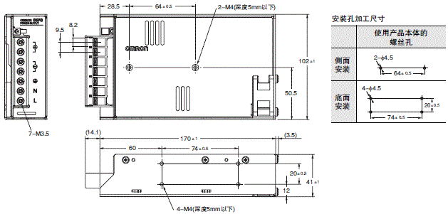
100W

S8FS-G100□□C

S8FS-G 外形尺寸 11

S8FS-G100□□CD

S8FS-G 外形尺寸 12

S8FS-G100□□E

S8FS-G 外形尺寸 13

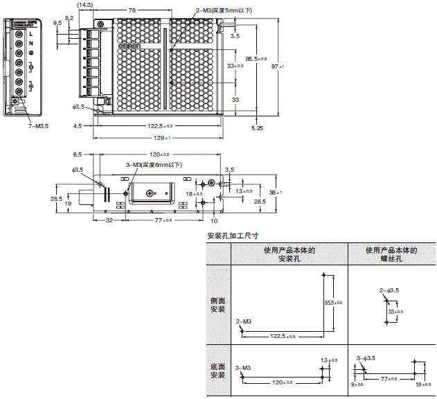
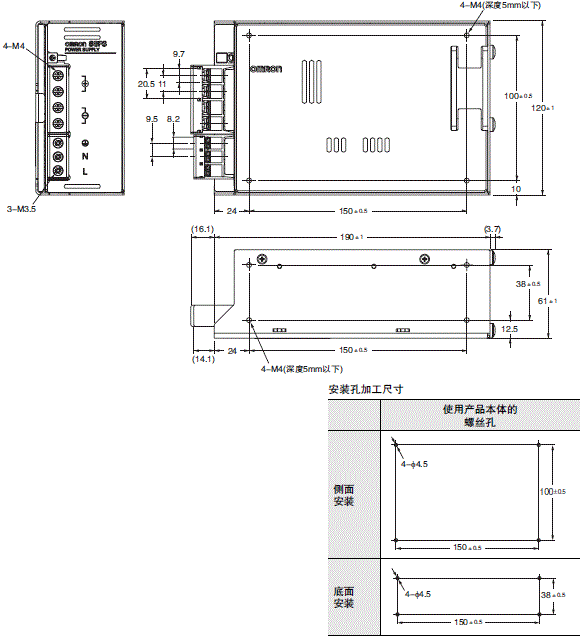
150W

S8FS-G150□□C

S8FS-G 外形尺寸 15

S8FS-G150□□CD

S8FS-G 外形尺寸 16

S8FS-G150□□E

S8FS-G 外形尺寸 17

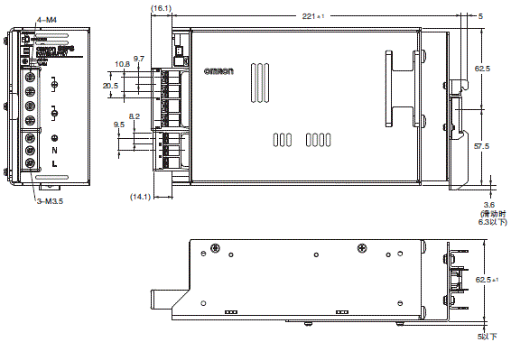
300W

S8FS-G300□□□C

S8FS-G 外形尺寸 19

S8FS-G300□□□CD

S8FS-G 外形尺寸 20

注. 300W型安装到DIN导轨时,请使用铁制DIN导轨。

600W

S8FS-G600□□□C

S8FS-G 外形尺寸 22

S8FS-G600□□□CD

S8FS-G 外形尺寸 23

注. 600W型安装到DIN导轨时,请使用铁制DIN导轨。

安装配件另售件

正面安装配件请与DIN导轨安装型(S8FS-G□□□□□CD)组合使用。在DIN导轨上安装直接安装型(S8FS-G□□□□□C)时,请另行购买DIN导轨安装配件

S82Y-FSG-30F

S8FS-G 外形尺寸 25

S82Y-FSG-60F

S8FS-G 外形尺寸 26

注. 可提供S8JX-N系列/S8JX-P系列/S8VM系列的替换金属配件。使用垂直安装型进行正面安装时,请使用这些安装支架。
  详情请参照各系列产品样本。

导轨安装用另售件

支承导轨(铝制)

PFP-100N
PFP-50N

S8FS-G 外形尺寸 29

PFP-100N2

S8FS-G 外形尺寸 30

固定配件(终端板)

PFP-M

S8FS-G 外形尺寸 32

注1. 可能受到振动、冲击的用途中,可能会因铝的磨损而产生金属碎屑,这种情况下请使用铁制DIN导轨。
 2. 若产品发生横向滑动,请在本体两端安装终端板(PFP-M)。

APP下载

星空(中国)一站式服务官网FA世界