Page top

UMA系列

安全垫

UMA系列

安装简单,全新升级的安全垫

(单位:mm)

安全垫

单电缆型

UM□□A-□-□-1

安全垫UM□□A-□-□-1从1个角伸出带M8 4极接插件的4芯电缆。

UMA系列 外形尺寸 3

双电缆型

UM□□A-□-□-2

安全垫UM□□A-□-□-2从2个角伸出带M8 3极接插件的2芯电缆。

UMA系列 外形尺寸 5
UMA系列 外形尺寸 6

*1. 详情请参阅型号结构。
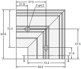
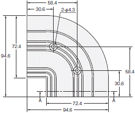
*2. 安全垫的台阶部(非检测区域)用于调整垫的安装、配置及固定。
*3. 有以下非检测区域。
  - φ80mm试片时为10mm(角部20mm)
  - φ11mm试片时为15mm(角部30mm)

(例)UMMA-0500-0500-□时

UMA系列 外形尺寸 7

安全垫控制器

MC3

UMA系列 外形尺寸 9

安全垫/触边控制器

SCC-1224A

UMA系列 外形尺寸 11

附件

电缆

单电缆型安全垫用

单侧接插件电缆(M8、4极)
连接安全垫控制器MC3/SCC-1224A、安全控制器NX系列和单电缆型安全垫UM□□A-□-□-1时的电缆。
UMA-CBL-4PCF-M8-□M

UMA系列 外形尺寸 15

延长电缆 两侧接插件电缆(M8、4极)
用于连接单侧接插件电缆UMA-CBL-4PCF-M8-□M和单电缆型安全垫UM□□A-□-□-1的延长电缆。
UMA-CBL-4PMF-M8-□M

UMA系列 外形尺寸 16

双电缆型安全垫用

单侧接插件电缆(M8、3极)
连接安全垫控制器MC3/SCC-1224A、安全控制器NX系列和双电缆型安全垫UM□□A-□-□-2时的电缆。
UMA-CBL-3PCF-M8-□M

UMA系列 外形尺寸 18

延长电缆两侧接插件电缆(M8、3极)
用于连接单侧接插件电缆UMA-CBL-3PCF-M8-□M和双电缆型安全垫UM□□A-□-□-2,或用于连接安全垫的延长电缆。
UMA-CBL-3PMF-M8-□M

UMA系列 外形尺寸 19

插头连接电缆(M8、3极)
在连接双电缆型安全垫UM□□A-□-□-2的多个插座时使用。
UMA-CBL-3PMM-M8-0.15M

UMA系列 外形尺寸 20

插座连接电缆(M8、3极)
在连接双电缆型安全垫UM□□A-□-□-2的多个插头时使用。
UMA-CBL-3PFF-M8-0.15M

UMA系列 外形尺寸 21

终端电阻
仅在连接控制器SCC-1224A和双电缆型安全垫UM□□A-□-□-2时使用。

UMA系列 外形尺寸 22

压边

带黄色PVC盖的斜压边

UMRT□

UMA系列 外形尺寸 24

连接处压边

UMJS□

UMA系列 外形尺寸 25

铝质斜压边

UMAL

UMA系列 外形尺寸 26

成型外部边角

UMOC

UMA系列 外形尺寸 27

成型内部边角

UMIC

UMA系列 外形尺寸 28
APP下载

星空(中国)一站式服务官网FA世界