Page top

E5CD

温控器(数字温控器)(48 x 48 mm)

E5CD

自动捕捉状态变化,优化控制,轻松兼顾生产效率和品质。

(单位:mm)

本体

E5CD

E5CD 外形尺寸 2
E5CD 外形尺寸 3

·安装面板的厚度为1~5mm。
·上下方向无法进行紧密安装,请予注意。(请保持安装间隔)
·若需要防水,安装时请向本体插入防水垫。
·安装使用多台温控器时,请避免使温控器的环境温度超过规格值。
·使用Y92A-48N时,请将控制柜的厚度控制在1~3mm以内。
·使用Y92S-P8时,请将控制柜的厚度控制在1~3mm以内。

选装件(另售)

端子盖

E53-COV17

E5CD 外形尺寸 5

端子盖

E53-COV23(3个装)

E5CD 外形尺寸 6

防水垫

Y92S-P8〔DIN48×48用〕

E5CD 外形尺寸 7

产品随附。
防水垫遗失、损坏时,请另行订购。
使用防水垫时,保护等级为IP66。
(为确保达到IP66的防水等级,防水垫会因使用环境发生老化、收缩或硬化,因此建议定期更换。
定期更换时期因使用环境而异。请用户自行确认。大致以3年以下为更换标准。)

电流检测器

E54-CT1

E5CD 外形尺寸 10

E54-CT1L

E5CD 外形尺寸 11

贯通电流(Io)与输出电压(Eo)特性(参考值)
E54-CT1、E54-CT1L

加热器最大连续电流:50A(50/60Hz)
匝数:400±2匝
绕线电阻:18±2Ω

E5CD 外形尺寸 13

E54-CT3

E5CD 外形尺寸 14

E54-CT3附件

E5CD 外形尺寸 15

E54-CT3L

E5CD 外形尺寸 16

贯通电流(Io)与输出电压(Eo)特性(参考值)
E54-CT3、E54-CT3L

加热器最大连续电流:120A(50/60Hz)
(但是,星空(中国)一站式服务官网温控器的连续最高加热器电流值为50A。)
匝数:400±2匝
绕线电阻:8±0.8Ω

E5CD 外形尺寸 18

适配器

Y92F-45

注1 . 请在E5B□用面板已经加工的情况下使用。
 2 . 适配器的颜色为黑色。
 3 . 无法组合使用本体随附的Y92F-49。

E5CD 外形尺寸 20

〈安装示例〉

E5CD 外形尺寸 21

DIN导轨安装适配器

Y92F-52

注. 不能与端子盖并用。
  请拆下端子盖后再使用。

E5CD 外形尺寸 24

用于将E5CD安装到DIN导轨上的适配器。
无需用于柜内安装的钣金和用于
后装的柜表面孔加工。

〈安装示例〉

E5CD 外形尺寸 25

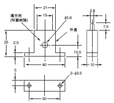
防水盖

Y92A-48N

E5CD 外形尺寸 26

安装适配器

Y92F-49

E5CD 外形尺寸 27

产品随附。
遗失、损坏时,请另行订购。

前盖

Y92A-48D

注. 无法在安装了防水垫的状态下使用。

E5CD 外形尺寸 31

软质型前盖。
可在装有罩盖的状态下操作产品。

前盖

Y92A-48H

E5CD 外形尺寸 32

硬质型前盖。
请用于防止误操作等。

拉出夹具

Y92F-58

维护时可使用拉出夹具仅拔出本体,而不拆下端子接线。

E5CD 外形尺寸 35
APP下载

星空(中国)一站式服务官网FA世界