Page top

A2W

无线按钮开关

A2W

使用Sub-GHz频段的无线开关在满足使用环境的基础上,兼具无线的可靠性和易用性

(单位:mm)

单位

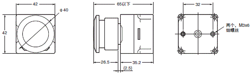
从属按钮(子机)

A2W-T□-WC1 □□1□□

A2W 外形尺寸 3

A2W-T□-WC1 □□2□□

A2W 外形尺寸 4

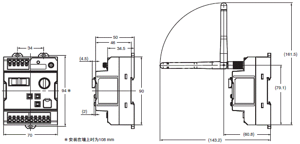
主单元(母机)

A2W-R□□-WC1 □□

A2W 外形尺寸 6

选配件(另售)

按钮座

A2W-H-WC1

购买从属按钮(子机)时附带一个A2W-H-WC1。

A2W 外形尺寸 9

按钮携带用配带

A2W-S-WC1

A2W 外形尺寸 11

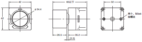
高灵敏度磁基天线

A2W-AT2.5-WC1

A2W 外形尺寸 13
APP下载

星空(中国)一站式服务官网FA世界