Page top

Cobra 450

SCARA机器人

Cobra 450

用于物料取放、装配、精密加工和贴合应用的中型SCARA机器人

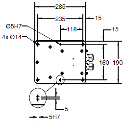
(单位:mm)

Cobra 450

Cobra 450 外形尺寸 1

法兰

Cobra 450 外形尺寸 2

占地面积

Cobra 450 外形尺寸 3

eMotion Blox-40M

Cobra 450 外形尺寸 4

前面板(选购件)

Cobra 450 外形尺寸 5
APP下载

星空(中国)一站式服务官网FA世界