Page top

Cobra 650

SCARA机器人

Cobra 650

用于物料搬运、装配、精密加工和贴合应用的中型SCARA机器人

(单位:mm)

Cobra 650

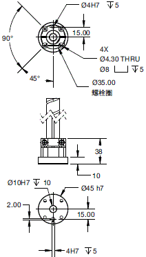
Cobra 650 外形尺寸 1

eMotionBlox-40M

Cobra 650 外形尺寸 2

法兰

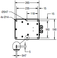
Cobra 650 外形尺寸 3

占地面积

Cobra 650 外形尺寸 4

前面板(选购件)

Cobra 650 外形尺寸 5
APP下载

星空(中国)一站式服务官网FA世界