Page top

FHV7系列

智能相机

FHV7系列

将生产现场所需的功能性和高速性凝结为一体

FHV-VN□B□系列、FHV-VD□B□系列、FHV-VU□B□系列、FHV7H系列预定于2024年9月底订货截止。

FHV7系列智能相机型号检索

只需选择分辨率、镜头、光源等条件,就能选出相应的智能相机型号。

(单位:mm)

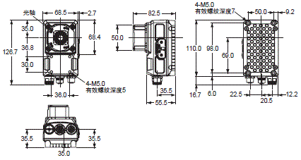
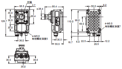
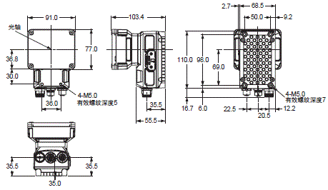
智能相机本体

C卡口型

FHV7X-□□□□□-C

FHV7系列 外形尺寸 3

镜头模块一体型

高速镜头模块
FHV7X-□□□□□-H06

FHV7系列 外形尺寸 5

FHV7X-□□□□□-H19

FHV7系列 外形尺寸 6

标准镜头模块
FHV7X-□□□□□-S□□

FHV7系列 外形尺寸 7

镜头/光源模块一体型

FHV7H-□□□□□-X□□-□□/
FHV7X-□□□□□-S□□-□□

FHV7系列 外形尺寸 9

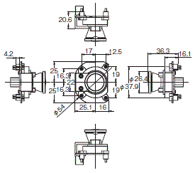
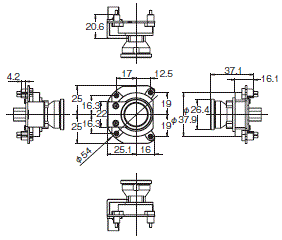
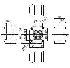
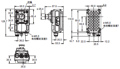
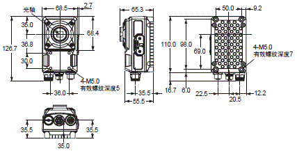
镜头模块

高速镜头模块(自动对焦)

FHV-LEM-H06

FHV7系列 外形尺寸 12

FHV-LEM-H19

FHV7系列 外形尺寸 13

标准镜头模块(自动对焦)

FHV-LEM-S□□

FHV7系列 外形尺寸 15

光源模块

FHV-LTM-□□

FHV7系列 外形尺寸 17

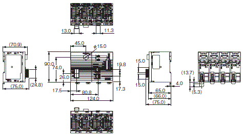
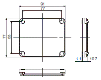
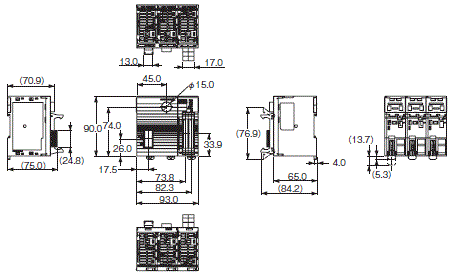
智能相机数据单元

FHV-SDU10

FHV7系列 外形尺寸 19

FHV-SDU30

FHV7系列 外形尺寸 20

智能相机数据单元电缆

耐弯曲、直型

FHV-VUB2 □M

FHV7系列 外形尺寸 23

耐弯曲、直角型

FHV-VULB2 □M

FHV7系列 外形尺寸 25

*1. 各电缆长度有2m/3m/5m/10m/20m。

超耐弯曲、直型

FHV-VUBX2 □M

FHV7系列 外形尺寸 27

超耐弯曲、直角型

FHV-VULBX2 □M

FHV7系列 外形尺寸 29

*1. 各电缆长度有5m/10m。

电缆

I/O电缆(耐弯曲、直型)

FHV-VDB2 □M

FHV7系列 外形尺寸 32

I/O电缆(耐弯曲、直角型)

FHV-VDLB2 □M

FHV7系列 外形尺寸 34

*1. 各电缆长度有2m/3m/5m/10m/20m。

I/O电缆(超耐弯曲、直型)

FHV-VDBX2 □M

FHV7系列 外形尺寸 36

I/O电缆(超耐弯曲、直角型)

FHV-VDLBX2 □M

FHV7系列 外形尺寸 38

*1. 各电缆长度有5m/10m。

以太网电缆(耐弯曲、直型)

FHV-VNB2 □M

FHV7系列 外形尺寸 40

以太网电缆(耐弯曲、直角型)

FHV-VNLB2 □M

FHV7系列 外形尺寸 42

*1. 各电缆长度有2m/3m/5m/10m/20m。

以太网电缆(超耐弯曲、直型)

FHV-VNBX2 □M

FHV7系列 外形尺寸 44

以太网电缆(超耐弯曲、直角型)

FHV-VNLBX2 □M

FHV7系列 外形尺寸 46

*1. 各电缆长度有5m/10m。

外部光源用中继电缆(MDMC光源)

FHV-VFLX-GD

FHV7系列 外形尺寸 48

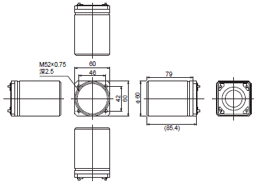
光学滤镜/光源盖板

扩散滤镜、偏光滤镜
FHV-XDF/-XPL/-XPL-IR

FHV-XCV

FHV7系列 外形尺寸 51

触摸屏监视器

Advantech公司产PPC-3100S-OMR

FHV7系列 外形尺寸 53

防水遮光罩

C卡口用(短)

FHV-XHD-S

FHV7系列 外形尺寸 56

C卡口用(长)

FHV-XHD-L

FHV7系列 外形尺寸 58

镜头模块用

FHV-XHD-LEM

FHV7系列 外形尺寸 60
APP下载

星空(中国)一站式服务官网FA世界