Page top

S8VK-WA

开关电源(240/480/960/2000W型)

S8VK-WA

三相200V~240V输入、解决三相平衡课题

引领时代的开关电源

低功耗控制柜设计,助力实现碳中和

连接

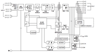
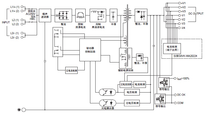
框图

S8VK-WA24024(240W)

S8VK-WA 配线/连接 3

S8VK-WA48024(480W)
S8VK-WA96024(960W)

S8VK-WA 配线/连接 4

S8VK-WA202□□(2000W)

S8VK-WA 配线/连接 5
APP下载

星空(中国)一站式服务官网FA世界