Page top

S8V-CP

DC电子式电路保护器(DC24V 4分支输出/8分支输出型)

S8V-CP

轻松实现DC电路的安全设计可在发生短路、过电流时提供切实的保护多通道省空间通过分支输出的顺序启动避免启动时故障

(单位:mm)

本体

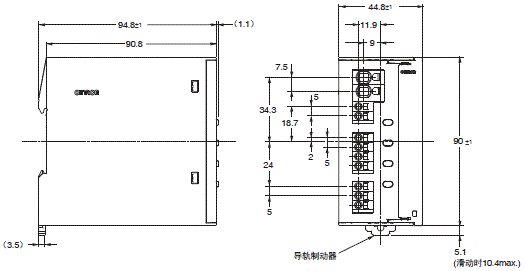
S8V-CP0424

S8V-CP 外形尺寸 2

S8V-CP0424S

S8V-CP 外形尺寸 3

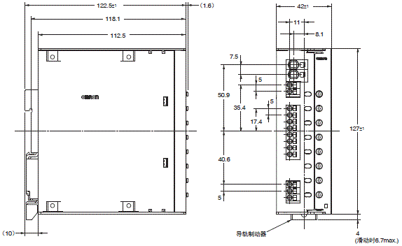
S8V-CP0824

S8V-CP 外形尺寸 4

选装件(另售)导轨安装用品另售件

支承导轨(铝制)

PFP-100N
PFP-50N

S8V-CP 外形尺寸 7

支承导轨(铝制)

PFP-100N2

S8V-CP 外形尺寸 9

固定配件(终端板)

PFP-M

S8V-CP 外形尺寸 11

注. 可能受到振动、冲击的用途中,可能会因铝的磨损而产生金属碎屑,这种情况下请使用铁制DIN导轨。

APP下载

星空(中国)一站式服务官网FA世界