Page top

iX3

并联机器人 EtherCAT(NJ501-R)版

iX3

并联机器人——适用于食品、制药和日化行业

机器人集成星空平台系统配置

机器人控制器

iX3 系统构成 2

基本配置

iX3 系统构成 3

视觉跟踪机器人系统

iX3 系统构成 4
iX3 系统构成 5

传送带跟踪机器人系统

iX3 系统构成 6
iX3 系统构成 7

独立型机器人系统配置

内置控制器的放大器

iX3 系统构成 9

基本配置

由eAIB/eMotionBlox控制

iX3 系统构成 11

由SmartController EX控制

iX3 系统构成 12

视觉跟踪机器人系统

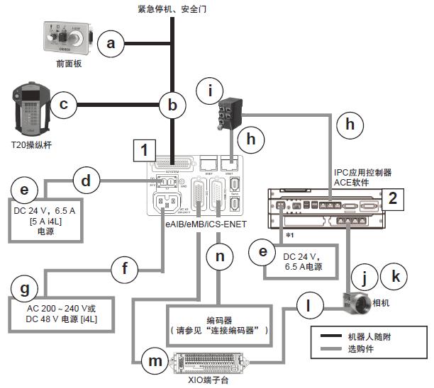
由eAIB/eMotionBlox控制,带IPC应用控制器(使用视觉系统时)

iX3 系统构成 14
iX3 系统构成 15

由SmartController EX控制(使用视觉系统时)

iX3 系统构成 16
iX3 系统构成 17

传送带跟踪机器人系统

由eAIB/eMotionBlox控制,带IPC应用控制器(使用视觉系统时)

iX3 系统构成 19
iX3 系统构成 20

由SCEX控制,带IPC应用控制器(使用视觉系统时)

iX3 系统构成 21
iX3 系统构成 22

2台机器人由SCEX控制,带IPC应用控制器(使用视觉系统时)

iX3 系统构成 23
iX3 系统构成 24

连接编码器

SmartController EX

iX3 系统构成 26

eAIB/eMotionBlox/iCS

iX3 系统构成 27
APP下载

星空(中国)一站式服务官网FA世界