Page top

E3X-ZV / MZV

智能光纤放大器

E3X-ZV / MZV

功能与操作性兼备的高性价比光纤放大器

智能光纤放大器

高性价比,检测稳定

(单位:mm)

光纤放大器

导线引出型
E3X-ZV11
E3X-ZV41

E3X-ZV / MZV 外形尺寸 2

E3X-MZV11
E3X-MZV41

E3X-ZV / MZV 外形尺寸 4

省配线接插件型
E3X-ZV6
E3X-ZV8

E3X-ZV / MZV 外形尺寸 5

E3X-MZV6
E3X-MZV8

E3X-ZV / MZV 外形尺寸 6

附件(另售)

省配线接插件
母接插件
E3X-CN11
E3X-CN21

E3X-ZV / MZV 外形尺寸 8

子接插件
E3X-CN12
E3X-CN22

E3X-ZV / MZV 外形尺寸 9


DIN导轨
PFP-100N
PFP-50N

E3X-ZV / MZV 外形尺寸 11


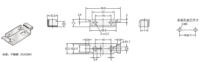
安装配件
E39-L143

E3X-ZV / MZV 外形尺寸 13


终端板
PFP-M

E3X-ZV / MZV 外形尺寸 15


APP下载

星空(中国)一站式服务官网FA世界