Page top

G7SA

安全继电器

G7SA

符合EN标准的小型纤薄型安全继电器

(单位:mm)

安全继电器本体

4极
G7SA-3A1B
G7SA-2A2B

G7SA 外形尺寸 2

6极
G7SA-5A1B
G7SA-4A2B
G7SA-3A3B

G7SA 外形尺寸 3

附件(另售)

安全继电器插座

表面连接插座

Push-In Plus端子 4极
P7SA-10F-ND-PU

G7SA 外形尺寸 6

PPush-In Plus端子 6极
P7SA-14F-ND-PU

G7SA 外形尺寸 7

Push-In Plus插座附件

短路棒(P7SA-□F-ND-PU用)

XW5S-P2.5-□□

G7SA 外形尺寸 9

表面连接插座

螺钉紧固端子 4极
P7SA-10F
P7SA-10F-ND

G7SA 外形尺寸 10

螺钉紧固端子 6极
P7SA-14F
P7SA-14F-ND

G7SA 外形尺寸 11

导轨安装用品

支撑导轨
PFP-100N
PFP-50N

G7SA 外形尺寸 13

支撑导轨
PFP-100N2

G7SA 外形尺寸 14

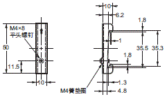
终端板
PFP-M

G7SA 外形尺寸 15

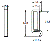
隔片
PFP-S

G7SA 外形尺寸 16

背面连接插座

印刷电路板用端子 4极
P7SA-10P

G7SA 外形尺寸 17

印刷电路板用端子 6极
P7SA-14P

G7SA 外形尺寸 18
APP下载

星空(中国)一站式服务官网FA世界