Page top

New

E3AS-HF系列

放大器内置型TOF激光传感器

E3AS-HF系列

具备0.05~6m的检测范围与最大±85°的角度特性,即使在远距离倾斜安装环境下也能稳定检测黑色等低反射率工件。

(单位:mm)


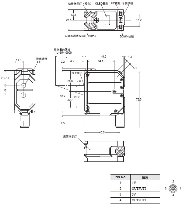
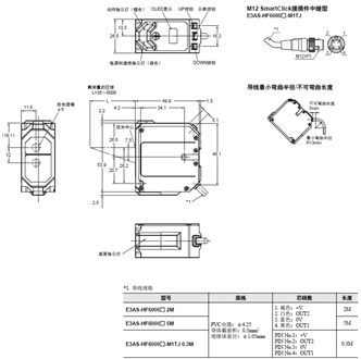
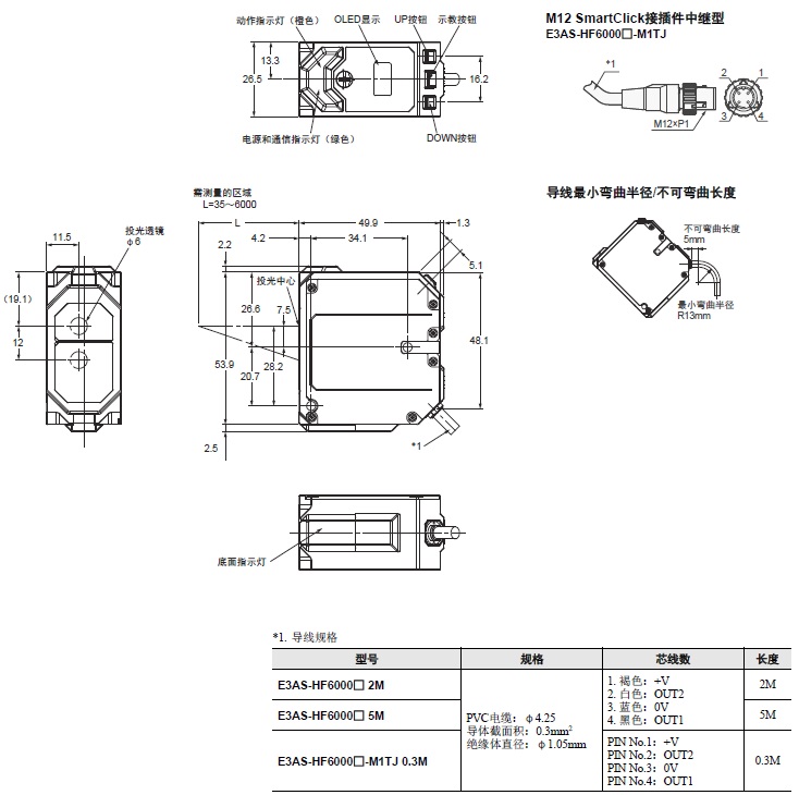
本体

导线引出型/接插件中继型

E3AS-HF6000□(-M1TJ)

E3AS-HF系列 外形尺寸 3

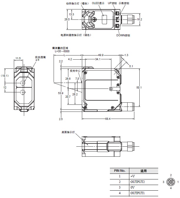
M12接插件型(水平)

E3AS-HF6000□ M1H

E3AS-HF系列 外形尺寸 5

M12接插件型(垂直)

E3AS-HF6000□ M1V

E3AS-HF系列 外形尺寸 7

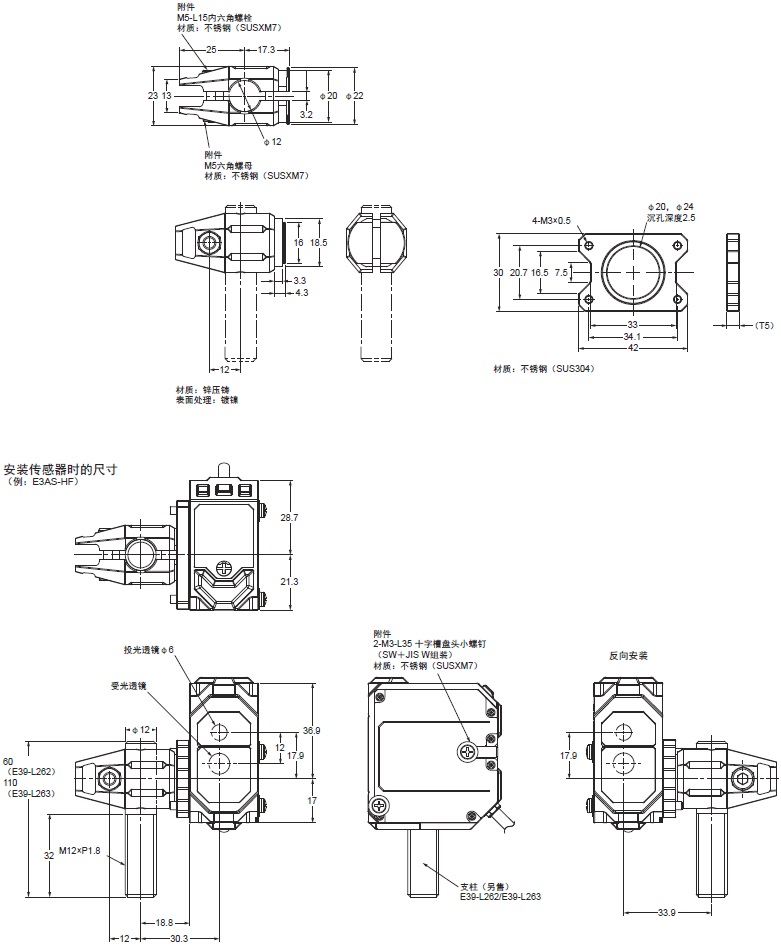
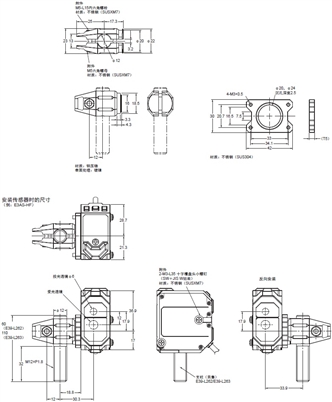
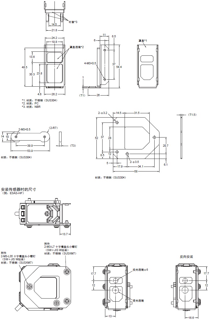
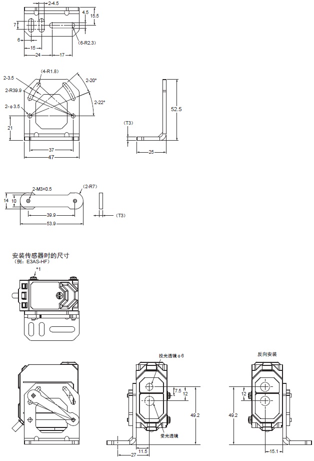
附件(另售)

安装支架

E39-L245

E3AS-HF系列 外形尺寸 10

材质:不锈钢(SUS304)

*1. 附件 2-M3-L35 十字槽盘头小螺钉(SW+JIS W组装)材质:不锈钢(SUSXM7)

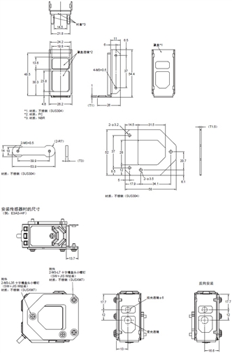
E39-L255

E3AS-HF系列 外形尺寸 11

材质:不锈钢(SUS304)

*1. 附件 2-M3-L35 十字槽盘头小螺钉(SW+JIS W组装)材质:不锈钢(SUSXM7)

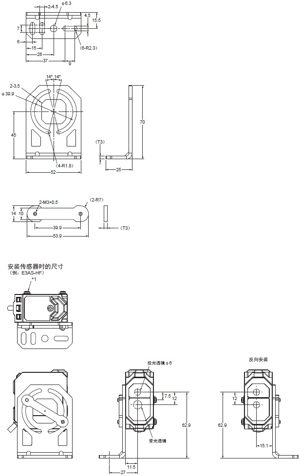
灵活的安装支架

E39-L264

E3AS-HF系列 外形尺寸 13

立柱

50mm
E39-L262

E3AS-HF系列 外形尺寸 15

材质:不锈钢(SUS304)

100mm
E39-L263

E3AS-HF系列 外形尺寸 17

材质:不锈钢(SUS304)

吹气单元

E39-E17

E3AS-HF系列 外形尺寸 20

正面保护罩

E39-E20

E3AS-HF系列 外形尺寸 22
APP下载

星空(中国)一站式服务官网FA世界